Datasheet VLDB1232, VLDTG1232 (Vishay) - 6

制造商Vishay
描述Dome Lens SMD LED
页数 / 页10 / 6 — VLDB1232.., VLDTG1232.. PACKAGE DIMENSIONS. VLD.1232G.
修订版1.0
文件格式/大小PDF / 238 Kb
文件语言英语

VLDB1232.., VLDTG1232.. PACKAGE DIMENSIONS. VLD.1232G.

VLDB1232.., VLDTG1232. PACKAGE DIMENSIONS VLD.1232G.

该数据表的模型线

文件文字版本

VLDB1232.., VLDTG1232..
www.vishay.com Vishay Semiconductors
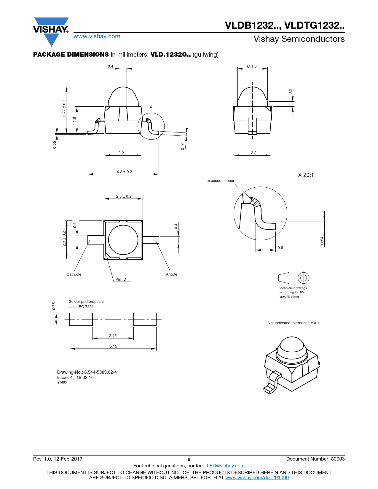
PACKAGE DIMENSIONS
in millimeters:
VLD.1232G..
(gullwing) 0.4 Ø 1.8 0.3 X 2.77 ± 0.2 1.6 0.05 0.19 2.2 2.2 4.2 ± 0.2 X 20:1 exposed copper 2.3 ± 0.2 0.5 0.4 2.3 ± 0.2 0.254 0.6 Cathode Anode Pin ID technical drawings according to DIN specifications Solder pad proposal acc. IPC 7351 0.75 Not indicated tolerances ± 0.1 2.45 5.15 Drawing-No.: 6.544-5383.02-4 Issue: 4; 18.03.10 21488 Rev. 1.0, 12-Feb-2019
6
Document Number: 80003 For technical questions, contact: LED@vishay.com THIS DOCUMENT IS SUBJECT TO CHANGE WITHOUT NOTICE. THE PRODUCTS DESCRIBED HEREIN AND THIS DOCUMENT ARE SUBJECT TO SPECIFIC DISCLAIMERS, SET FORTH AT www.vishay.com/doc?91000