Datasheet VLDB1232, VLDTG1232 (Vishay) - 7
| 制造商 | Vishay |
| 描述 | Dome Lens SMD LED |
| 页数 / 页 | 10 / 7 — VLDB1232.., VLDTG1232.. PACKAGE DIMENSIONS. VLD.1232R. |
| 修订版 | 1.0 |
| 文件格式/大小 | PDF / 238 Kb |
| 文件语言 | 英语 |
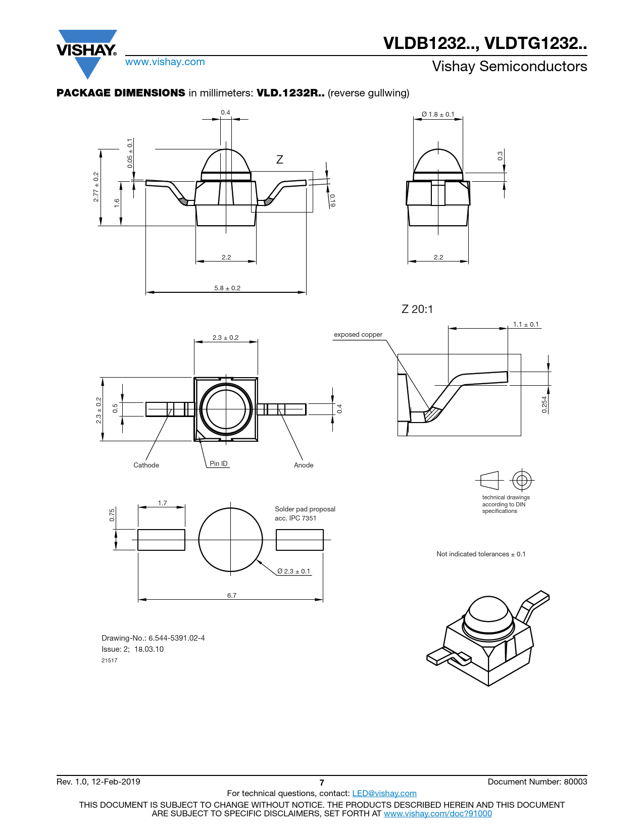
VLDB1232.., VLDTG1232.. PACKAGE DIMENSIONS. VLD.1232R.

该数据表的模型线
文件文字版本
VLDB1232.., VLDTG1232..
www.vishay.com Vishay Semiconductors
PACKAGE DIMENSIONS
in millimeters:
VLD.1232R..
(reverse gullwing) 0.4 Ø 1.8 ± 0.1 0.3 Z 0.05 ± 0.1 0.19 2.77 ± 0.2 1.6 2.2 2.2 5.8 ± 0.2 Z 20:1 1.1 ± 0.1 exposed copper 2.3 ± 0.2 0.5 0.4 0.254 2.3 ± 0.2 Cathode Pin ID Anode technical drawings 1.7 according to DIN Solder pad proposal specifications 0.75 acc. IPC 7351 Not indicated tolerances ± 0.1 Ø 2.3 ± 0.1 6.7 Drawing-No.: 6.544-5391.02-4 Issue: 2; 18.03.10 21517 Rev. 1.0, 12-Feb-2019
7
Document Number: 80003 For technical questions, contact: LED@vishay.com THIS DOCUMENT IS SUBJECT TO CHANGE WITHOUT NOTICE. THE PRODUCTS DESCRIBED HEREIN AND THIS DOCUMENT ARE SUBJECT TO SPECIFIC DISCLAIMERS, SET FORTH AT www.vishay.com/doc?91000