Datasheet VLMRGB1500 (Vishay) - 6

制造商Vishay
描述Multi SMD Chip LED RGB in 0404 package
页数 / 页9 / 6 — VLMRGB1500. TAPING DIMENSIONS. REEL DIMENSIONS TAPING. REEL DIMENSIONS IN …
文件格式/大小PDF / 443 Kb
文件语言英语

VLMRGB1500. TAPING DIMENSIONS. REEL DIMENSIONS TAPING. REEL DIMENSIONS IN mm ACCORDING DRAWING REFERENCE. VERSION

VLMRGB1500 TAPING DIMENSIONS REEL DIMENSIONS TAPING REEL DIMENSIONS IN mm ACCORDING DRAWING REFERENCE VERSION

该数据表的模型线

文件文字版本

VLMRGB1500
www.vishay.com Vishay Semiconductors
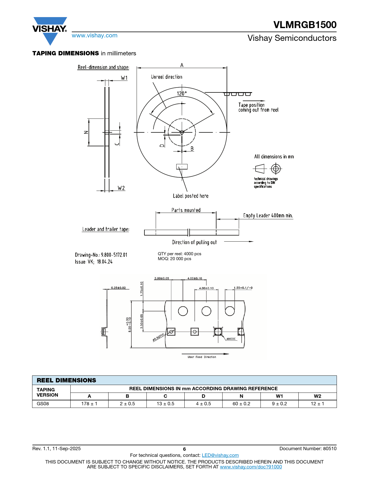
TAPING DIMENSIONS
in millimeters QTY per reel: 4000 pcs MOQ: 20 000 pcs
REEL DIMENSIONS TAPING REEL DIMENSIONS IN mm ACCORDING DRAWING REFERENCE VERSION A B C D N W1 W2
GS08 178 ± 1 2 ± 0.5 13 ± 0.5 4 ± 0.5 60 ± 0.2 9 ± 0.2 12 ± 1 Rev. 1.1, 11-Sep-2025
6
Document Number: 80510 For technical questions, contact: LED@vishay.com THIS DOCUMENT IS SUBJECT TO CHANGE WITHOUT NOTICE. THE PRODUCTS DESCRIBED HEREIN AND THIS DOCUMENT ARE SUBJECT TO SPECIFIC DISCLAIMERS, SET FORTH AT www.vishay.com/doc?91000