Datasheet TEA5767HN (NXP) - 4
| 制造商 | NXP |
| 描述 | Low-power FM stereo radio for handheld applications in 40-VFQFN Exposed Pad package |
| 页数 / 页 | 40 / 4 — NXP Semiconductor. oduct data sheet. Bloc. k dia. gram. 05 — 26 Jan. … |
| 文件格式/大小 | PDF / 201 Kb |
| 文件语言 | 英语 |
NXP Semiconductor. oduct data sheet. Bloc. k dia. gram. 05 — 26 Jan. TEA5767HN. w-po. uar. y 2007. wer FM stereo radio f

该数据表的模型线
文件文字版本
link to page 32 xxxx xxxxxxxxxxxxxxxxxxxxxxxxxxxxxx x xxxxxxxxxxxxxx xxxxxxxxxx xxx xxxxxx xxxxxxxxxxxxxxxxxxxxxxx xxxxxxxxxxxxxxxxxxxxxx xxxxx xxxxxx xx xxxxxxxxxxxxxxxxxxxxxxxxxxxxx xxxxxxxxxxxxxxxxxxxxxx xxxxxxxxxxx xxxxxxx xxxxxxxxxxxxxxxxxxx xxxxxxxxxxxxxxxx xxxxxxxxxxxxxx xxxxxx xx xxxxxxxxxxxxxxxxxxxxxxxxxxxxxxxx xxxxxxxxxxxxxxxxxxxxxxxx xxxxxxx xxxxxxxxxxxxxxxxxxxxxxxxxxxxxxxxxxxxxxxxxxxxxx xxxxxxxxxxx xxxxx x x
Pr
TEA5767HN_5
5. NXP Semiconductor oduct data sheet Bloc
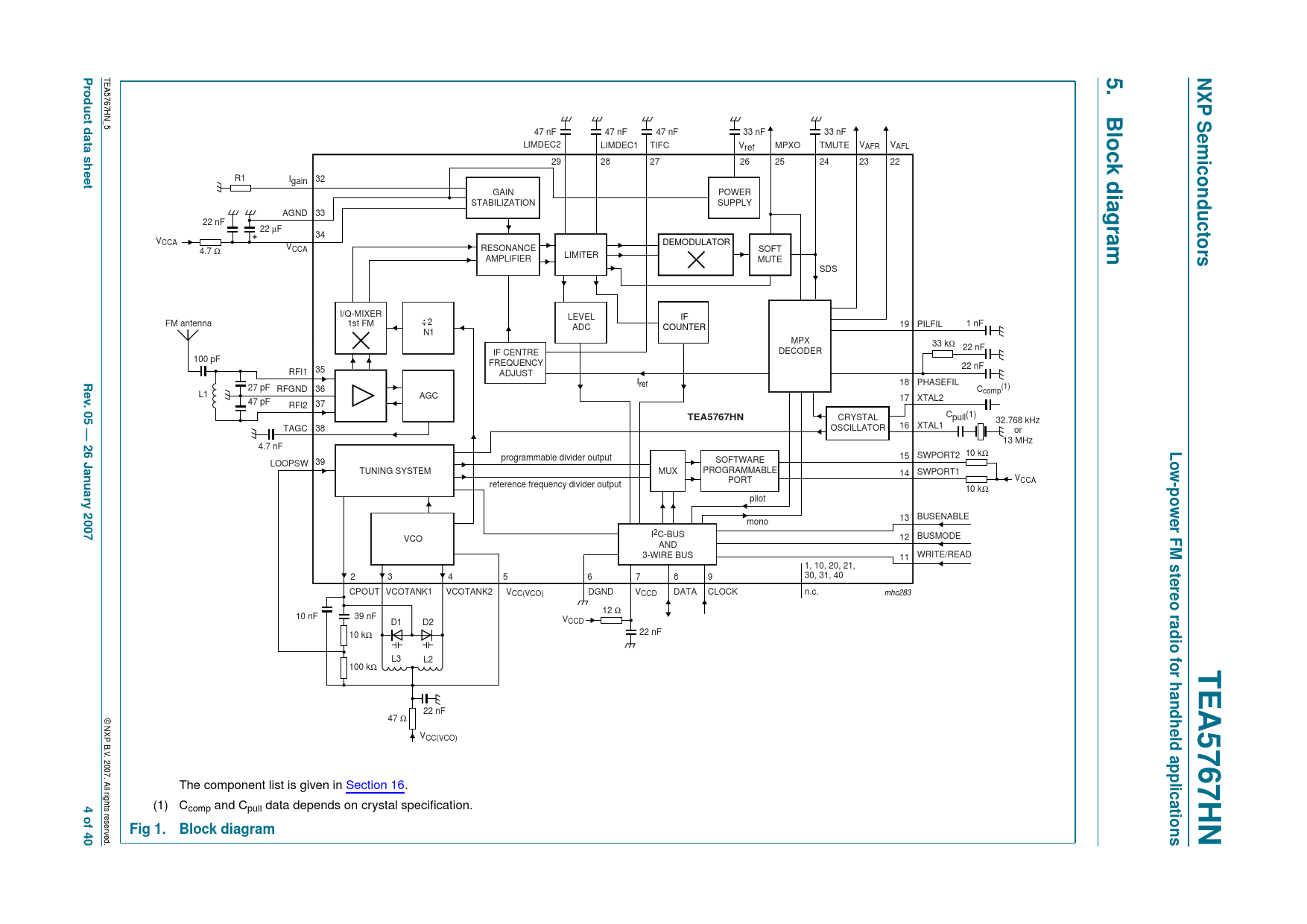
47 nF 47 nF 47 nF 33 nF 33 nF LIMDEC2 LIMDEC1 TIFC Vref MPXO TMUTE VAFR VAFL 29 28 27 26 25 24 23 22
k dia
R1 I 32 gain GAIN POWER STABILIZATION SUPPLY AGND 33
gram
22 nF 22 µF 34 VCCA DEMODULATOR VCCA 4.7 Ω RESONANCE SOFT LIMITER
s
AMPLIFIER MUTE SDS I/Q-MIXER LEVEL IF FM antenna 1st FM 2 19 PILFIL 1 nF ADC COUNTER N1 MPX 33 kΩ 22 nF IF CENTRE DECODER 100 pF FREQUENCY 35 22 nF RFI1
Re
ADJUST I 18 ref PHASEFIL 27 pF C (1)
v
RFGND 36 L1 comp
.
AGC 17 XTAL2
05 — 26 Jan
47 pF RFI2 37 C
TEA5767HN
CRYSTAL pull(1) 32.768 kHz TAGC 38 16 XTAL1 OSCILLATOR or 13 MHz 4.7 nF
Lo
10 kΩ programmable divider output 15 SWPORT2 LOOPSW 39 SOFTWARE MUX PROGRAMMABLE
w-po
TUNING SYSTEM 14 SWPORT1
uar
PORT VCCA reference frequency divider output 10 kΩ
y 2007
pilot
wer FM stereo radio f
13 BUSENABLE mono I2C-BUS VCO 12 BUSMODE AND 3-WIRE BUS WRITE/READ 11 1, 10, 20, 21, 2 3 4 5 6 7 8 9 30, 31, 40 CPOUT VCOTANK1 VCOTANK2 VCC(VCO) DGND V DATA CCD CLOCK n.c. mhc283 12 Ω 10 nF 39 nF D1 D2 VCCD 10 kΩ 22 nF L3 L2
or handheld applications
100 kΩ
TEA5767HN
22 nF © NXP B 47 Ω VCC(VCO) .V. 2007. All r The component list is given in Section 16. ights reser
4 of 40
(1) Ccomp and Cpull data depends on crystal specification. v ed.
Fig 1. Block diagram
Document Outline 1. General description 2. Features 3. Quick reference data 4. Ordering information 5. Block diagram 6. Pinning information 6.1 Pinning 6.2 Pin description 7. Functional description 7.1 Low-noise RF amplifier 7.2 FM mixer 7.3 VCO 7.4 Crystal oscillator 7.5 PLL tuning system 7.6 RF AGC 7.7 IF filter 7.8 FM demodulator 7.9 Level voltage generator and analog-to-digital converter 7.10 IF counter 7.11 Soft mute 7.12 MPX decoder 7.13 Signal dependent mono to stereo blend 7.14 Signal dependent AF response 7.15 Software programmable ports 7.16 I2C-bus and 3-wire bus 8. I2C-bus, 3-wire bus and bus-controlled functions 8.1 I2C-bus specification 8.1.1 Data transfer 8.1.2 Power-on reset 8.2 I2C-bus protocol 8.3 3-wire bus specification 8.3.1 Data transfer 8.3.2 Power-on reset 8.4 Writing data 8.5 Reading data 9. Internal circuitry 10. Limiting values 11. Thermal characteristics 12. Static characteristics 13. Dynamic characteristics 14. FM characteristics 15. I2C-bus characteristics 16. Test information 17. Package outline 18. Soldering 18.1 Introduction to soldering 18.2 Wave and reflow soldering 18.3 Wave soldering 18.4 Reflow soldering 19. Revision history 20. Legal information 20.1 Data sheet status 20.2 Definitions 20.3 Disclaimers 20.4 Trademarks 21. Contact information 22. Contents