Datasheet MAX1614 (Analog Devices) - 6

制造商Analog Devices
描述High-Side, n-Channel MOSFET Switch Driver
页数 / 页9 / 6 — MAX1614
文件格式/大小PDF / 1.0 Mb
文件语言英语

MAX1614

MAX1614

该数据表的模型线

文件文字版本

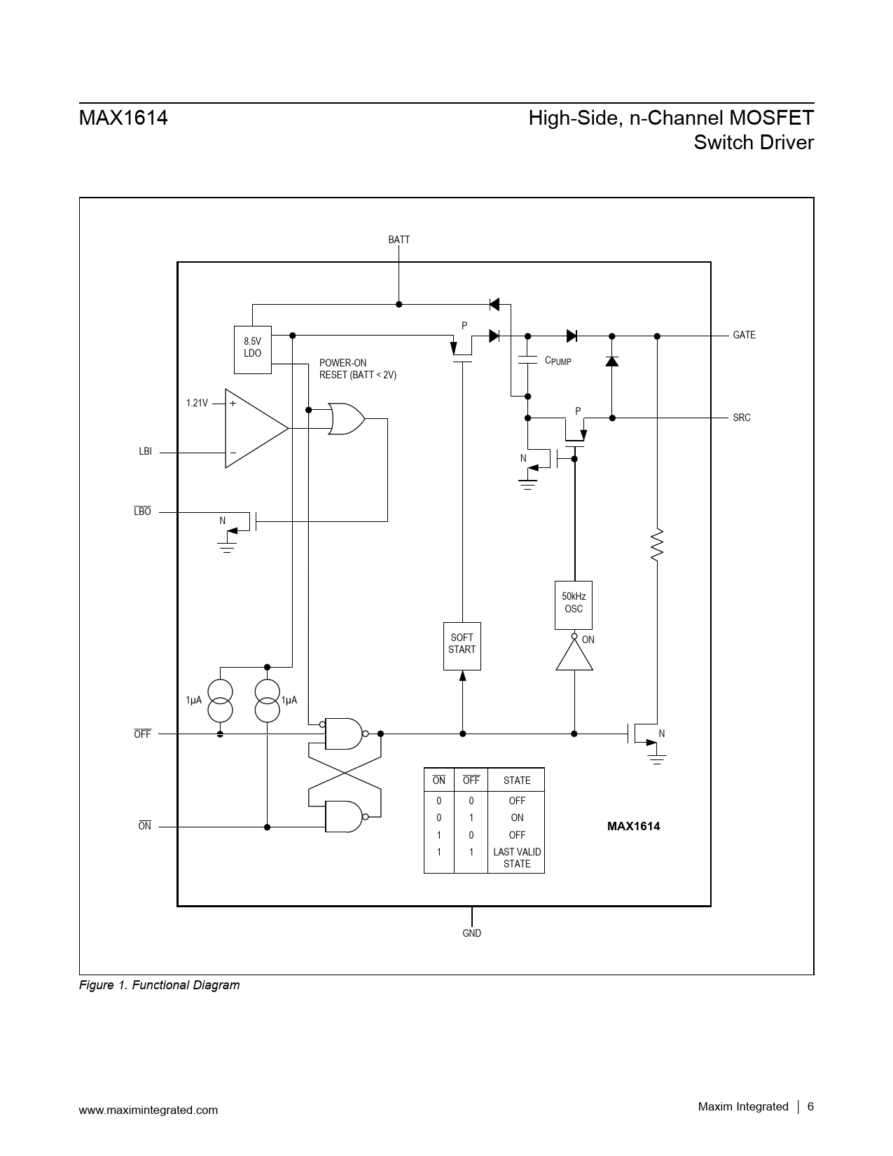
MAX1614 High-Side, n-Channel MOSFET Switch Driver BATT P 8.5V GATE LDO POWER-ON CPUMP RESET (BATT < 2V) 1.21V P SRC LBI N LBO N 50kHz OSC SOFT ON START 1µA 1µA OFF N ON OFF STATE 0 0 OFF 0 1 ON ON
MAX1614
1 0 OFF 1 1 LAST VALID STATE GND Figure 1. Functional Diagram www.maximintegrated.com Maxim Integrated │ 6