Datasheet NCP4328 (ON Semiconductor) - 8
| 制造商 | ON Semiconductor |
| 描述 | Secondary Side CV/CC Controller |
| 页数 / 页 | 12 / 8 — NCP4328. VOUT. Figure 15. Typical Application Schematic for NCP4328A. … |
| 文件格式/大小 | PDF / 254 Kb |
| 文件语言 | 英语 |
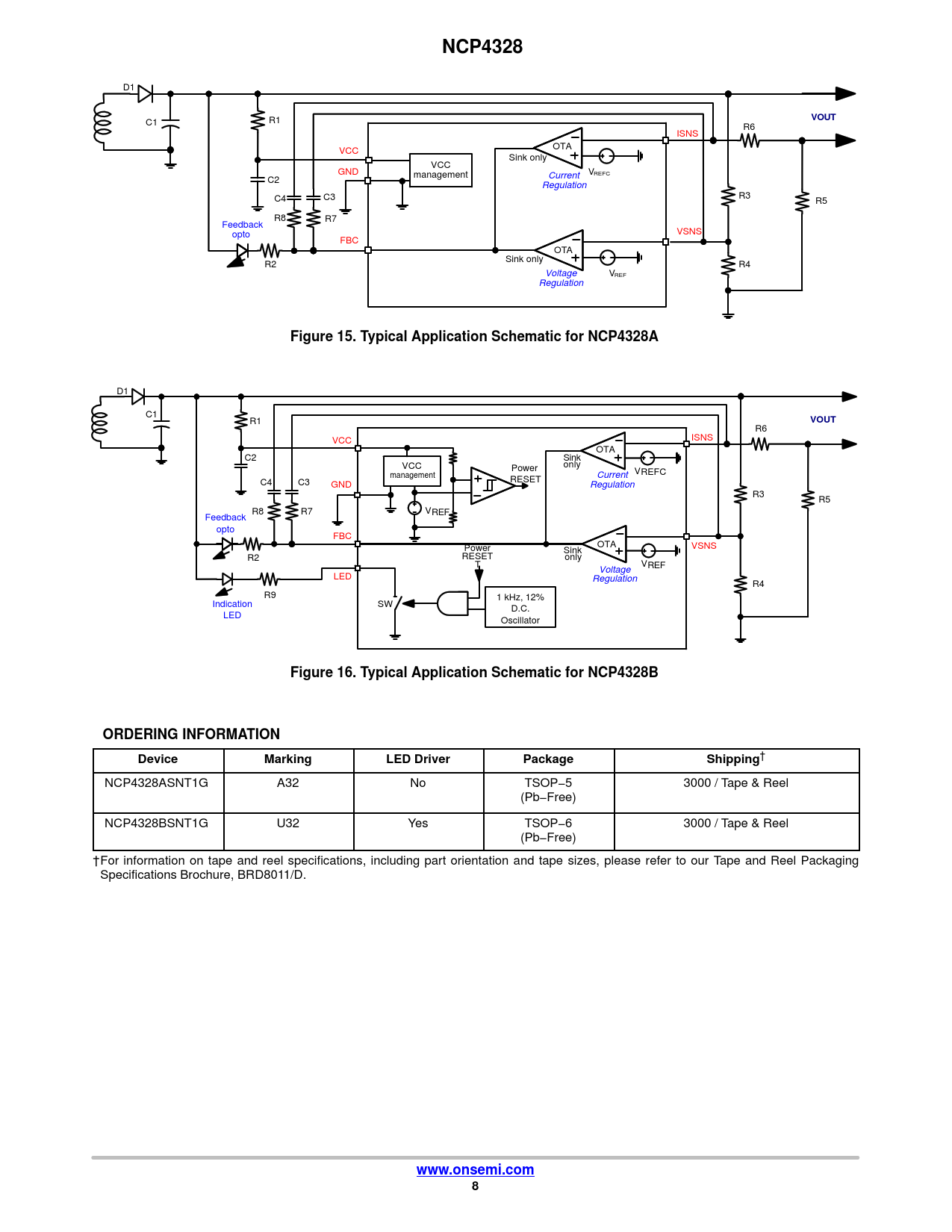
NCP4328. VOUT. Figure 15. Typical Application Schematic for NCP4328A. Figure 16. Typical Application Schematic for NCP4328B

该数据表的模型线
文件文字版本
NCP4328
D1
VOUT
C1 R1 R6 ISNS OTA VCC Sink only VCC GND VREFC management Current C2 Regulation C4 C3 R3 R5 R8 R7 Feedback opto VSNS FBC OTA Sink only R2 R4 Voltage VREF Regulation
Figure 15. Typical Application Schematic for NCP4328A
D1 C1
VOUT
R1 R6 VCC ISNS OTA C2 Sink VCC Power only V management REFC Current C4 C3 RESET GND Regulation R3 R5 R8 R7 VREF Feedback opto FBC Power OTA VSNS Sink R2 RESET only T VREF Voltage LED Regulation R4 R9 1 kHz, 12% Indication SW D.C. LED Oscillator
Figure 16. Typical Application Schematic for NCP4328B ORDERING INFORMATION Device Marking LED Driver Package Shipping
† NCP4328ASNT1G A32 No TSOP−5 3000 / Tape & Reel (Pb−Free) NCP4328BSNT1G U32 Yes TSOP−6 3000 / Tape & Reel (Pb−Free) †For information on tape and reel specifications, including part orientation and tape sizes, please refer to our Tape and Reel Packaging Specifications Brochure, BRD8011/D.
www.onsemi.com 8