Datasheet AOP609 (Alpha & Omega) - 9
| 制造商 | Alpha & Omega |
| 描述 | Complementary Enhancement Mode Field Effect Transistor |
| 页数 / 页 | 9 / 9 — AOD609 |
| 文件格式/大小 | PDF / 866 Kb |
| 文件语言 | 英语 |
AOD609

该数据表的模型线
文件文字版本
AOD609
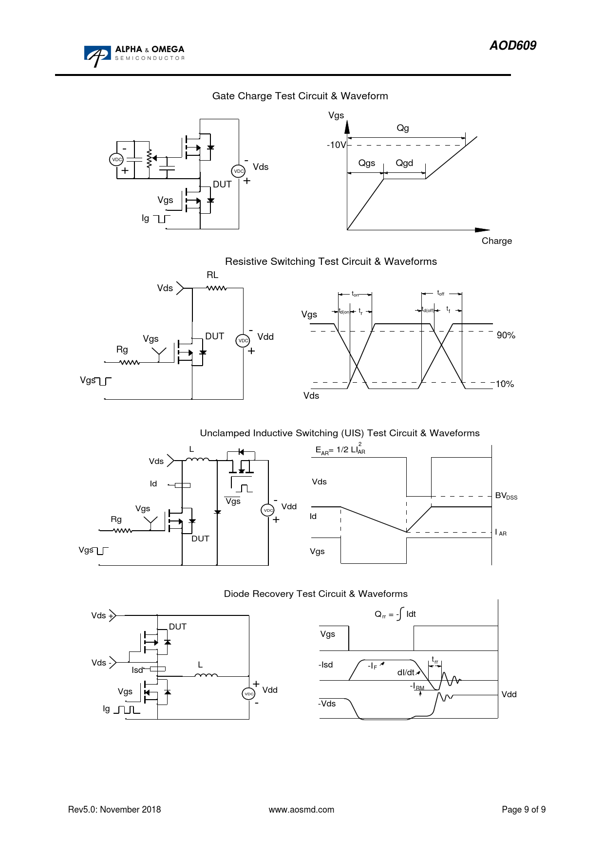
Gate Charge Test Circuit & Waveform Vgs Qg - -10V - VDC + Qgs Qgd Vds VDC + DUT Vgs Ig Charge Resistive Switching Test Circuit & Waveforms RL Vds t t on off td(on) t t t d(off) Vgs r f - DUT Vdd Vgs 90% VDC + Rg Vgs 10% Vds Unclamped Inductive Switching (UIS) Test Circuit & Waveforms 2 L E = 1/2 LIAR AR Vds Id Vds - BVDSS Vgs Vdd Vgs VDC + Rg Id I AR DUT Vgs Vgs Diode Recovery Test Circuit & Waveforms Vds + Q = - Idt rr DUT Vgs Vds - t L rr -Isd -I Isd F dI/dt + -IRM Vgs Vdd VDC Vdd - -Vds Ig Rev5.0: November 2018 www.aosmd.com Page 9 of 9