Datasheet CAT5112 (ON Semiconductor) - 10

制造商ON Semiconductor
描述32‐tap Digital Potentiometer (POT) with Buffered Wiper
页数 / 页11 / 10 — CAT5112. PACKAGE DIMENSIONS. MSOP 8, 3x3. SYMBOL. MIN. NOM. MAX. TOP …
文件格式/大小PDF / 230 Kb
文件语言英语

CAT5112. PACKAGE DIMENSIONS. MSOP 8, 3x3. SYMBOL. MIN. NOM. MAX. TOP VIEW. SIDE VIEW. END VIEW. Notes:. DETAIL A. http://onsemi.com

CAT5112 PACKAGE DIMENSIONS MSOP 8, 3x3 SYMBOL MIN NOM MAX TOP VIEW SIDE VIEW END VIEW Notes: DETAIL A http://onsemi.com

该数据表的模型线

文件文字版本

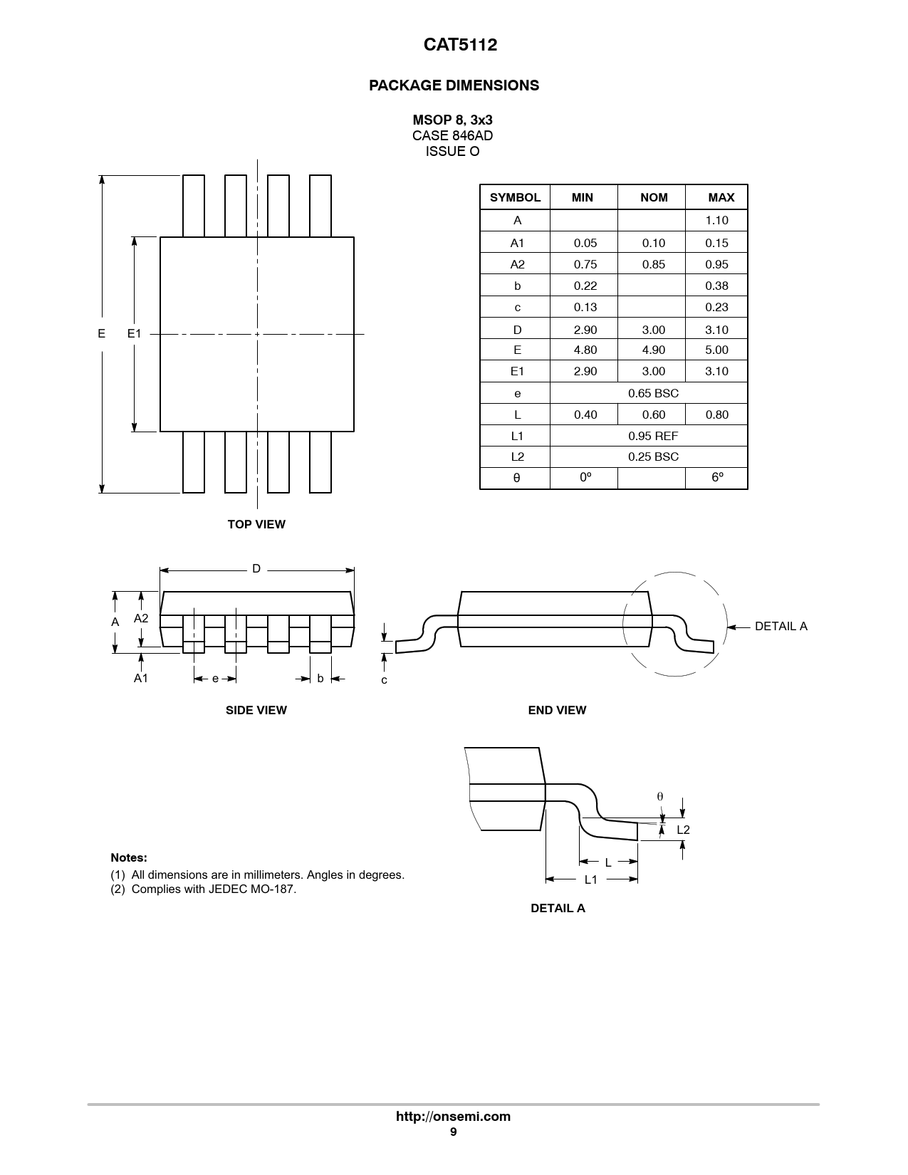
CAT5112 PACKAGE DIMENSIONS MSOP 8, 3x3
CASE 846AD ISSUE O
SYMBOL MIN NOM MAX
A 1.10 A1 0.05 0.10 0.15 A2 0.75 0.85 0.95 b 0.22 0.38 c 0.13 0.23 E E1 D 2.90 3.00 3.10 E 4.80 4.90 5.00 E1 2.90 3.00 3.10 e 0.65 BSC L 0.40 0.60 0.80 L1 0.95 REF L2 0.25 BSC θ 0º 6º
TOP VIEW
D A2 A DETAIL A A1 e b c
SIDE VIEW END VIEW
q L2
Notes:
L (1) All dimensions are in millimeters. Angles in degrees. L1 (2) Complies with JEDEC MO-187.
DETAIL A http://onsemi.com 9