Datasheet CAT5112 (ON Semiconductor) - 9

制造商ON Semiconductor
描述32‐tap Digital Potentiometer (POT) with Buffered Wiper
页数 / 页11 / 9 — CAT5112. PACKAGE DIMENSIONS. TSSOP8, 4.4x3. SYMBOL. MIN. NOM. MAX. TOP …
文件格式/大小PDF / 230 Kb
文件语言英语

CAT5112. PACKAGE DIMENSIONS. TSSOP8, 4.4x3. SYMBOL. MIN. NOM. MAX. TOP VIEW. SIDE VIEW. END VIEW. Notes:. http://onsemi.com

CAT5112 PACKAGE DIMENSIONS TSSOP8, 4.4x3 SYMBOL MIN NOM MAX TOP VIEW SIDE VIEW END VIEW Notes: http://onsemi.com

该数据表的模型线

文件文字版本

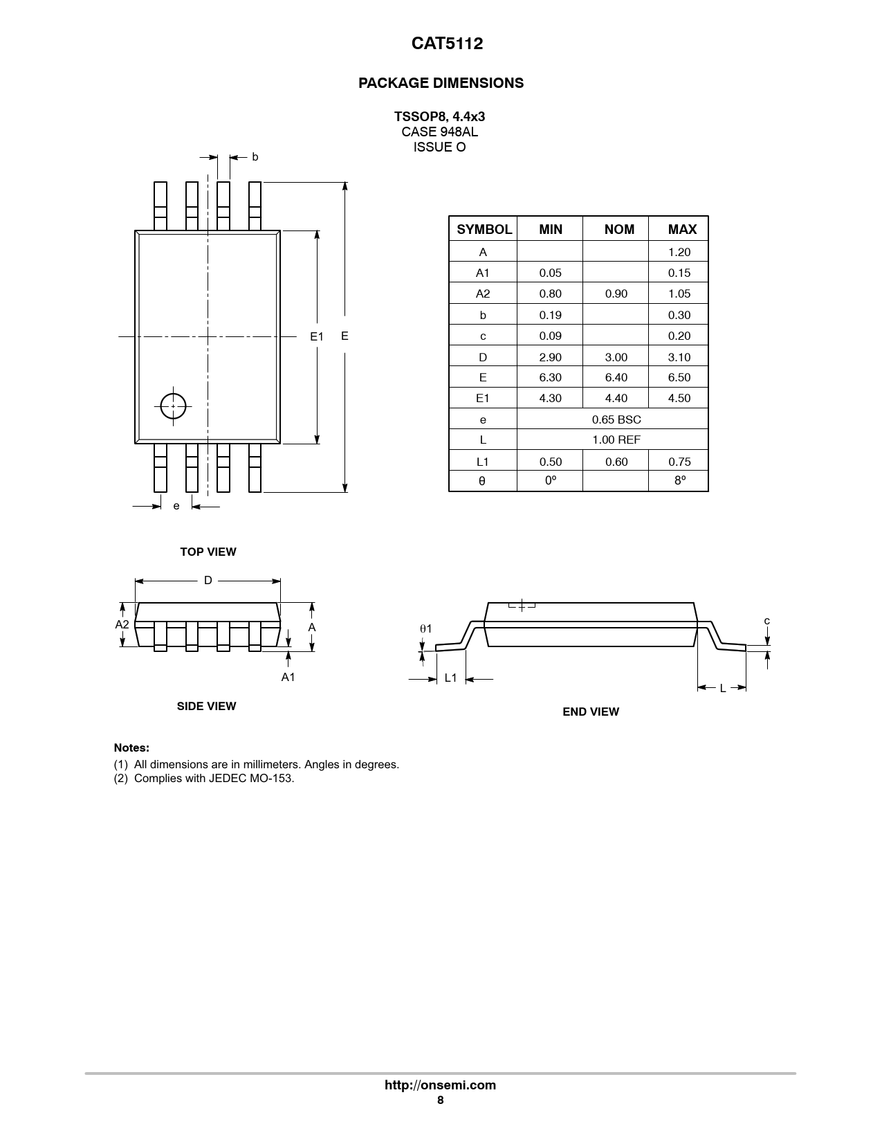
CAT5112 PACKAGE DIMENSIONS TSSOP8, 4.4x3
CASE 948AL ISSUE O b
SYMBOL MIN NOM MAX
A 1.20 A1 0.05 0.15 A2 0.80 0.90 1.05 b 0.19 0.30 E1 E c 0.09 0.20 D 2.90 3.00 3.10 E 6.30 6.40 6.50 E1 4.30 4.40 4.50 e 0.65 BSC L 1.00 REF L1 0.50 0.60 0.75 θ 0º 8º e
TOP VIEW
D A2 c A q1 A1 L1 L
SIDE VIEW END VIEW Notes:
(1) All dimensions are in millimeters. Angles in degrees. (2) Complies with JEDEC MO-153.
http://onsemi.com 8