Datasheet BlueNRG-LPS (STMicroelectronics) - 8

制造商STMicroelectronics
描述Programmable Bluetooth Low Energy Wireless SoC
页数 / 页63 / 8 — BlueNRG-LPS. Power supply management. Figure 3. BlueNRG-LPS RF block …
文件格式/大小PDF / 8.2 Mb
文件语言英语

BlueNRG-LPS. Power supply management. Figure 3. BlueNRG-LPS RF block diagram. 1.6. 1.6.1. SMPS step-down regulator. DS13819. Rev 2

BlueNRG-LPS Power supply management Figure 3 BlueNRG-LPS RF block diagram 1.6 1.6.1 SMPS step-down regulator DS13819 Rev 2

该数据表的模型线

文件文字版本

BlueNRG-LPS Power supply management Figure 3. BlueNRG-LPS RF block diagram
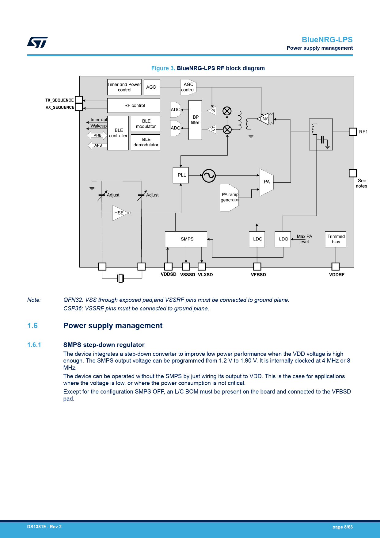
Note: QFN32: VSS through exposed pad,and VSSRF pins must be connected to ground plane. CSP36: VSSRF pins must be connected to ground plane.
1.6 Power supply management 1.6.1 SMPS step-down regulator
The device integrates a step-down converter to improve low power performance when the VDD voltage is high enough. The SMPS output voltage can be programmed from 1.2 V to 1.90 V. It is internally clocked at 4 MHz or 8 MHz. The device can be operated without the SMPS by just wiring its output to VDD. This is the case for applications where the voltage is low, or where the power consumption is not critical. Except for the configuration SMPS OFF, an L/C BOM must be present on the board and connected to the VFBSD pad.
DS13819
-
Rev 2 page 8/63
Document Outline Features Applications Description 1 Functional overview 1.1 System architecture 1.2 Arm® Cortex®-M0+ core with MPU 1.3 Memories 1.3.1 Embedded Flash memory 1.3.2 Embedded SRAM 1.3.3 Embedded ROM 1.3.4 Embedded OTP 1.3.5 Memory protection unit (MPU) 1.4 Security and safety 1.5 RF subsystem 1.5.1 RF front-end block diagram 1.6 Power supply management 1.6.1 SMPS step-down regulator 1.6.2 Power supply schemes 1.6.3 Linear voltage regulators 1.6.4 Power supply supervisor 1.7 Operating modes 1.7.1 RUN mode 1.7.2 DEEPSTOP mode 1.7.3 SHUTDOWN mode 1.8 Reset management 1.9 Clock management 1.10 Boot mode 1.11 Embedded UART bootloader 1.12 General purpose inputs/outputs (GPIO) 1.13 Direct memory access (DMA) 1.14 Nested vectored interrupt controller (NVIC) 1.15 Analog digital converter (ADC) 1.15.1 Temperature sensor 1.16 True random number generator (RNG) 1.17 Timers and watchdog 1.17.1 General-purpose timers (TIM2, TIM16, TIM17) 1.17.2 Independent watchdog (IWDG) 1.17.3 SysTick timer 1.18 Real-time clock (RTC) 1.19 Inter-integrated circuit interface (I2C) 1.20 Universal synchronous/asynchronous receiver transmitter (USART) 1.21 LPUART 1.22 Serial peripheral interface (SPI) 1.23 Inter-IC sound (I2S) 1.24 Serial wire debug port 1.25 TX and RX event alert 1.26 Direction finding 2 Pinouts and pin description 3 Memory mapping 4 Application circuits 5 Electrical characteristics 5.1 Parameter conditions 5.1.1 Minimum and maximum values 5.1.2 Typical values 5.1.3 Typical curves 5.1.4 Loading capacitor 5.1.5 Pin input voltage 5.2 Absolute maximum ratings 5.3 Operating conditions 5.3.1 Summary of main performance 5.3.2 General operating conditions 5.3.3 RF general characteristics 5.3.4 RF transmitter characteristics 5.3.5 RF receiver characteristics 5.3.6 Embedded reset and power control block characteristics 5.3.7 Supply current characteristics 5.3.8 Wake-up time from low power modes 5.3.9 High speed crystal requirements 5.3.10 Low speed crystal requirements 5.3.11 High speed ring oscillator characteristics 5.3.12 Low speed ring oscillator characteristics 5.3.13 PLL characteristics 5.3.14 Flash memory characteristics 5.3.15 Electrostatic discharge (ESD) 5.3.16 I/O port characteristics 5.3.17 RSTN pin characteristics 5.3.18 ADC characteristics 5.3.19 Temperature sensor characteristics 5.3.20 Timer characteristics 5.3.21 I2C interface characteristics 5.3.22 SPI characteristics 6 Package information 6.1 QFN32 (5x5x0.9, pitch 0.5 mm) package information 6.2 WLCSP36 package information 6.3 Thermal characteristics 7 Ordering information Revision history