Datasheet IRLZ44 (Vishay) - 8

制造商Vishay
描述Power MOSFET
页数 / 页9 / 8 — Package Information. TO-220-1. MILLIMETERS. INCHES. DIM. MIN. MAX. Note
文件格式/大小PDF / 901 Kb
文件语言英语

Package Information. TO-220-1. MILLIMETERS. INCHES. DIM. MIN. MAX. Note

Package Information TO-220-1 MILLIMETERS INCHES DIM MIN MAX Note

该数据表的模型线

文件文字版本

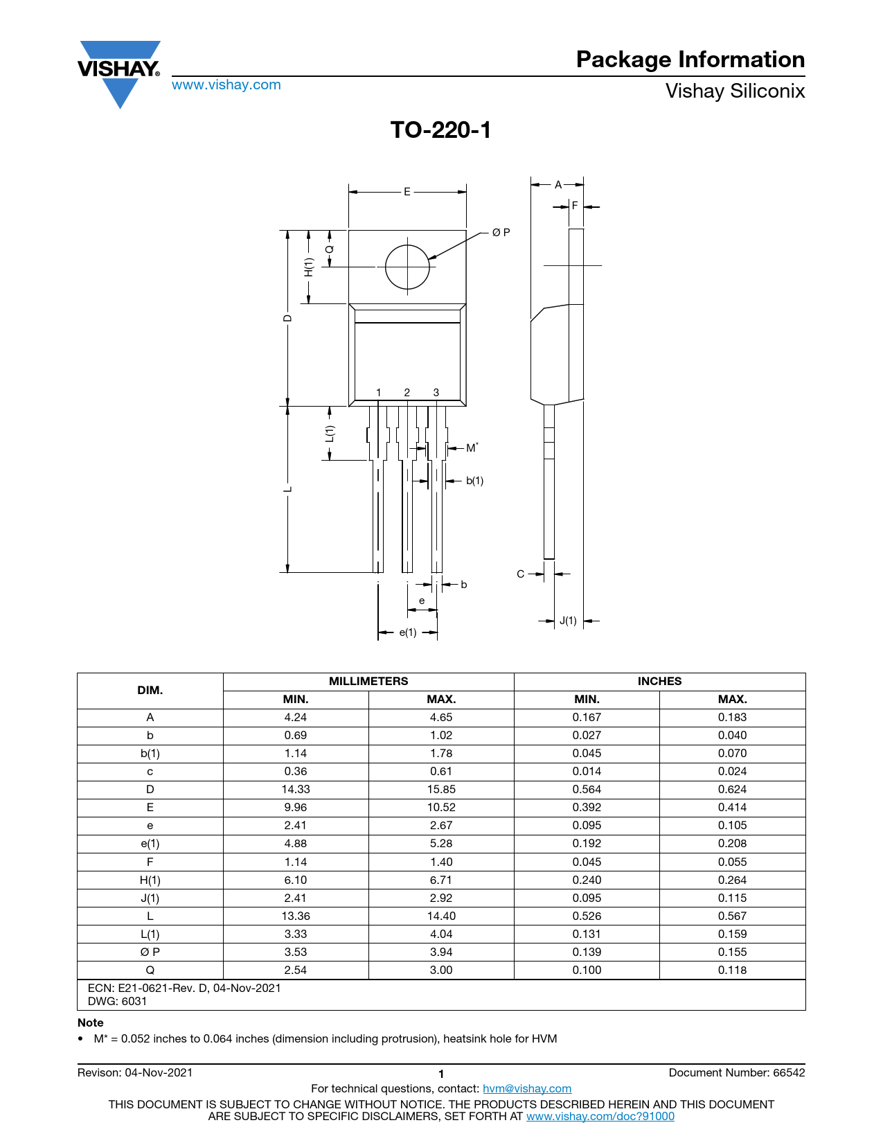
Package Information
www.vishay.com Vishay Siliconix
TO-220-1
A E F Ø P Q H(1) D 1 2 3 L(1) M* b(1) L C b e J(1) e(1)
MILLIMETERS INCHES DIM. MIN. MAX. MIN. MAX.
A 4.24 4.65 0.167 0.183 b 0.69 1.02 0.027 0.040 b(1) 1.14 1.78 0.045 0.070 c 0.36 0.61 0.014 0.024 D 14.33 15.85 0.564 0.624 E 9.96 10.52 0.392 0.414 e 2.41 2.67 0.095 0.105 e(1) 4.88 5.28 0.192 0.208 F 1.14 1.40 0.045 0.055 H(1) 6.10 6.71 0.240 0.264 J(1) 2.41 2.92 0.095 0.115 L 13.36 14.40 0.526 0.567 L(1) 3.33 4.04 0.131 0.159 Ø P 3.53 3.94 0.139 0.155 Q 2.54 3.00 0.100 0.118 ECN: E21-0621-Rev. D, 04-Nov-2021 DWG: 6031
Note
• M* = 0.052 inches to 0.064 inches (dimension including protrusion), heatsink hole for HVM Revison: 04-Nov-2021
1
Document Number: 66542 For technical questions, contact: hvm@vishay.com THIS DOCUMENT IS SUBJECT TO CHANGE WITHOUT NOTICE. THE PRODUCTS DESCRIBED HEREIN AND THIS DOCUMENT ARE SUBJECT TO SPECIFIC DISCLAIMERS, SET FORTH AT www.vishay.com/doc?91000