Datasheet TDA8566 (NXP) - 3
| 制造商 | NXP |
| 描述 | 2 x 40 W/2 ohm stereo BTL car radio power amplifier with differential inputs and diagnostic outputs |
| 页数 / 页 | 21 / 3 — NXP Semiconductors. TDA8566. 40 W/2. stereo BTL car radio power … |
| 文件格式/大小 | PDF / 132 Kb |
| 文件语言 | 英语 |
NXP Semiconductors. TDA8566. 40 W/2. stereo BTL car radio power amplifier. Block diagram. Fig 1. Product data sheet

该数据表的模型线
文件文字版本
NXP Semiconductors TDA8566 2
×
40 W/2
Ω
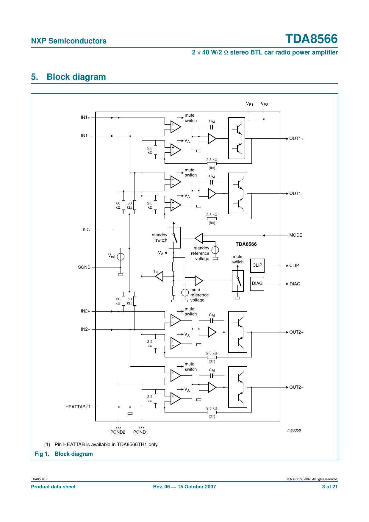
stereo BTL car radio power amplifier 5. Block diagram
V V P1 P2 mute IN1+ switch CM IN1− OUT1+ VA 2.3 kΩ 2.3 kΩ (9×) mute switch CM OUT1− VA 60 60 2.3 kΩ kΩ kΩ 2.3 kΩ (9×) n.c. standby MODE switch
TDA8566
standby VA reference Vref voltage mute switch CLIP SGND CLIP 1× DIAG DIAG mute reference 60 60 voltage kΩ kΩ mute IN2+ switch CM IN2− OUT2+ VA 2.3 kΩ 2.3 kΩ (9×) mute switch CM OUT2− VA 2.3 kΩ HEATTAB(1) 2.3 kΩ (9×) PGND2 PGND1 mgu358 (1) Pin HEATTAB is available in TDA8566TH1 only.
Fig 1. Block diagram
TDA8566_6 © NXP B.V. 2007. All rights reserved.
Product data sheet Rev. 06 — 15 October 2007 3 of 21
Document Outline 1. General description 2. Features 3. Quick reference data 4. Ordering information 5. Block diagram 6. Pinning information 6.1 Pinning 6.2 Pin description 7. Functional description 7.1 Mode select switch (pinMODE) 7.2 Clip detection (pinCLIP) 7.3 Short-circuit diagnostic (pinDIAG) 7.4 Temperature pre-warning (pinDIAG) 7.5 Open-collector diagnostic outputs 7.6 Differential inputs 8. Limiting values 9. Thermal characteristics 10. Static characteristics 11. Dynamic characteristics 12. Application information 12.1 Diagnostic output 12.2 Mode select switch 13. Test information 14. Package outline 15. Soldering 15.1 Introduction to soldering 15.2 Wave and reflow soldering 15.3 Wave soldering 15.4 Reflow soldering 16. Revision history 17. Legal information 17.1 Data sheet status 17.2 Definitions 17.3 Disclaimers 17.4 Trademarks 18. Contact information 19. Contents