Datasheet ADSP-21369 (Analog Devices) - 4

制造商Analog Devices
描述SHARC Processor
页数 / 页60 / 4 — ADSP-21369. SHARC FAMILY CORE ARCHITECTURE. JTAG. FLAG. TIMER INTERRUPT …
修订版H
文件格式/大小PDF / 1.7 Mb
文件语言英语

ADSP-21369. SHARC FAMILY CORE ARCHITECTURE. JTAG. FLAG. TIMER INTERRUPT CACHE. SIMD Core. PM ADDRESS 24. DMD/PMD 64. 5 STAGE

ADSP-21369 SHARC FAMILY CORE ARCHITECTURE JTAG FLAG TIMER INTERRUPT CACHE SIMD Core PM ADDRESS 24 DMD/PMD 64 5 STAGE

该数据表的模型线

文件文字版本

link to page 4
ADSP-21369 SHARC FAMILY CORE ARCHITECTURE
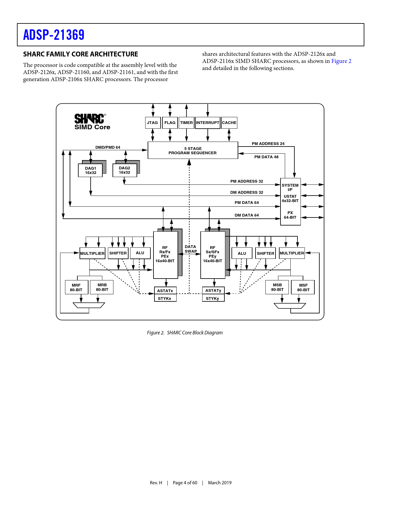
shares architectural features with the ADSP-2126x and ADSP-2116x SIMD SHARC processors, as shown in Figure 2 The processor is code compatible at the assembly level with the and detailed in the following sections. ADSP-2126x, ADSP-21160, and ADSP-21161, and with the first generation ADSP-2106x SHARC processors. The processor S
JTAG FLAG TIMER INTERRUPT CACHE SIMD Core PM ADDRESS 24 DMD/PMD 64 5 STAGE PROGRAM SEQUENCER PM DATA 48 DAG1 DAG2 16x32 16x32 PM ADDRESS 32 SYSTEM I/F DM ADDRESS 32 USTAT 4x32-BIT PM DATA 64 PX DM DATA 64 64-BIT RF DATA RF SWAP MULTIPLIER SHIFTER ALU Rx/Fx Sx/SFx ALU SHIFTER MULTIPLIER PEx PEy 16x40-BIT 16x40-BIT MRF MRB MSB MSF 80-BIT 80-BIT ASTATx ASTATy 80-BIT 80-BIT STYKx STYKy
Figure 2. SHARC Core Block Diagram Rev. H | Page 4 of 60 | March 2019 Document Outline Summary Dedicated Audio Components Table of Contents Revision History General Description SHARC Family Core Architecture SIMD Computational Engine Independent, Parallel Computation Units Data Register File Context Switch Universal Registers Timer Single-Cycle Fetch of Instruction and Four Operands Instruction Cache Data Address Generators with Zero-Overhead Hardware Circular Buffer Support Flexible Instruction Set On-Chip Memory On-Chip Memory Bandwidth ROM-Based Security Family Peripheral Architecture External Port SDRAM Controller External Memory Shared External Memory External Port Throughput Asynchronous Memory Controller Pulse-Width Modulation Digital Applications Interface (DAI) Serial Ports S/PDIF-Compatible Digital Audio Receiver/Transmitter Synchronous/Asynchronous Sample Rate Converter Input Data Port Precision Clock Generators Digital Peripheral Interface (DPI) Serial Peripheral (Compatible) Interface UART Port Peripheral Timers 2-Wire Interface Port (TWI) I/O Processor Features DMA Controller Delay Line DMA System Design Program Booting Power Supplies Target Board JTAG Emulator Connector Development Tools Integrated Development Environments (IDEs) EZ-KIT Lite Evaluation Board EZ-KIT Lite Evaluation Kits Software Add-Ins for CrossCore Embedded Studio Board Support Packages for Evaluation Hardware Middleware Packages Algorithmic Modules Designing an Emulator-Compatible DSP Board (Target) Additional Information Related Signal Chains Pin Function Descriptions Specifications Operating Conditions Electrical Characteristics ESD Caution Maximum Power Dissipation Absolute Maximum Ratings Timing Specifications Core Clock Requirements Voltage Controlled Oscillator Power-Up Sequencing Clock Input Clock Signals Reset Interrupts Core Timer Timer PWM_OUT Cycle Timing Timer WDTH_CAP Timing Pin to Pin Direct Routing (DAI and DPI) Precision Clock Generator (Direct Pin Routing) Flags SDRAM Interface Timing (166 MHz SDCLK) SDRAM Interface Enable/Disable Timing (166 MHz SDCLK) Memory Read Memory Write Asynchronous Memory Interface (AMI) Enable/Disable Shared Memory Bus Request Serial Ports Input Data Port Parallel Data Acquisition Port (PDAP) Pulse-Width Modulation Generators Sample Rate Converter—Serial Input Port Sample Rate Converter—Serial Output Port S/PDIF Transmitter S/PDIF Transmitter—Serial Input Waveforms S/PDIF Transmitter Input Data Timing Oversampling Clock (TxCLK) Switching Characteristics S/PDIF Receiver Internal Digital PLL Mode SPI Interface—Master SPI Interface—Slave JTAG Test Access Port and Emulation Output Drive Currents Test Conditions Capacitive Loading Thermal Characteristics 256-Ball BGA_ED Pinout 208-Lead LQFP_EP Pinout Package Dimensions Surface-Mount Design Ordering Guide