数据表
更多
Only-Datasheet.com
关于我们
合作
广告
联络人
en - English
ru - Русский
de - Deutsch
es - Espanol
搜索
数据表
Datasheet STK984-090A-E (ON Semiconductor)
Datasheet STK984-090A-E (ON Semiconductor) - 2
制造商
ON Semiconductor
描述
20A/40V Integrated Power Module in SIP23 package
页数 / 页
19
/
2
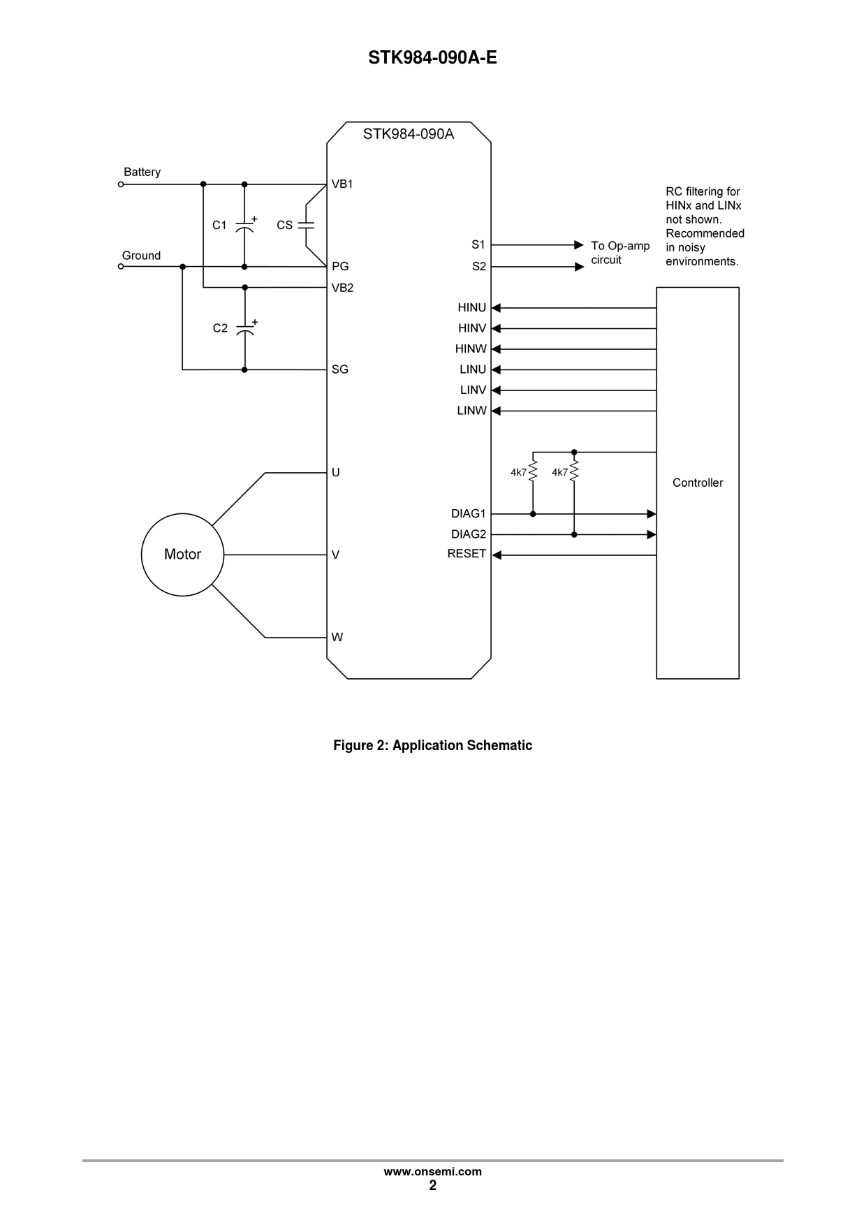
— STK984-090A-E Figure 2: Application Schematic www.onsemi.com 2
修订版
2
文件格式/大小
PDF
/
687 Kb
文件语言
英语
STK984-090A-E Figure 2: Application Schematic www.onsemi.com 2
1
2
3
4
5
...
10
下载 PDF
1
2
3
4
5
...
10
该数据表的模型线
STK984-090A-E
文件文字版本
STK984-090A-E Figure 2: Application Schematic www.onsemi.com 2
联络人
隐私政策
更改隐私设置