Datasheet SID11x2KQ SCALE-iDriver Family (Power Integrations) - 2

制造商Power Integrations
描述Up to 8 A Single Channel IGBT/MOSFET Gate Driver for Automotive Applications Providing Reinforced Galvanic Isolation up to 1200 V Blocking Voltage
页数 / 页22 / 2 — SID11x2KQ. VCE. VGXX. SHORT-CIRCUIT. BOOTSTRAP. VISO. DETECTION. CHARGE …
文件格式/大小PDF / 1.7 Mb
文件语言英语

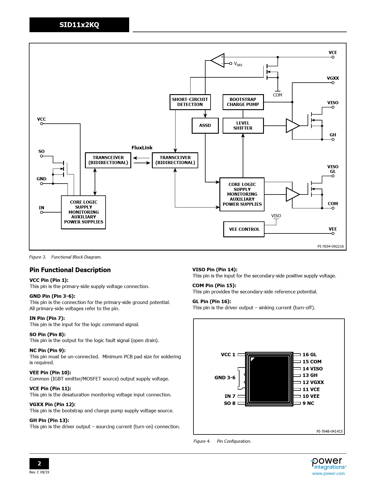
SID11x2KQ. VCE. VGXX. SHORT-CIRCUIT. BOOTSTRAP. VISO. DETECTION. CHARGE PUMP. VCC. LEVEL. ASSD. SHIFTER. FluxLink. TRANSCEIVER. (BIDIRECTIONAL). GND

SID11x2KQ VCE VGXX SHORT-CIRCUIT BOOTSTRAP VISO DETECTION CHARGE PUMP VCC LEVEL ASSD SHIFTER FluxLink TRANSCEIVER (BIDIRECTIONAL) GND

该数据表的模型线

文件文字版本

SID11x2KQ VCE
+ VDES
VGXX
COM
SHORT-CIRCUIT BOOTSTRAP VISO DETECTION CHARGE PUMP VCC LEVEL ASSD SHIFTER GH FluxLink SO TRANSCEIVER TRANSCEIVER (BIDIRECTIONAL) (BIDIRECTIONAL) VISO GL GND CORE LOGIC SUPPLY MONITORING AUXILIARY CORE LOGIC POWER SUPPLIES COM IN SUPPLY MONITORING
VISO
AUXILIARY POWER SUPPLIES VEE CONTROL VEE
PI-7654-092216 Figure 3. Functional Block Diagram.
Pin Functional Description VISO Pin (Pin 14):
This pin is the input for the secondary-side positive supply voltage.
VCC Pin (Pin 1):
This pin is the primary-side supply voltage connection.
COM Pin (Pin 15):
This pin provides the secondary-side reference potential.
GND Pin (Pin 3-6):
This pin is the connection for the primary-side ground potential.
GL Pin (Pin 16):
Al primary-side voltages refer to the pin. This pin is the driver output – sinking current (turn-off).
IN Pin (Pin 7):
This pin is the input for the logic command signal.
SO Pin (Pin 8):
This pin is the output for the logic fault signal (open drain).
NC Pin (Pin 9):
This pin must be un-connected. Minimum PCB pad size for soldering
VCC 1 16 GL
is required.
15 COM 14 VISO VEE Pin (Pin 10): 13 GH
Common (IGBT emitter/MOSFET source) output supply voltage.
GND 3-6 12 VGXX VCE Pin (Pin 11): 11 VCE
This pin is the desaturation monitoring voltage input connection.
IN 7 10 VEE VGXX Pin (Pin 12): SO 8 9 NC
This pin is the bootstrap and charge pump supply voltage source.
GH Pin (Pin 13):
This pin is the driver output – sourcing current (turn-on) connection. PI-7648-041415 Figure 4. Pin Configuration.
2
Rev. C 09/19 www.power.com Document Outline Product Highlights Description Scale-iDriver − Product Portfolio Pin Functional Description SCALE-iDriver Functional Description Application Examples and Components Selection Power Dissipation and IC Junction Temperature Estimation Absolute Maximum Ratings Thermal Resistance Key Electrical Characteristics Typical Performance Characteristics eSOP-R16B (K Package) MSL Table ESD and Latch-Up Table IEC 60664-1 Rating Table Electrical Characteristics (EMI) Table Regulatory Information Table Part Ordering Information