Datasheet LT3995 (Analog Devices) - 9
| 制造商 | Analog Devices |
| 描述 | 60V, 3A, 2MHz Step-Down Switching Regulator with 2.7μA Quiescent Current |
| 页数 / 页 | 24 / 9 — BLOCK DIAGRAM |
| 文件格式/大小 | PDF / 356 Kb |
| 文件语言 | 英语 |
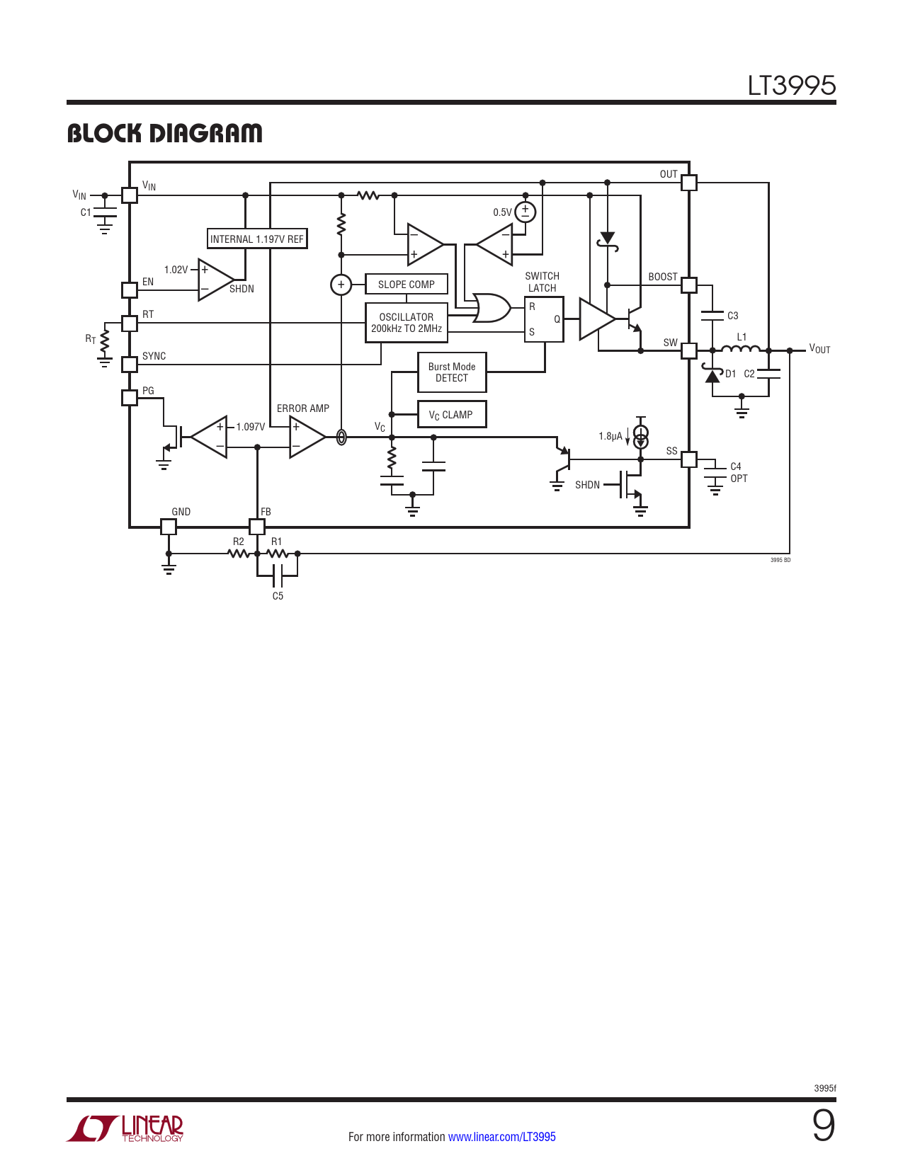
BLOCK DIAGRAM

该数据表的模型线
文件文字版本
LT3995
BLOCK DIAGRAM
OUT VIN VIN C1 0.5V + – – – INTERNAL 1.197V REF + + 1.02V + EN SWITCH BOOST SLOPE COMP – SHDN + LATCH R RT OSCILLATOR C3 Q 200kHz TO 2MHz R S T SW L1 VOUT SYNC Burst Mode DETECT D1 C2 PG ERROR AMP V + 1.097V + C CLAMP VC 1.8µA – – SS C4 SHDN OPT GND FB R2 R1 3995 BD C5 3995f For more information www.linear.com/LT3995 9 Document Outline Features Applications Description Typical Application Absolute Maximum Ratings Order Information Electrical Characteristics Typical Performance Characteristics Pin Functions Block Diagram Operation Applications Information Typical Applications Package Description Typical Application Related Parts