Datasheet MIC6211 (Microchip) - 7
| 制造商 | Microchip |
| 描述 | The MIC6211 op amp is a general-purpose operational amplifier, that operates from 4V to 32V, single or differential (split) supply |
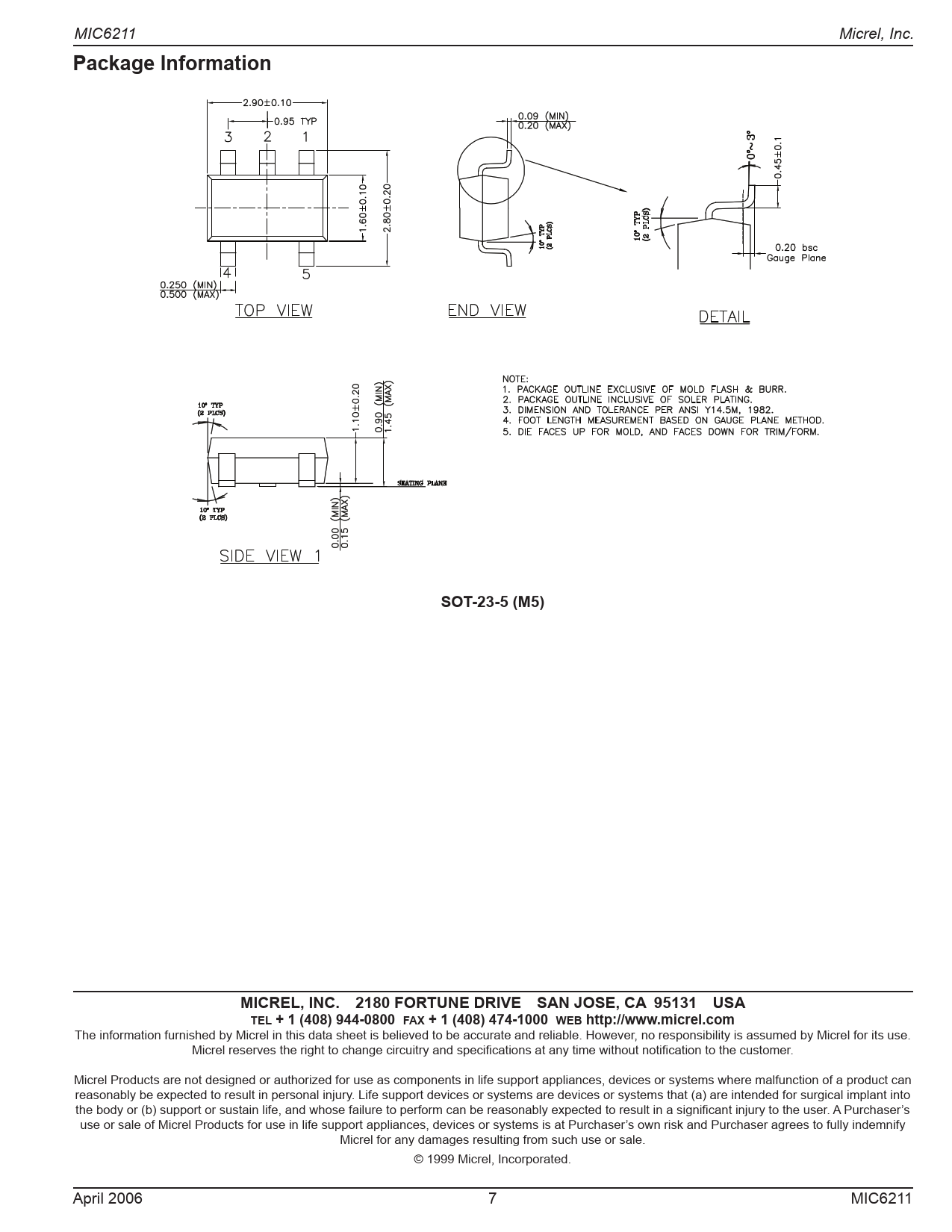
| 页数 / 页 | 7 / 7 — Package Information. SOT-23-5 (M5). MICREL, INC. 2180 FORTUNE DRIVE SAN … |
| 文件格式/大小 | PDF / 990 Kb |
| 文件语言 | 英语 |
Package Information. SOT-23-5 (M5). MICREL, INC. 2180 FORTUNE DRIVE SAN JOSE, CA 95131 USA

该数据表的模型线
文件文字版本
MIC6211 Micrel, Inc.
Package Information SOT-23-5 (M5) MICREL, INC. 2180 FORTUNE DRIVE SAN JOSE, CA 95131 USA TEL + 1 (408) 944-0800 FAX + 1 (408) 474-1000 WEB http://www.micrel.com
The information furnished by Micrel in this data sheet is believed to be accurate and reliable. However, no responsibility is assumed by Micrel for its use. Micrel reserves the right to change circuitry and specifications at any time without notification to the customer. Micrel Products are not designed or authorized for use as components in life support appliances, devices or systems where malfunction of a product can reasonably be expected to result in personal injury. Life support devices or systems are devices or systems that (a) are intended for surgical implant into the body or (b) support or sustain life, and whose failure to perform can be reasonably expected to result in a significant injury to the user. A Purchaser’s use or sale of Micrel Products for use in life support appliances, devices or systems is at Purchaser’s own risk and Purchaser agrees to fully indemnify Micrel for any damages resulting from such use or sale. © 1999 Micrel, Incorporated. April 2006 7 MIC6211