数据表
更多
Only-Datasheet.com
关于我们
合作
广告
联络人
en - English
ru - Русский
de - Deutsch
es - Espanol
搜索
数据表
Datasheet MIC6211 (Microchip)
Datasheet MIC6211 (Microchip) - 5
制造商
Microchip
描述
The MIC6211 op amp is a general-purpose operational amplifier, that operates from 4V to 32V, single or differential (split) supply
页数 / 页
7
/
5
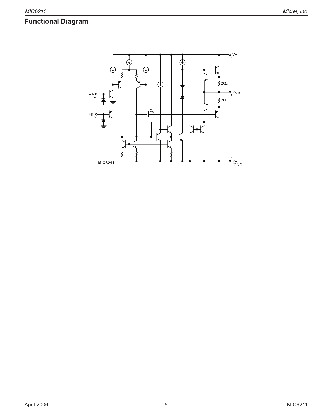
— Functional Diagram. MIC6211
文件格式/大小
PDF
/
990 Kb
文件语言
英语
Functional Diagram. MIC6211
1
2
...
4
5
6
7
下载 PDF
1
2
...
4
5
6
7
该数据表的模型线
MIC6211
MIC6211YM5-TR
文件文字版本
MIC6211 Micrel, Inc.
Functional Diagram
V+ 5 20Ω VOUT –IN 1 4 20Ω CC +IN3 2V–
MIC6211
(GND) April 2006 5 MIC6211
联络人
隐私政策
更改隐私设置