Datasheet LT3080 (Analog Devices) - 21
| 制造商 | Analog Devices |
| 描述 | Adjustable 1.1A Single Resistor Low Dropout Regulator |
| 页数 / 页 | 28 / 21 — Typical applicaTions. Adjustable High Efficiency Regulator*. 2 Terminal … |
| 文件格式/大小 | PDF / 385 Kb |
| 文件语言 | 英语 |
Typical applicaTions. Adjustable High Efficiency Regulator*. 2 Terminal Current Source

该数据表的模型线
文件文字版本
LT3080
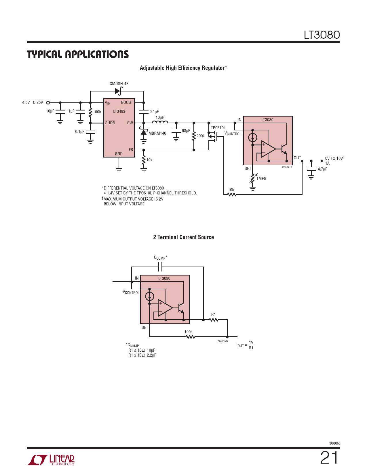
Typical applicaTions Adjustable High Efficiency Regulator*
CMDSH-4E 4.5V TO 25V† VIN BOOST 10µF 1µF 100k LT3493 0.1µF 10µH IN LT3080 SHDN SW TP0610L 0.1µF 68µF MBRM140 VCONTROL 200k + FB GND – 10k OUT 0V TO 10V† 1A 3080 TA16 SET 4.7µF 1MEG *DIFFERENTIAL VOLTAGE ON LT3080 10k ≈ 1.4V SET BY THE TPO610L P-CHANNEL THRESHOLD. †MAXIMUM OUTPUT VOLTAGE IS 2V BELOW INPUT VOLTAGE
2 Terminal Current Source
CCOMP* IN LT3080 VCONTROL + – R1 SET 100k 3080 TA17 *CCOMP IOUT = 1V R1 ≤ 10Ω 10µF R1 R1 ≥ 10Ω 2.2µF 3080fc 21 Document Outline Features Applications Description Typical Application Absolute Maximum Ratings Pin Configuration Order Information Electrical Characteristics Typical Performance Characteristics Pin Functions Block Diagram Applications Information Typical Applications Package Description Revision History Typical Application Related Parts