Datasheet ADP5300 (Analog Devices) - 3
| 制造商 | Analog Devices |
| 描述 | 50 mA/500 mA, High Efficiency, Ultralow Power Step-Down Regulator |
| 页数 / 页 | 21 / 3 — Data Sheet. ADP5300. DETAILED FUNCTIONAL BLOCK DIAGRAM. PVIN. VOUTOK. … |
| 修订版 | B |
| 文件格式/大小 | PDF / 746 Kb |
| 文件语言 | 英语 |
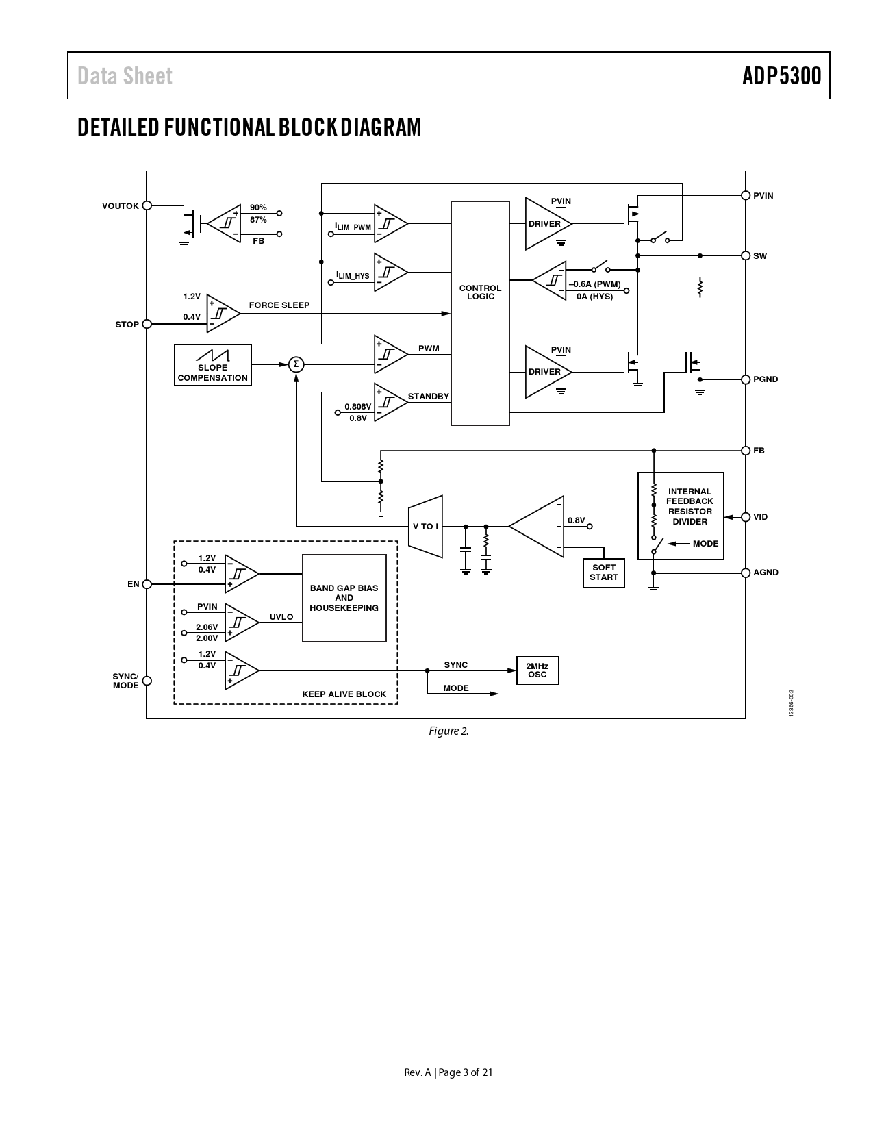
Data Sheet. ADP5300. DETAILED FUNCTIONAL BLOCK DIAGRAM. PVIN. VOUTOK. 90%. 87%. DRIVER. LIM_PWM. ILIM_HYS. CONTROL. –0.6A (PWM). 1.2V. LOGIC

该数据表的模型线
文件文字版本
Data Sheet ADP5300 DETAILED FUNCTIONAL BLOCK DIAGRAM PVIN PVIN VOUTOK 90% 87% I DRIVER LIM_PWM FB SW ILIM_HYS CONTROL –0.6A (PWM) 1.2V LOGIC 0A (HYS) FORCE SLEEP 0.4V STOP PWM PVIN Σ SLOPE DRIVER COMPENSATION PGND STANDBY 0.808V 0.8V FB INTERNAL FEEDBACK RESISTOR 0.8V VID DIVIDER V TO I MODE 1.2V SOFT 0.4V AGND START EN BAND GAP BIAS AND PVIN HOUSEKEEPING UVLO 2.06V 2.00V 1.2V 0.4V SYNC 2MHz SYNC/ OSC MODE MODE KEEP ALIVE BLOCK
002 13366- Figure 2. Rev. A | Page 3 of 21 Document Outline FEATURES APPLICATIONS TYPICAL APPLICATION CIRCUIT GENERAL DESCRIPTION REVISION HISTORY DETAILED FUNCTIONAL BLOCK DIAGRAM SPECIFICATIONS ABSOLUTE MAXIMUM RATINGS THERMAL RESISTANCE ESD CAUTION PIN CONFIGURATION AND FUNCTION DESCRIPTIONS TYPICAL PERFORMANCE CHARACTERISTICS THEORY OF OPERATION BUCK REGULATOR OPERATIONAL MODES PWM Mode Hysteresis Mode Mode Selection OSILLATOR AND SYNCHRONIZATION ADJUSTABLE AND FIXED OUTPUT VOLTAGES UNDERVOLTAGE LOCKOUT (UVLO) ENABLE/DISABLE CURRENT LIMIT SHORT-CIRCUIT PROTECTION SOFT START STARTUP WITH PRECHARGED OUTPUT 100% DUTY OPERATION ACTIVE DISCHARGE VOUTOK FUNCTION STOP SWITCHING THERMAL SHUTDOWN APPLICATIONS INFORMATION EXTERNAL COMPONENT SELECTION SELECTING THE INDUCTOR OUTPUT CAPACITOR INPUT CAPACITOR EFFICIENCY Power Switch Conduction Losses Inductor Losses Driver Losses Transition Losses CIRCUIT BOARD LAYOUT RECOMMENDATIONS TYPICAL APPLICATION CIRCUITS FACTORY PROGRAMMABLE OPTIONS OUTLINE DIMENSIONS ORDERING GUIDE