Datasheet WS2812B - 4

描述Intelligent control LED integrated light source
页数 / 页5 / 4 — Cascade method:. Data transmission method
文件格式/大小PDF / 355 Kb
文件语言英语

Cascade method:. Data transmission method

Cascade method: Data transmission method

该数据表的模型线

文件文字版本

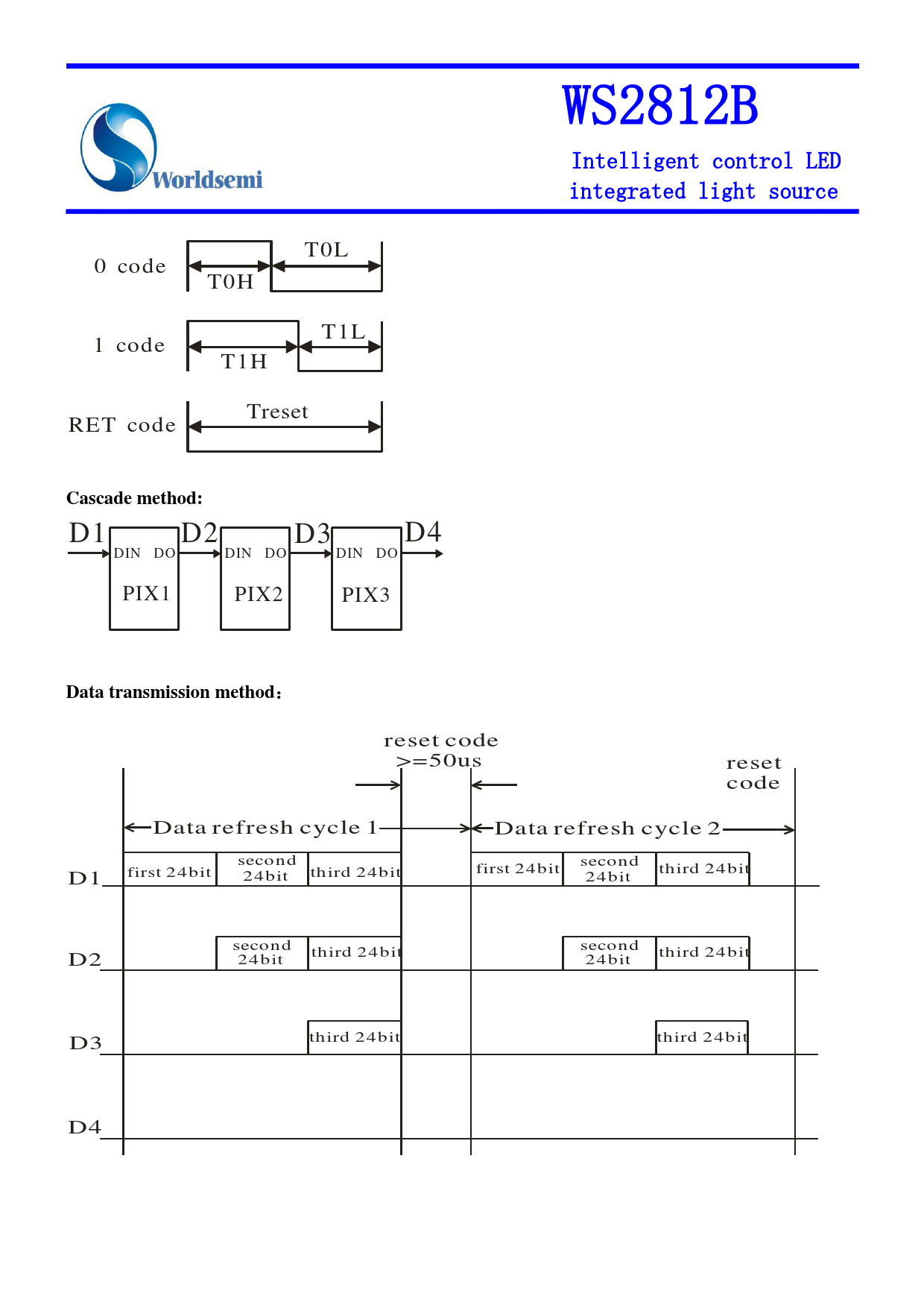
WS2812B Intelligent control LED integrated light source T0L 0 code T0H T1L 1 code T1H Treset RET code
Cascade method:
D1 D2 D3 D4 DIN DO DIN DO DIN DO PIX1 PIX2 PIX3
Data transmission method
: reset code >=50us reset code Data refresh cycle 1 Data refresh cycle 2 seco n d seco n d first 2 4 b it th ird 2 4 b it 2 4 b it th ird 2 4 b it first 2 4 b it 2 4 b it D1 seco n d seco n d th ird 2 4 b it th ird 2 4 b it D2 2 4 b it 2 4 b it th ird 2 4 b it th ird 2 4 b it D3 D4