Datasheet 74HC590 - 3
| 描述 | 8-bit binary counter with output register; 3-state |
| 页数 / 页 | 21 / 3 — NXP Semiconductors. 74HC590. 8-bit binary counter with output register; … |
| 文件格式/大小 | PDF / 502 Kb |
| 文件语言 | 英语 |
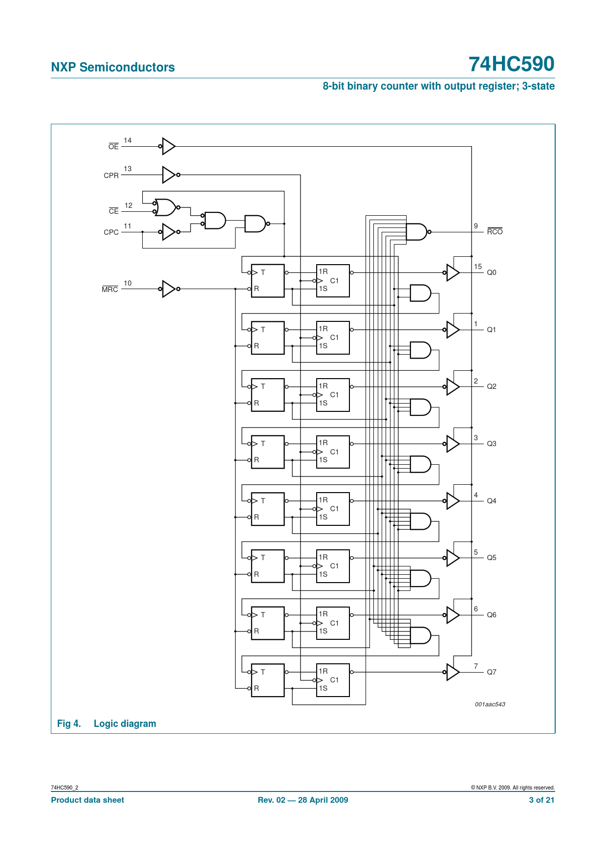
NXP Semiconductors. 74HC590. 8-bit binary counter with output register; 3-state. Fig 4. Logic diagram. Product data sheet

该数据表的模型线
文件文字版本
NXP Semiconductors 74HC590 8-bit binary counter with output register; 3-state
14 OE 13 CPR 12 CE 11 9 CPC RCO 15 T 1R Q0 C1 10 MRC R 1S 1 T 1R Q1 C1 R 1S 2 T 1R Q2 C1 R 1S 3 T 1R Q3 C1 R 1S 4 T 1R Q4 C1 R 1S 5 T 1R Q5 C1 R 1S 6 T 1R Q6 C1 R 1S 7 T 1R Q7 C1 R 1S 001aac543
Fig 4. Logic diagram
74HC590_2 © NXP B.V. 2009. All rights reserved.
Product data sheet Rev. 02 — 28 April 2009 3 of 21
Document Outline 1. General description 2. Features 3. Ordering information 4. Functional diagram 5. Pinning information 5.1 Pinning 5.2 Pin description 6. Functional description 7. Limiting values 8. Recommended operating conditions 9. Static characteristics 10. Dynamic characteristics 11. Waveforms 12. Package outline 13. Abbreviations 14. Revision history 15. Legal information 15.1 Data sheet status 15.2 Definitions 15.3 Disclaimers 15.4 Trademarks 16. Contact information 17. Contents