Datasheet MAT04 (Analog Devices) - 7

制造商Analog Devices
描述Matched Monolithic Quad Transistor
页数 / 页12 / 7 — MAT04. NONLINEAR FUNCTIONS
文件格式/大小PDF / 874 Kb
文件语言英语

MAT04. NONLINEAR FUNCTIONS

MAT04 NONLINEAR FUNCTIONS

该数据表的模型线

文件文字版本

MAT04
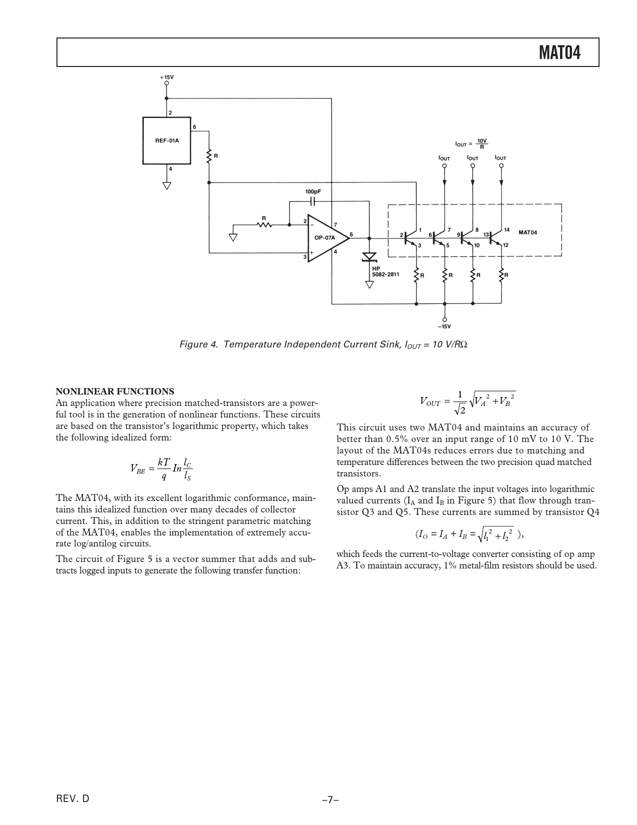
Figure 4. Temperature Independent Current Sink, IOUT = 10 V/RΩ
NONLINEAR FUNCTIONS
1 2 2 An application where precision matched-transistors are a power- V = + OUT VA VB ful tool is in the generation of nonlinear functions. These circuits 2 are based on the transistor’s logarithmic property, which takes This circuit uses two MAT04 and maintains an accuracy of the following idealized form: better than 0.5% over an input range of 10 mV to 10 V. The layout of the MAT04s reduces errors due to matching and kT l temperature differences between the two precision quad matched V C = BE In transistors. q lS Op amps A1 and A2 translate the input voltages into logarithmic The MAT04, with its excellent logarithmic conformance, main- valued currents (IA and IB in Figure 5) that flow through tran- tains this idealized function over many decades of collector sistor Q3 and Q5. These currents are summed by transistor Q4 current. This, in addition to the stringent parametric matching of the MAT04, enables the implementation of extremely accu- (I 2 2 O = IA + IB = + ), 1 2 rate log/antilog circuits. l l which feeds the current-to-voltage converter consisting of op amp The circuit of Figure 5 is a vector summer that adds and sub- A3. To maintain accuracy, 1% metal-film resistors should be used. tracts logged inputs to generate the following transfer function: REV. D –7–