Datasheet FL5150, FL5160 (ON Semiconductor) - 5
| 制造商 | ON Semiconductor |
| 描述 | IGBT and MOSFET AC Phase Cut Dimmer Controller |
| 页数 / 页 | 23 / 5 — RZC Monitor RSENSE1 OC Sense1 ZC Monitor DRV Gate DIM Control C1 DIM Mode … |
| 文件格式/大小 | PDF / 1.0 Mb |
| 文件语言 | 英语 |
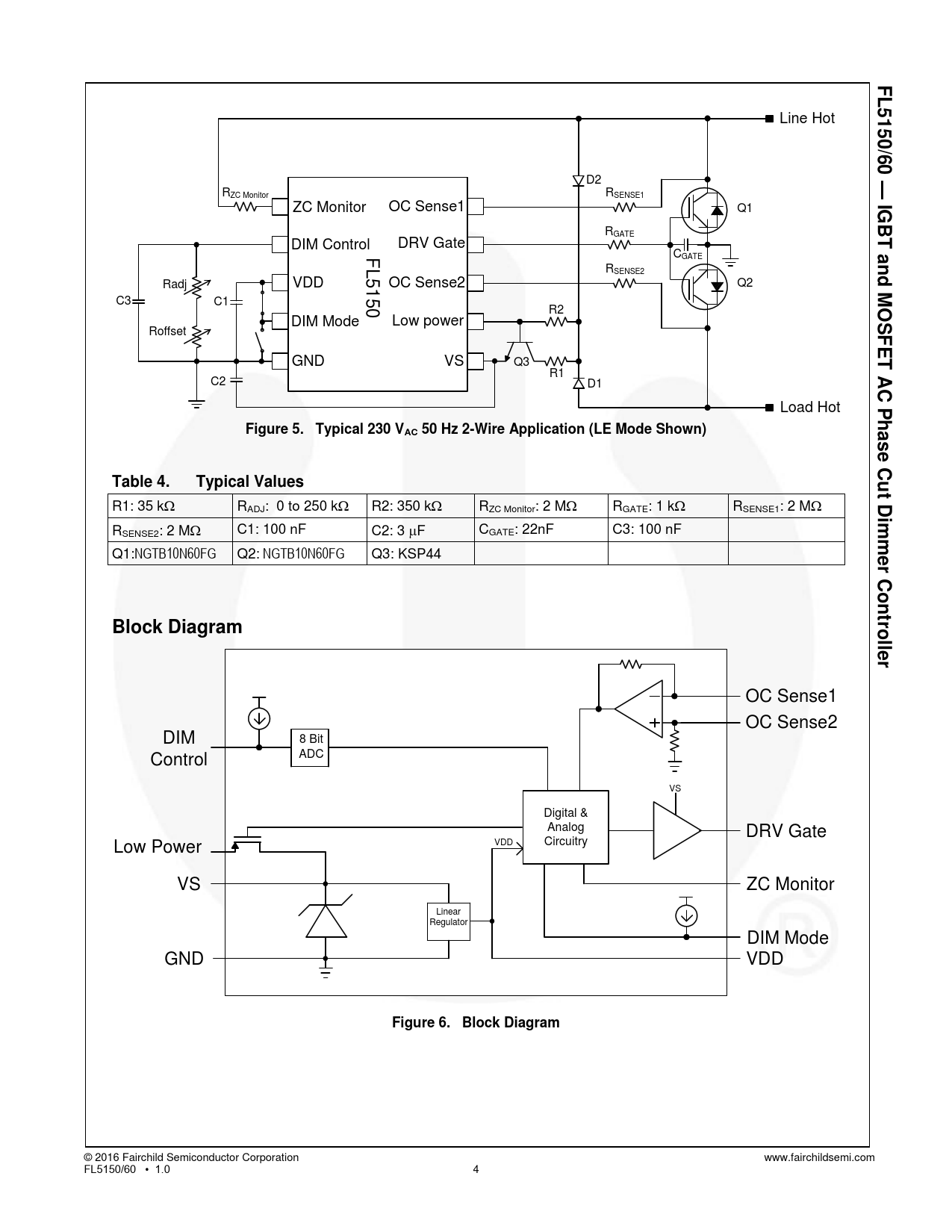
RZC Monitor RSENSE1 OC Sense1 ZC Monitor DRV Gate DIM Control C1 DIM Mode Roffset FL5150 VDD Radj. C3 Q1. RGATE. CGATE

该数据表的模型线
文件文字版本
D2
RZC Monitor RSENSE1 OC Sense1 ZC Monitor DRV Gate DIM Control C1 DIM Mode Roffset FL5150 VDD Radj
C3 Q1
RGATE
CGATE
RSENSE2 OC Sense2 Q2
R2 Low power
VS GND Q3 C2 R1 D1 Load Hot
Figure 5. Typical 230 VAC 50 Hz 2-Wire Application (LE Mode Shown) Table 4. Typical Values R1: 35 k RADJ: 0 to 250 k R2: 350 k RZC Monitor: 2 M RGATE: 1 k RSENSE2: 2 M C1: 100 nF C2: 3 F CGATE: 22nF C3: 100 nF Q1:NGTB10N60FG Q2: NGTB10N60FG Q3: KSP44 RSENSE1: 2 M Block Diagram FL5150/60 — IGBT and MOSFET AC Phase Cut Dimmer Controller Line Hot OC Sense1
DIM
Control OC Sense2
8 Bit
ADC
VS VDD Low Power Digital &
Analog
Circuitry VS DRV Gate
ZC Monitor Linear
Regulator DIM Mode
VDD GND Figure 6. Block Diagram © 2016 Fairchild Semiconductor Corporation
FL5150/60 • 1.0 www.fairchildsemi.com
4