Datasheet TS4061 (STMicroelectronics) - 10
| 制造商 | STMicroelectronics |
| 描述 | Precision Micropower Shunt Voltage Reference |
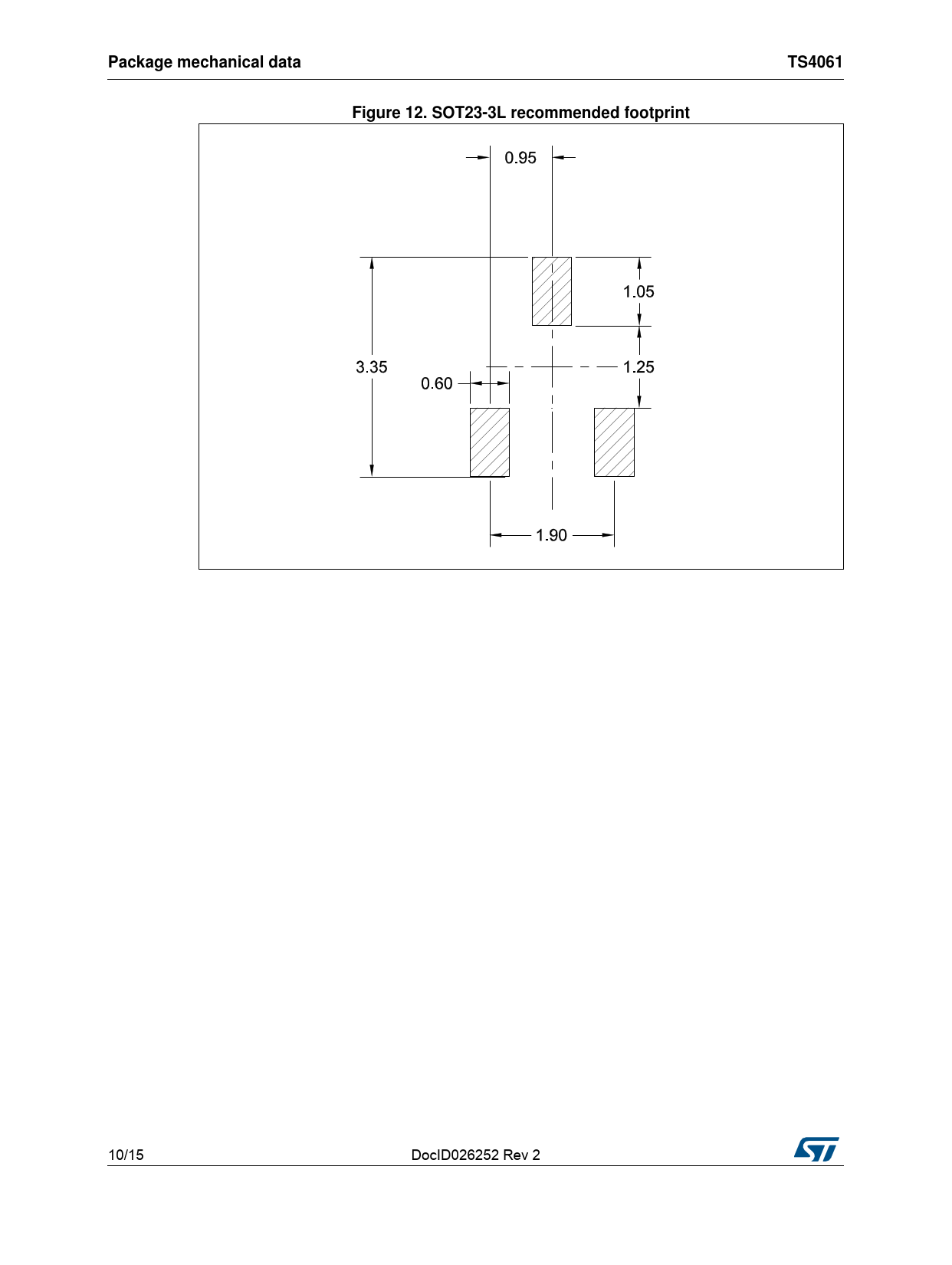
| 页数 / 页 | 15 / 10 — Package mechanical data. TS4061. Figure 12. SOT23-3L recommended footprint |
| 文件格式/大小 | PDF / 661 Kb |
| 文件语言 | 英语 |
Package mechanical data. TS4061. Figure 12. SOT23-3L recommended footprint

该数据表的模型线
文件文字版本
Package mechanical data TS4061 Figure 12. SOT23-3L recommended footprint
10/15 DocID026252 Rev 2 Document Outline 1 Pin configuration Figure 1. Pin configuration SOT23-3L, SOT323-3L (top view) 2 Maximum ratings Table 1. Absolute maximum ratings Table 2. Thermal data Table 3. Operating conditions 3 Electrical characteristics Table 4. Electrical characteristics for TS4061 4 Typical performance characteristics Figure 2. VK change vs temperature (1.225 V version) Figure 3. VK change vs temperature (1.25 V version) Figure 4. IKmin minimum current for regulation Figure 5. IKmin minimum current for regulation vs temperature Figure 6. Output impedance vs frequency Figure 7. Forward characteristics Figure 8. Start-up waveform (no Cload) Figure 9. Start-up waveform (Cload = 100 nF) Figure 10. Low frequency noise 5 Package mechanical data 5.1 SOT23-3L, TS4061 Figure 11. SOT23-3L mechanical drawings Table 5. SOT23-3L mechanical data Figure 12. SOT23-3L recommended footprint 5.2 SOT323-3L, TS4061 Figure 13. SOT323-3L drawings Table 6. SOT323-3L mechanical data Figure 14. SOT323-3L recommended footprint 6 Ordering information Table 7. Order codes 7 Revision history Table 8. Document revision history