Datasheet NCP431A, SC431A, NCP431B, SC431B, NCP432B, SC432B (ON Semiconductor) - 9

制造商ON Semiconductor
描述Programmable Precision References
页数 / 页22 / 9 — NCP431A, SC431A, NCP431B, SC431B, NCP432B, SC432B Series. TYPICAL …
文件格式/大小PDF / 711 Kb
文件语言英语

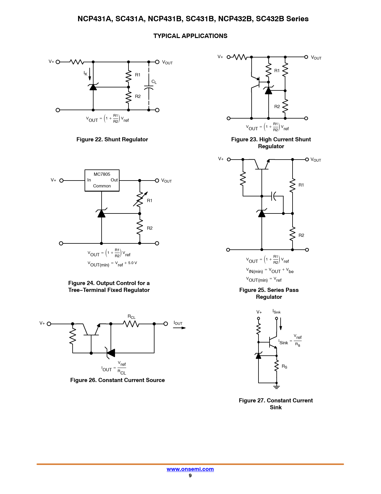
NCP431A, SC431A, NCP431B, SC431B, NCP432B, SC432B Series. TYPICAL APPLICATIONS. Figure 22. Shunt Regulator

NCP431A, SC431A, NCP431B, SC431B, NCP432B, SC432B Series TYPICAL APPLICATIONS Figure 22 Shunt Regulator

该数据表的模型线

文件文字版本

NCP431A, SC431A, NCP431B, SC431B, NCP432B, SC432B Series TYPICAL APPLICATIONS
V+ VOUT V+ VOUT I R1 K R1 CL R2 R2 R1 V Ǔ OUT + ǒ1 ) V R2 ref R1 V Ǔ OUT + ǒ1 ) V R2 ref
Figure 22. Shunt Regulator Figure 23. High Current Shunt Regulator
V+ VOUT MC7805 V+ In Out VOUT Common R1 R1 R2 R2 R1 V Ǔ OUT + ǒ1 ) V R2 ref R1 V Ǔ V V OUT + ǒ1 ) ref OUT(min) + Vref ) 5.0 V R2 VIN(min) + VOUT ) Vbe V
Figure 24. Output Control for a
OUT(min) + Vref
Tree−Terminal Fixed Regulator Figure 25. Series Pass Regulator
V+ ISink RCL V+ IOUT Vref ISink + Rs Vref I R OUT + S RCL
Figure 26. Constant Current Source Figure 27. Constant Current Sink www.onsemi.com 9