Datasheet AZ431-A (Diodes) - 3
| 制造商 | Diodes |
| 描述 | Adjustable Precision Shunt Regulators |
| 页数 / 页 | 19 / 3 — AZ431-A. Typical Applications Circuit. Precision 5V 1A Regulator. PWM … |
| 文件格式/大小 | PDF / 573 Kb |
| 文件语言 | 英语 |
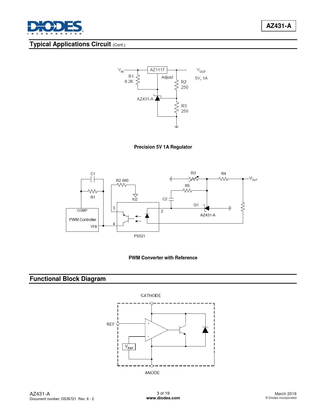
AZ431-A. Typical Applications Circuit. Precision 5V 1A Regulator. PWM Converter with Reference. Functional Block Diagram

该数据表的模型线
文件文字版本
AZ431-A Typical Applications Circuit
(Cont.)
Precision 5V 1A Regulator PWM Converter with Reference Functional Block Diagram
AZ431-A 3 of 19 March 2018 Document number: DS36721 Rev. 6 - 2
www.diodes.com
© Diodes Incorporated