Datasheet LM431SA, LM431SB, LM431SC (ON Semiconductor) - 10
| 制造商 | ON Semiconductor |
| 描述 | Programmable Shunt Regulator |
| 页数 / 页 | 12 / 10 — PACKAGE DIMENSIONS. SOT−23. GENERIC. MARKING DIAGRAM*. DOCUMENT NUMBER: … |
| 文件格式/大小 | PDF / 412 Kb |
| 文件语言 | 英语 |
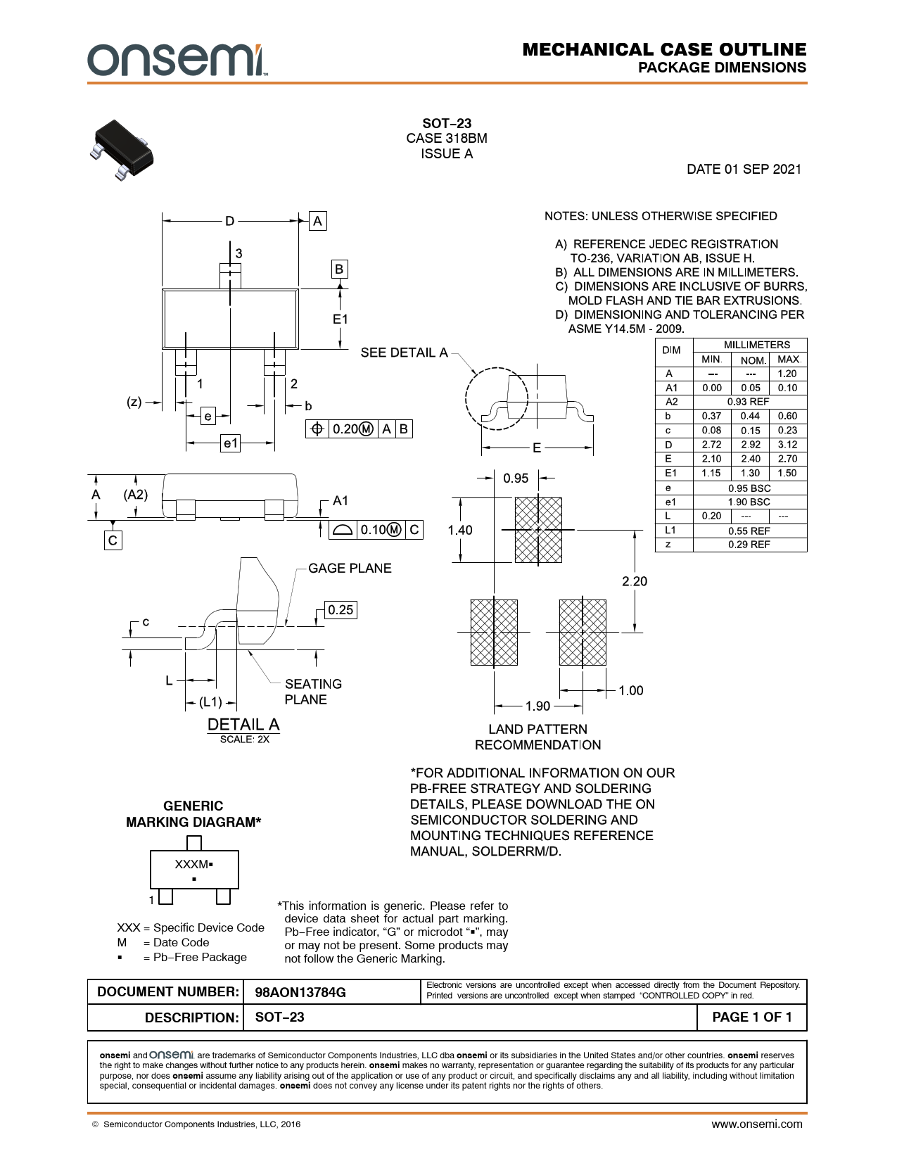
PACKAGE DIMENSIONS. SOT−23. GENERIC. MARKING DIAGRAM*. DOCUMENT NUMBER: 98AON13784G. DESCRIPTION:. PAGE 1 OF 1. onsemi

该数据表的模型线
文件文字版本
MECHANICAL CASE OUTLINE
PACKAGE DIMENSIONS SOT−23
CASE 318BM ISSUE A DATE 01 SEP 2021
GENERIC MARKING DIAGRAM*
XXXMG G 1 *This information is generic. Please refer to device data sheet for actual part marking. XXX = Specific Device Code Pb−Free indicator, “G” or microdot “G”, may M = Date Code or may not be present. Some products may G = Pb−Free Package not follow the Generic Marking.
DOCUMENT NUMBER: 98AON13784G
Electronic versions are uncontrolled except when accessed directly from the Document Repository. Printed versions are uncontrolled except when stamped “CONTROLLED COPY” in red.
DESCRIPTION: SOT−23 PAGE 1 OF 1 onsemi
and are trademarks of Semiconductor Components Industries, LLC dba
onsemi
or its subsidiaries in the United States and/or other countries.
onsemi
reserves the right to make changes without further notice to any products herein.
onsemi
makes no warranty, representation or guarantee regarding the suitability of its products for any particular purpose, nor does
onsemi
assume any liability arising out of the application or use of any product or circuit, and specifically disclaims any and all liability, including without limitation special, consequential or incidental damages.
onsemi
does not convey any license under its patent rights nor the rights of others. © Semiconductor Components Industries, LLC, 2016 www.onsemi.com