Datasheet VLMS1300, VLMO1300, VLMY130., VLMG1300, VLMTG1300, VLMB13 (Vishay) - 9

制造商Vishay
描述Highbright 0603 ChipLED
页数 / 页13 / 9 — VLMS1300, VLMO1300, VLMY130., VLMG1300, VLMTG1300, VLMB13.. TAPE …
文件格式/大小PDF / 264 Kb
文件语言英语

VLMS1300, VLMO1300, VLMY130., VLMG1300, VLMTG1300, VLMB13.. TAPE DIMENSIONS

VLMS1300, VLMO1300, VLMY130., VLMG1300, VLMTG1300, VLMB13. TAPE DIMENSIONS

该数据表的模型线

文件文字版本

VLMS1300, VLMO1300, VLMY130., VLMG1300, VLMTG1300, VLMB13..
www.vishay.com Vishay Semiconductors
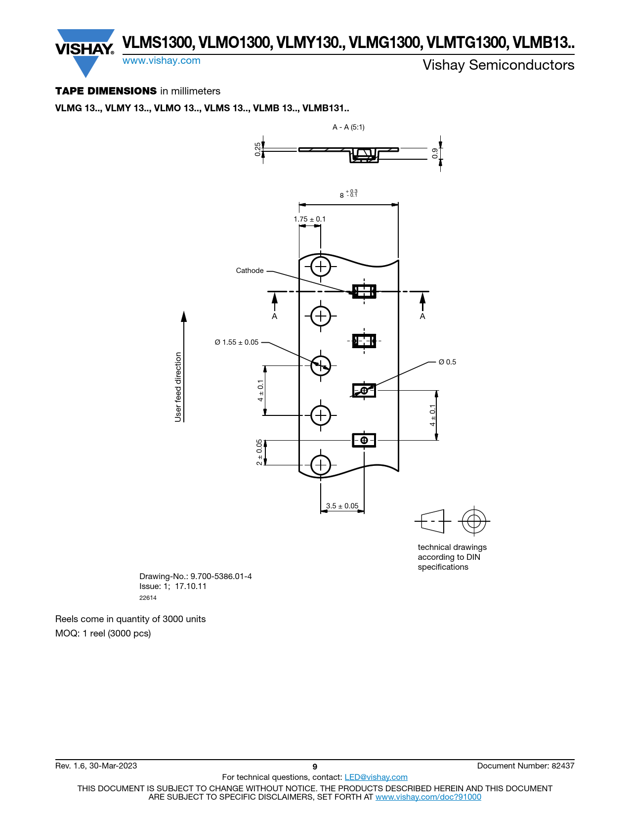
TAPE DIMENSIONS
in millimeters
VLMG 13.., VLMY 13.., VLMO 13.., VLMS 13.., VLMB 13.., VLMB131..
A - A (5:1) 0.25 0.9 + 0.3 8 - 0.1 1.75 ± 0.1 Cathode A A Ø 1.55 ± 0.05 Ø 0.5 4 ± 0.1 er feed direction s U 4 ± 0.1 2 ± 0.05 3.5 ± 0.05 technical drawings according to DIN specifications Drawing-No.: 9.700-5386.01-4 Issue: 1; 17.10.11 22614 Reels come in quantity of 3000 units MOQ: 1 reel (3000 pcs) Rev. 1.6, 30-Mar-2023
9
Document Number: 82437 For technical questions, contact: LED@vishay.com THIS DOCUMENT IS SUBJECT TO CHANGE WITHOUT NOTICE. THE PRODUCTS DESCRIBED HEREIN AND THIS DOCUMENT ARE SUBJECT TO SPECIFIC DISCLAIMERS, SET FORTH AT www.vishay.com/doc?91000