Datasheet AN431 (Diodes) - 3
| 制造商 | Diodes |
| 描述 | Adjustable Precision Shunt Regulators |
| 页数 / 页 | 13 / 3 — A Product Line of. Diodes Incorporated. AN431. Typical Applications … |
| 文件格式/大小 | PDF / 364 Kb |
| 文件语言 | 英语 |
A Product Line of. Diodes Incorporated. AN431. Typical Applications Circuit. Functional Block Diagram. www.diodes.com

该数据表的模型线
文件文字版本
A Product Line of Diodes Incorporated AN431 Typical Applications Circuit
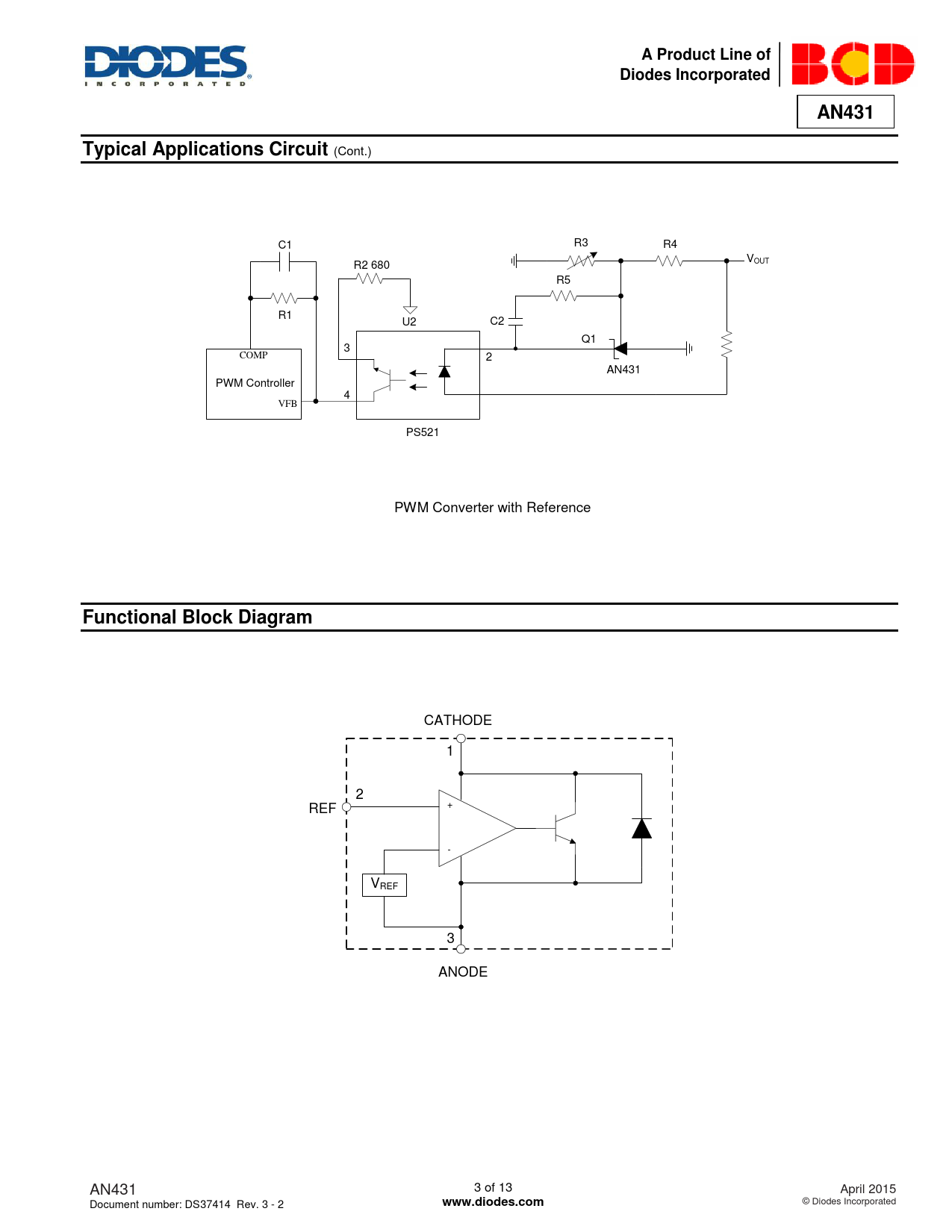
(Cont.) C1 R3 R4 V R2 680 OUT R5 R1 U2 C2 Q1 3 COMP 2 AN431 PWM Controller 4 VFB PS521 PWM Converter with Reference
Functional Block Diagram
CATHODE 1 2 REF + - VREF 3 ANODE AN431 3 of 13 April 2015 Document number: DS37414 Rev. 3 - 2
www.diodes.com
© Diodes Incorporated