Datasheet AL58221 (Diodes) - 3
| 制造商 | Diodes |
| 描述 | 12-Channel RGB LED Driver |
| 页数 / 页 | 26 / 3 — AL58221. Functional Block Diagram. www.diodes.com |
| 文件格式/大小 | PDF / 861 Kb |
| 文件语言 | 英语 |
AL58221. Functional Block Diagram. www.diodes.com

该数据表的模型线
文件文字版本
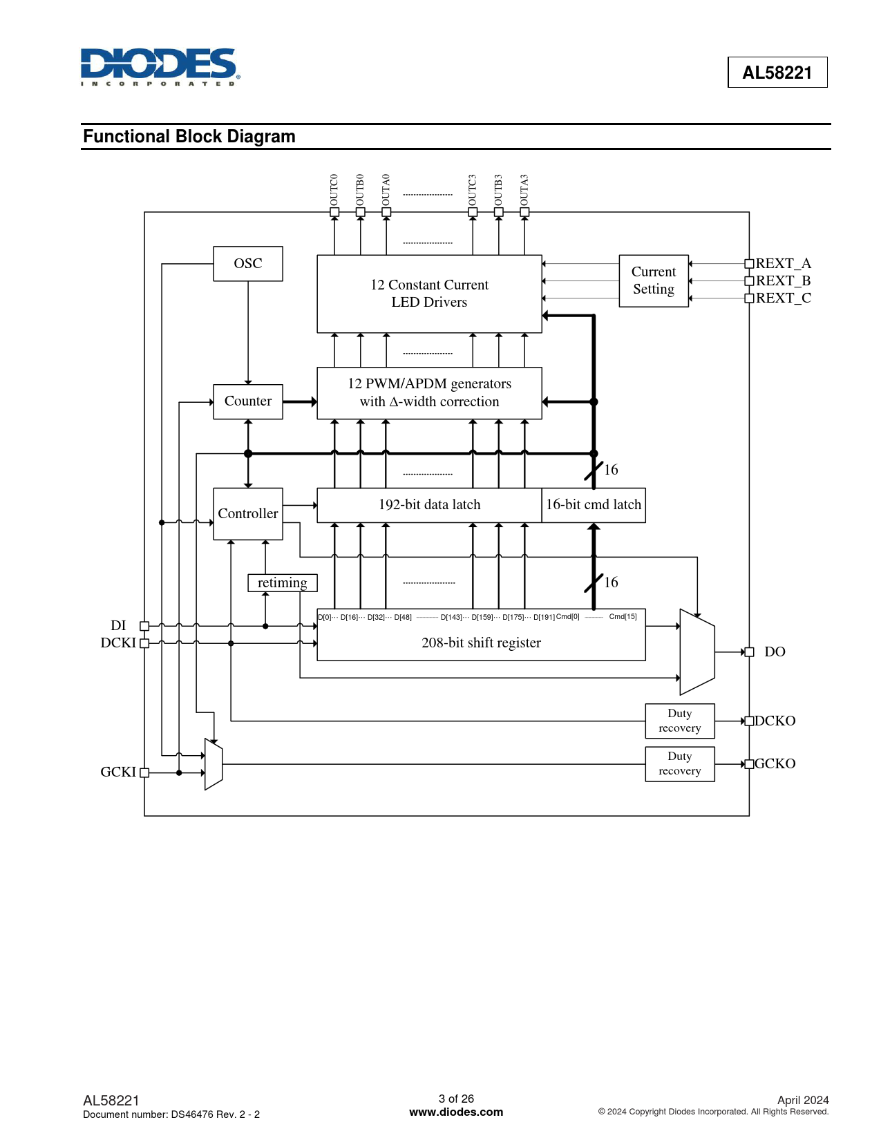
AL58221 Functional Block Diagram
0 0 0 3 3 3 C B A C B A T T T T T T U U U U U U O O O O O O OSC REXT_A Current 12 Constant Current REXT_B Setting LED Drivers REXT_C 12 PWM/APDM generators Counter with ∆-width correction 16 192-bit data latch 16-bit cmd latch Controller retiming 16 D[0]… D[16]… D[32]… D[48] D[143]… D[159]… D[175]… D[191] Cmd[0] Cmd[15] DI DCKI 208-bit shift register DO Duty DCKO recovery Duty GCKO GCKI recovery AL58221 3 of 26 April 2024 Document number: DS46476 Rev. 2 - 2
www.diodes.com
© 2024 Copyright Diodes Incorporated. All Rights Reserved.