Datasheet ADG774 (Analog Devices) - 8

制造商Analog Devices
描述CMOS 3 V/5 V, Wide Bandwidth Quad 2:1 Mux
页数 / 页12 / 8 — ADG774. Test Circuits. IDS. IS (OFF). ID (OFF). ID (ON). RON = V1/IDS. …
文件格式/大小PDF / 139 Kb
文件语言英语

ADG774. Test Circuits. IDS. IS (OFF). ID (OFF). ID (ON). RON = V1/IDS. 0.1. VIN. VDD. 50%. OUT. 90%. VOUT. 100. 35pF. OFF. GND. S1A. S1B. DECODER

ADG774 Test Circuits IDS IS (OFF) ID (OFF) ID (ON) RON = V1/IDS 0.1 VIN VDD 50% OUT 90% VOUT 100 35pF OFF GND S1A S1B DECODER

该数据表的模型线

文件文字版本

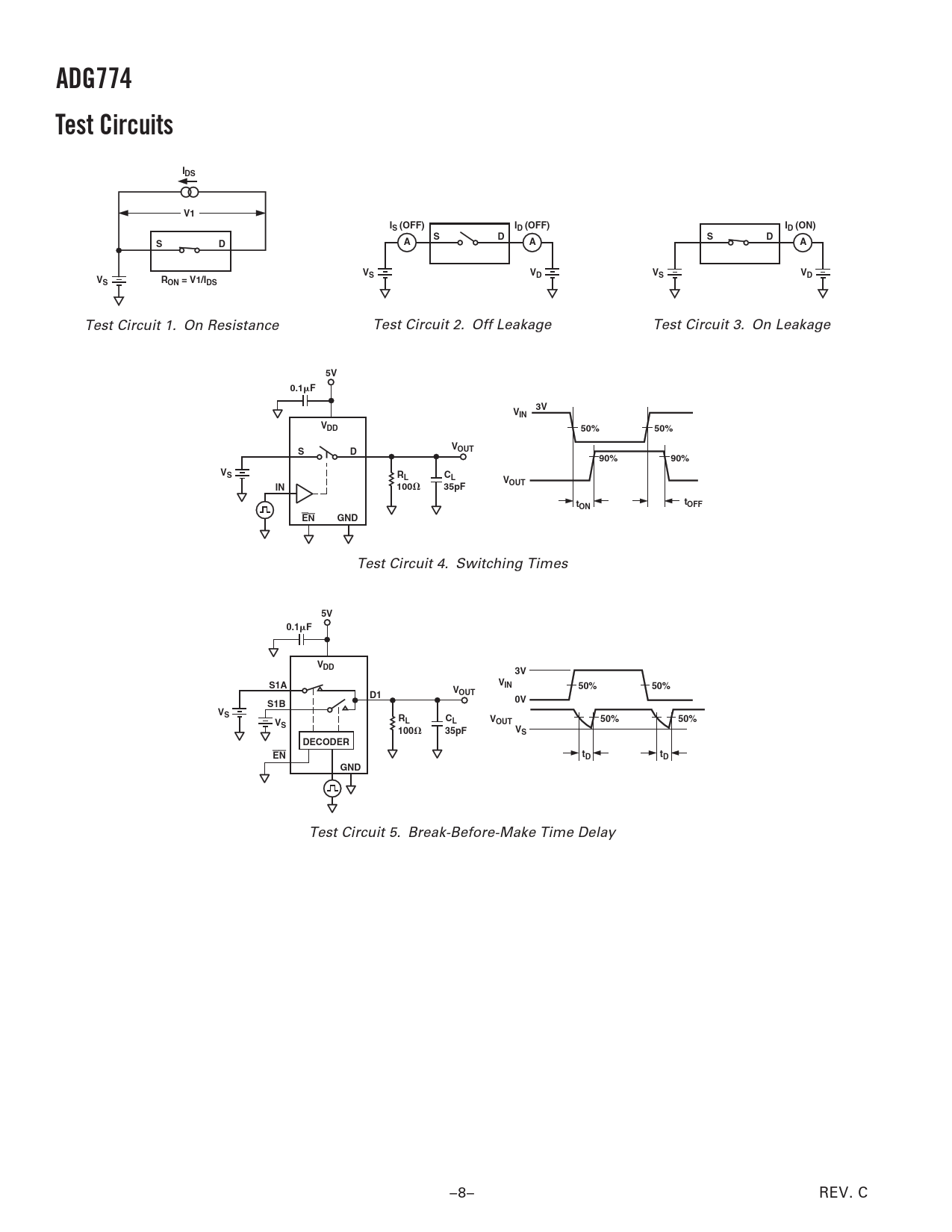
ADG774 Test Circuits IDS V1 IS (OFF) ID (OFF) ID (ON) S D S D S D A A A VS VD VS VD VS RON = V1/IDS
Test Circuit 1. On Resistance Test Circuit 2. Off Leakage Test Circuit 3. On Leakage
5V 0.1 F 3V VIN VDD 50% 50% V S D OUT 90% 90% VS RL CL VOUT IN 100 35pF t t ON OFF EN GND
Test Circuit 4. Switching Times
5V 0.1 F VDD 3V S1A VIN V 50% 50% D1 OUT 0V S1B VS RL CL V V 50% 50% OUT S 100 35pF VS DECODER EN tD tD GND
Test Circuit 5. Break-Before-Make Time Delay –8– REV. C Document Outline FEATURES APPLICATIONS FUNCTIONAL BLOCK DIAGRAM GENERAL DESCRIPTION PRODUCT HIGHLIGHTS SPECIFICATIONS ABSOLUTE MAXIMUM RATINGS ORDERING GUIDE PIN CONFIGURATION TERMINOLOGY Typical Performance Characteristics Test Circuits OUTLINE DIMENSIONS Revision History