Datasheet IRFP240 (Vishay) - 6

制造商Vishay
描述Power MOSFET
页数 / 页10 / 6 — IRFP240. Peak Diode Recovery dV/dt Test Circuit. D.U.T. Note. Fig. 14 - …
文件格式/大小PDF / 1.2 Mb
文件语言英语

IRFP240. Peak Diode Recovery dV/dt Test Circuit. D.U.T. Note. Fig. 14 - For N-Channel

IRFP240 Peak Diode Recovery dV/dt Test Circuit D.U.T Note Fig 14 - For N-Channel

该数据表的模型线

文件文字版本

IRFP240
www.vishay.com Vishay Siliconix
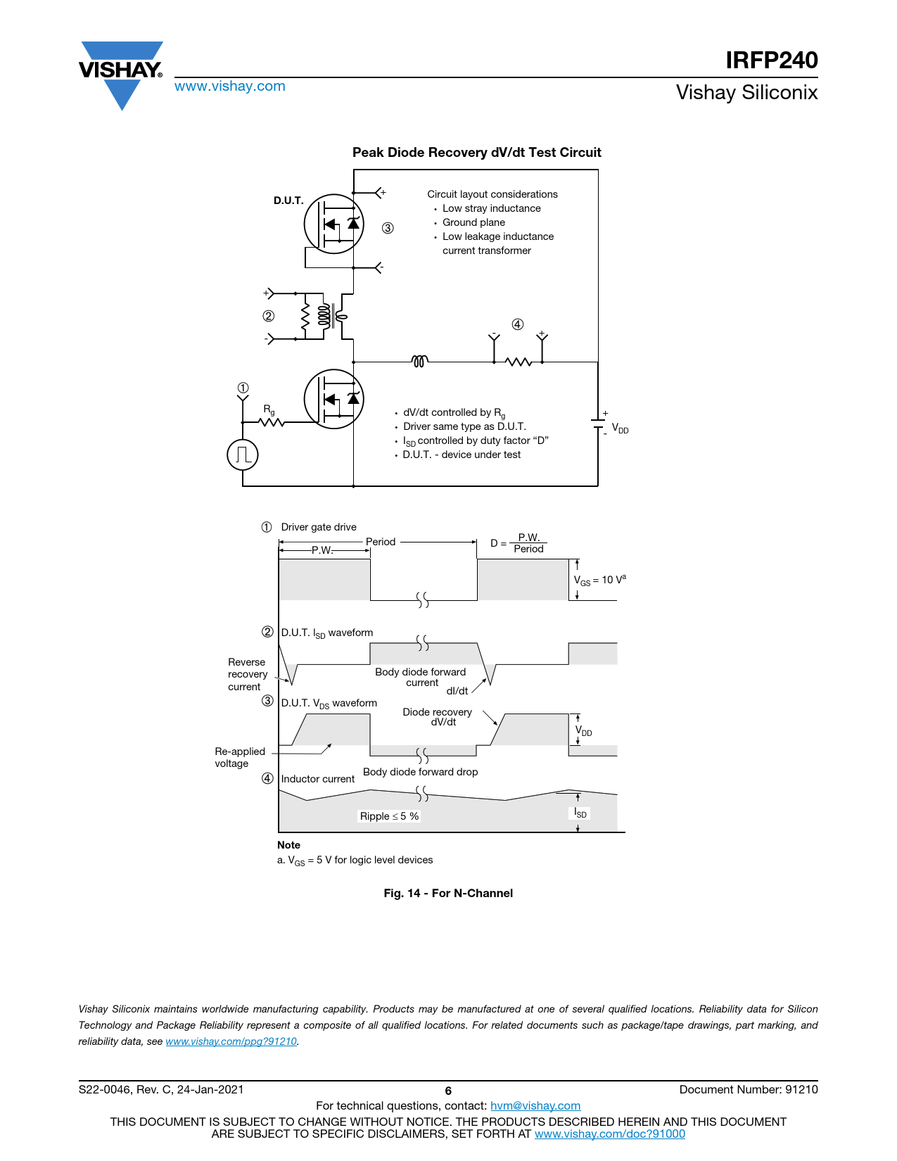
Peak Diode Recovery dV/dt Test Circuit
+ Circuit layout considerations
D.U.T.
• Low stray inductance • Ground plane • Low leakage inductance current transformer - + - + - Rg • dV/dt controlled by R + g • Driver same type as D.U.T. V - DD • ISD controlled by duty factor “D” • D.U.T. - device under test Driver gate drive Period P.W. D = P.W. Period V = 10 Va GS D.U.T. l waveform SD Reverse recovery Body diode forward current current dI/dt D.U.T. V waveform DS Diode recovery dV/dt VDD Re-applied voltage Body diode forward drop Inductor current Ripple ≤ 5 % ISD
Note
a. V = 5 V for logic level devices GS
Fig. 14 - For N-Channel
Vishay Siliconix maintains worldwide manufacturing capability. Products may be manufactured at one of several qualified locations. Reliability data for Silicon Technology and Package Reliability represent a composite of all qualified locations. For related documents such as package/tape drawings, part marking, and reliability data, see www.vishay.com/ppg?91210. S22-0046, Rev. C, 24-Jan-2021
6
Document Number: 91210 For technical questions, contact: hvm@vishay.com THIS DOCUMENT IS SUBJECT TO CHANGE WITHOUT NOTICE. THE PRODUCTS DESCRIBED HEREIN AND THIS DOCUMENT ARE SUBJECT TO SPECIFIC DISCLAIMERS, SET FORTH AT www.vishay.com/doc?91000