Datasheet TPV803, TPV809, TPV810 (3PEAK) - 10
| 制造商 | 3PEAK |
| 描述 | Low Voltage Supervisory Circuit |
| 页数 / 页 | 15 / 10 — TPV803/809/810. Low Voltage Supervisory Circuit. Package Outline … |
| 文件格式/大小 | PDF / 708 Kb |
| 文件语言 | 英语 |
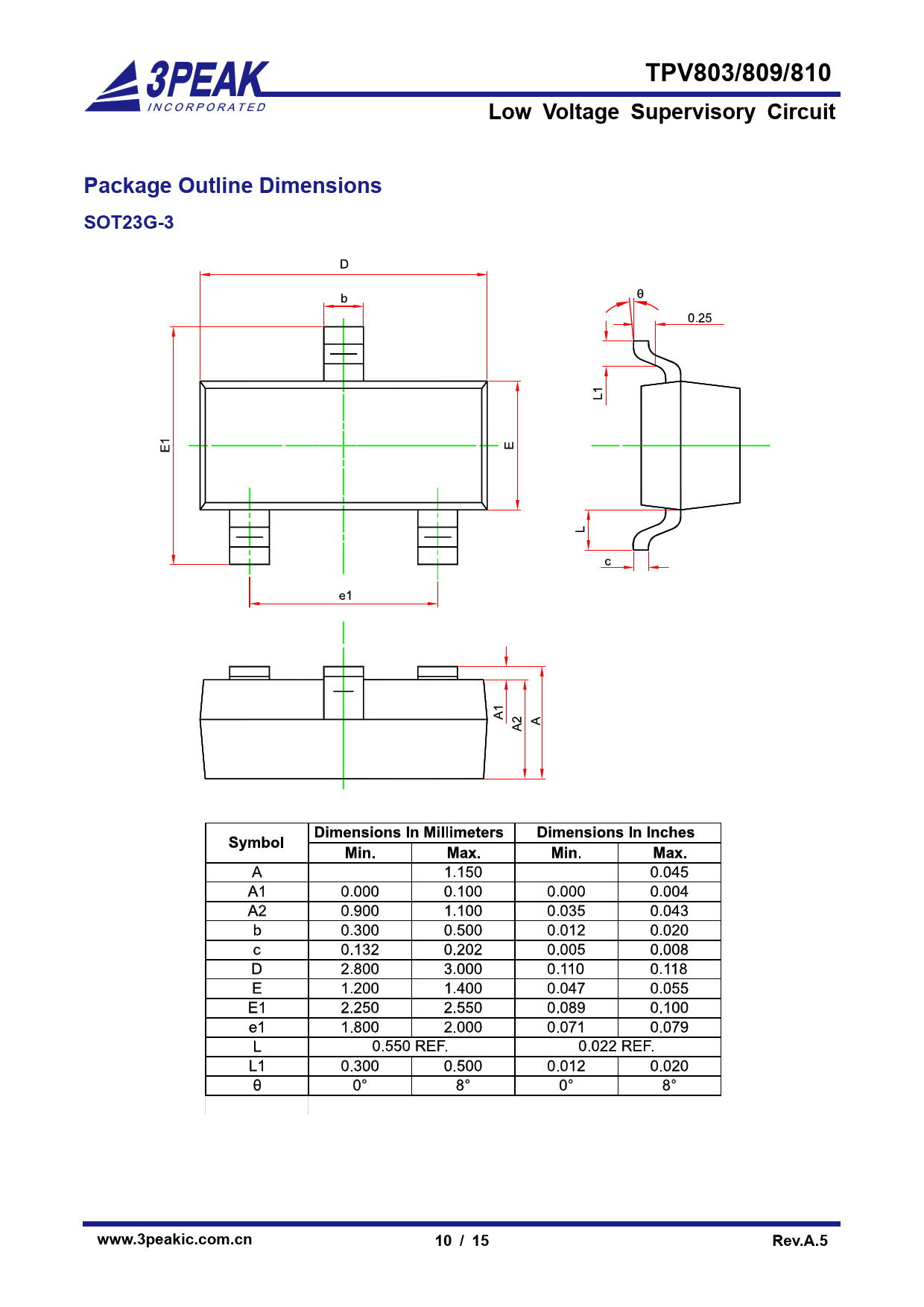
TPV803/809/810. Low Voltage Supervisory Circuit. Package Outline Dimensions. SOT23G-3. www.3peakic.com.cn. 10 / 15. Rev.A.5

该数据表的模型线
文件文字版本
TPV803/809/810 Low Voltage Supervisory Circuit Package Outline Dimensions SOT23G-3 www.3peakic.com.cn 10 / 15 Rev.A.5