Datasheet TS271 (STMicroelectronics) - 4
| 制造商 | STMicroelectronics |
| 描述 | CMOS Programmable Low Power Single Operational Amplifier |
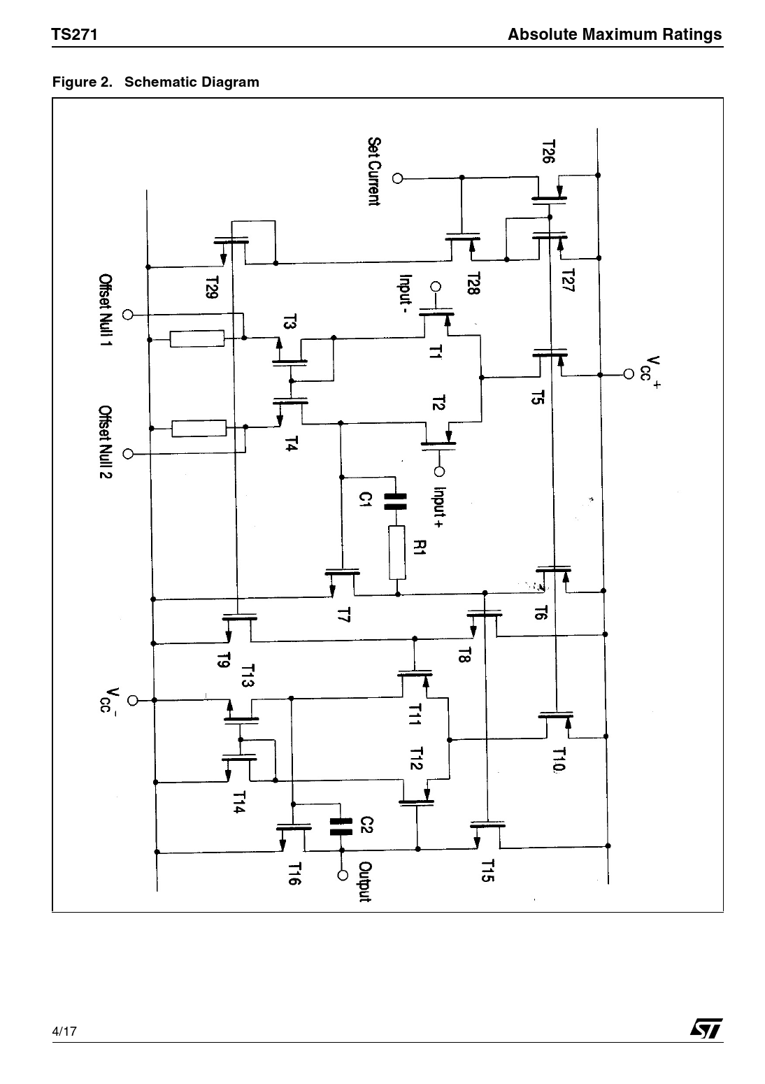
| 页数 / 页 | 17 / 4 — TS271. Absolute Maximum Ratings. Figure 2. Schematic Diagram |
| 文件格式/大小 | PDF / 594 Kb |
| 文件语言 | 英语 |
TS271. Absolute Maximum Ratings. Figure 2. Schematic Diagram

该数据表的模型线
文件文字版本
TS271 Absolute Maximum Ratings Figure 2. Schematic Diagram
4/17 Document Outline 1 Block Diagram 2 Absolute Maximum Ratings 3 Electrical Characteristics 4 Electrical Characteristics 5 Electrical Characteristics 6 Package Mechanical Data 7 Revision History