Datasheet BM2P139TF, BM2P135TF, BM2P137TKF, BM2P129TF (Rohm) - 6
| 制造商 | Rohm |
| 描述 | PWM type DC/DC converter IC Integrated Switching MOSFET for non-Isolated type |
| 页数 / 页 | 24 / 6 — BM2P139TF/BM2P135TF/BM2P137TKF/BM2P129TF. Description of Blocks. (1)Back … |
| 文件格式/大小 | PDF / 1.1 Mb |
| 文件语言 | 英语 |
BM2P139TF/BM2P135TF/BM2P137TKF/BM2P129TF. Description of Blocks. (1)Back converter. (1-1) when the MOSFET for switching is ON

该数据表的模型线
文件文字版本
BM2P139TF/BM2P135TF/BM2P137TKF/BM2P129TF
Datasheet Datasheet
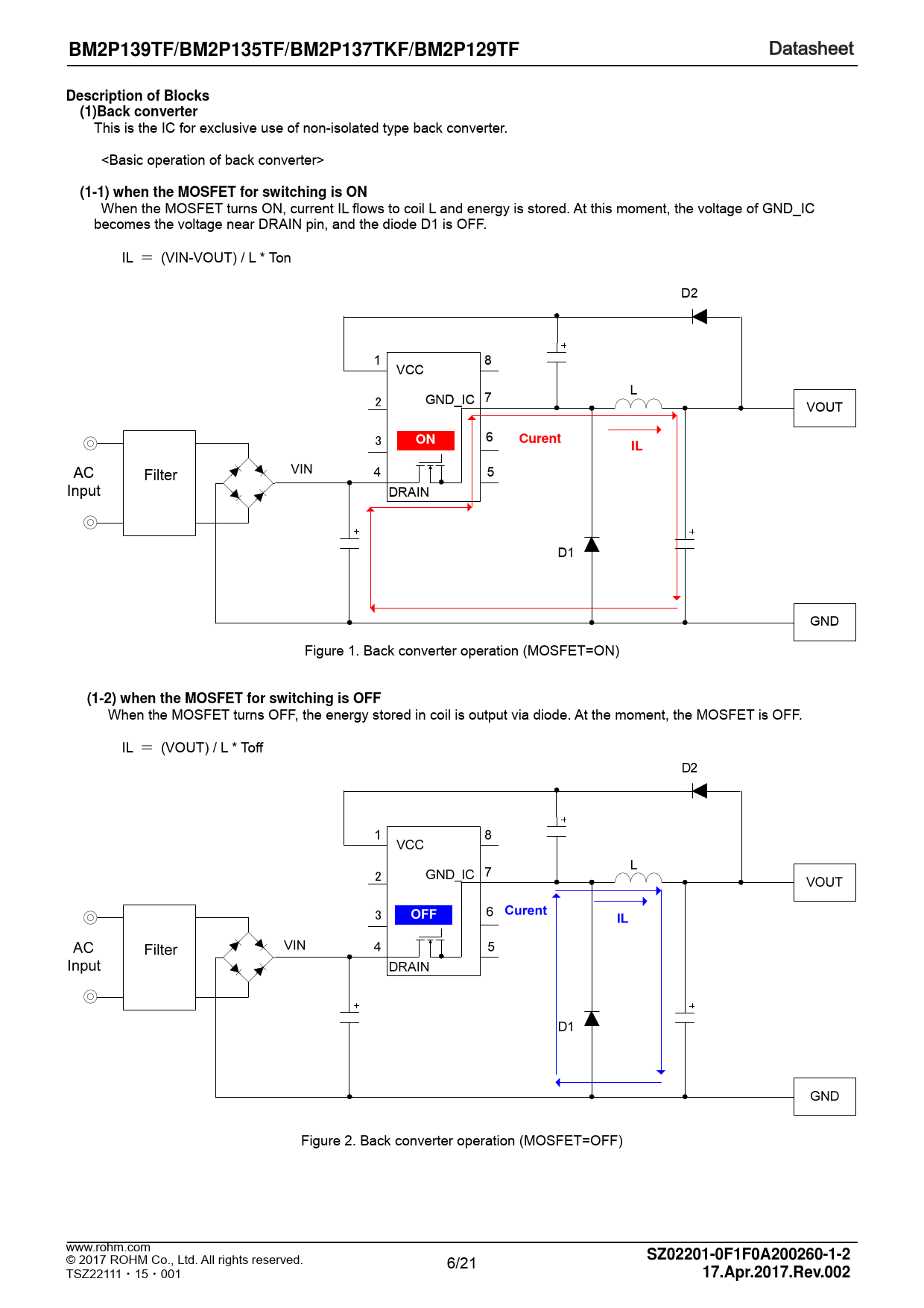
Description of Blocks (1)Back converter
This is the IC for exclusive use of non-isolated type back converter. <Basic operation of back converter>
(1-1) when the MOSFET for switching is ON
When the MOSFET turns ON, current IL flows to coil L and energy is stored. At this moment, the voltage of GND_IC becomes the voltage near DRAIN pin, and the diode D1 is OFF. IL = (VIN-VOUT) / L * Ton D2 1 8 VCC L 2 GND_IC 7 VOUT 3 6
ON Curent IL
AC VIN 4 5 Filter Input DRAIN D1 GND Figure 1. Back converter operation (MOSFET=ON)
(1-2) when the MOSFET for switching is OFF
When the MOSFET turns OFF, the energy stored in coil is output via diode. At the moment, the MOSFET is OFF. IL = (VOUT) / L * Toff Figure 2. Back converter operation (MOSFET=OFF) www.rohm.com © 2017 ROHM Co., Ltd. All rights reserved. 6/21
SZ02201-0F1F0A200260-1-2
TSZ22111・15・001
17.Apr.2017.Rev.002
Document Outline BM2P135TF_BM2P137TKF_BM2P139TF_BM2P129PF(E)_verB Notice-PGA-E