Datasheet BM2P139TF, BM2P135TF, BM2P137TKF, BM2P129TF (Rohm) - 2
| 制造商 | Rohm | 
| 描述 | PWM type DC/DC converter IC Integrated Switching MOSFET for non-Isolated type | 
| 页数 / 页 | 24 / 2 — BM2P139TF/BM2P135TF/BM2P137TKF/BM2P129TF. Pin Descriptions. Block … | 
| 文件格式/大小 | PDF / 1.1 Mb | 
| 文件语言 | 英语 | 
BM2P139TF/BM2P135TF/BM2P137TKF/BM2P129TF. Pin Descriptions. Block Diagram. SZ02201-0F1F0A200260-1-2. 17.Apr.2017.Rev.002

该数据表的模型线
文件文字版本
BM2P139TF/BM2P135TF/BM2P137TKF/BM2P129TF
Datasheet Datasheet
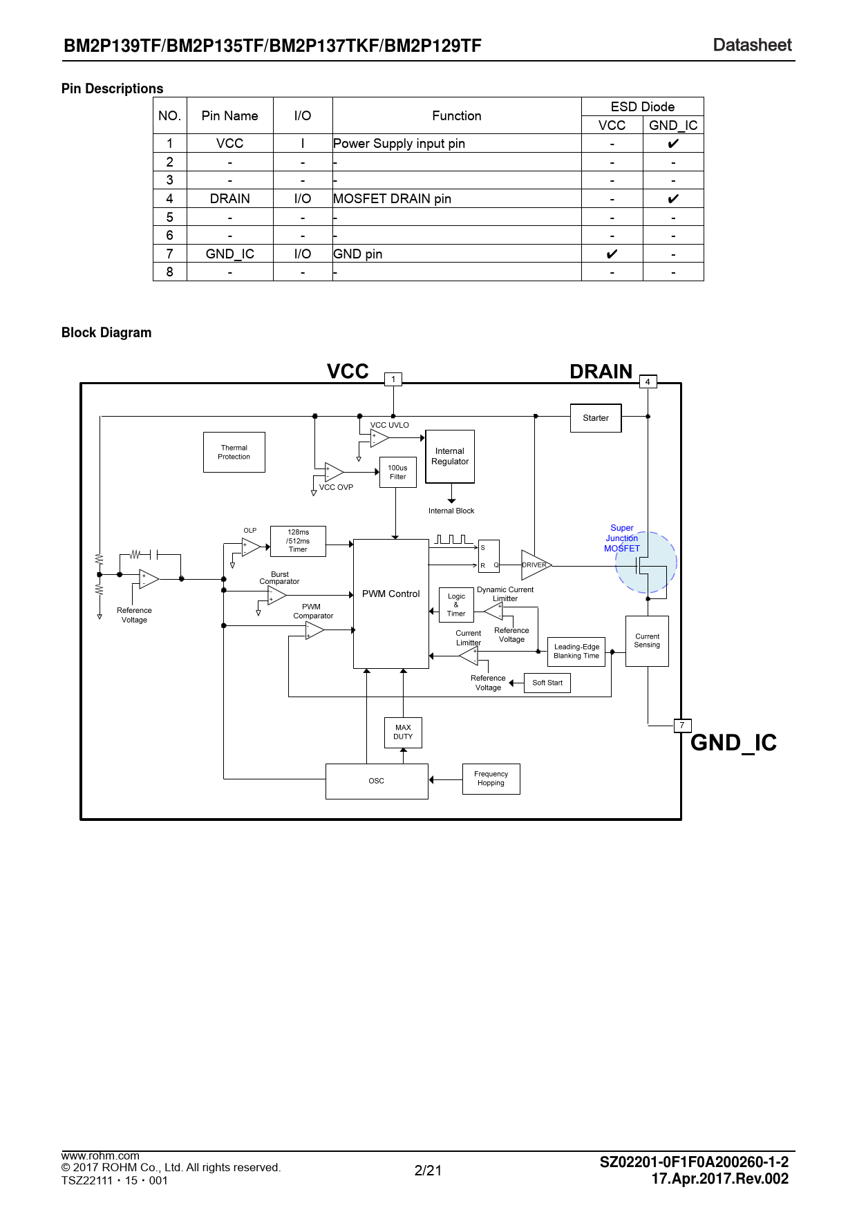
Pin Descriptions
ESD Diode NO. Pin Name I/O Function VCC GND_IC 1 VCC I Power Supply input pin - ✔ 2 - - - - - 3 - - - - - 4 DRAIN I/O MOSFET DRAIN pin - ✔ 5 - - - - - 6 - - - - - 7 GND_IC I/O GND pin ✔ - 8 - - - - -
Block Diagram
www.rohm.com © 2017 ROHM Co., Ltd. All rights reserved. 2/21
SZ02201-0F1F0A200260-1-2
TSZ22111・15・001
17.Apr.2017.Rev.002
Document Outline BM2P135TF_BM2P137TKF_BM2P139TF_BM2P129PF(E)_verB Notice-PGA-E