Datasheet RFD10P03L, RFD10P03LSM, RFP10P03L (Intersil) - 7
| 制造商 | Intersil |
| 描述 | 10A, 30V, 0.200 Ohm, Logic Level, P-Channel Power MOSFET |
| 页数 / 页 | 8 / 7 — RFD10P03L, RFD10P03LSM, RFP10P03L. PSpice Electrical Model. LDRAIN. ESG. … |
| 文件格式/大小 | PDF / 145 Kb |
| 文件语言 | 英语 |
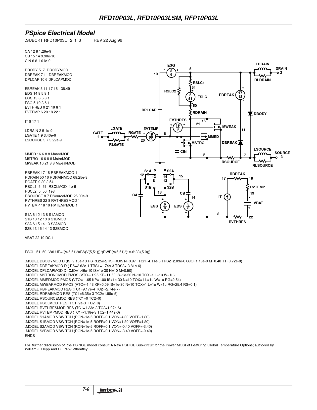
RFD10P03L, RFD10P03LSM, RFP10P03L. PSpice Electrical Model. LDRAIN. ESG. DRAIN. RLDRAIN. RSLC1. + 51. RSLC2. EBREAK. ESLC. 51 -. DPLCAP. RDRAIN

该数据表的模型线
文件文字版本
RFD10P03L, RFD10P03LSM, RFP10P03L PSpice Electrical Model
.SUBCKT RFD10P03L 2 1 3 REV 22 Aug 96 CA 12 8 1.29e-9 CB 15 14 9.90e-10 CIN 6 8 1.01e-9
LDRAIN ESG
DBODY 5 7 DBODYMOD
- + 5 DRAIN 8 2
DBREAK 7 11 DBREAKMOD
10 6
DPLCAP 10 6 DPLCAPMOD
RLDRAIN RSLC1
EBREAK 5 11 17 18 -36.49
+ 51 + RSLC2
EDS 14 8 5 8 1
17 5 EBREAK
EGS 13 8 6 8 1
ESLC 18 51 - -
ESG 5 10 8 6 1
50
EVTHRES 6 21 19 8 1
DPLCAP
EVTEMP 6 20 18 22 1
RDRAIN DBODY
IT 8 17 1
EVTHRES 16 + 19 - 21 MWEAK LGATE EVTEMP
LDRAIN 2 5 1e-9
8 11 GATE RGATE -
LGATE 1 9 3.40e-9
18 + 6 1 MMED 22
LSOURCE 3 7 3.22e-9
9 20 MSTRO DBREAK RLGATE LSOURCE CIN
MMED 16 6 8 8 MmedMOD
SOURCE 8 7 3
MSTRO 16 6 8 8 MstroMOD MWEAK 16 21 8 8 MweakMOD
RSOURCE RLSOURCE
RBREAK 17 18 RBREAKMOD 1
S1A S2A RBREAK 12
RDRAIN 50 16 RDRAINMOD 68.25e-3
13 14 15 17 18
RGATE 9 20 2.54
8 13
RSCL1 5 51 RSCLMOD 1e-6
S1B S2B RVTEMP
RSCL2 5 50 1e3
13 CB 19
RSOURCE 8 7 RSourceMOD 25.00e-3
CA IT 14 -
RVTHRES 22 8 RVTHRESMOD 1
+ + VBAT
RVTEMP 18 19 RVTEMPMOD 1
6 5 EGS EDS 8 8 + - -
S1A 6 12 13 8 S1AMOD
8 22
S1B 13 12 13 8 S1BMOD
RVTHRES
S2A 6 15 14 13 S2AMOD S2B 13 15 14 13 S2BMOD VBAT 22 19 DC 1 ESCL 51 50 VALUE={(V(5,51)/ABS(V(5,51)))*(PWR(V(5,51)/(1e-6*33),5.0))} .MODEL DBODYMOD D (IS=9.15e-13 RS=3.25e-2 IKF=0.05 N=0.97 TRS1=4.11e-5 TRS2=2.03e-6 CJO=1.13e-9 M=0.40 TT=3.72e-8) .MODEL DBREAKMOD D ( RS=2.62e-1 TRS1=1.74e-3 TRS2=-3.81e-6) .MODEL DPLCAPMOD D (CJO=1.46e-10 IS=1e-30 N=10 M=0.50) .MODEL MSTRONGMOD PMOS (VTO=-1.95 KP=11.60 IS=1e-30 N=10 TOX=1 L=1u W=1u) .MODEL MMEDMOD PMOS (VTO=-1.65 KP=1.00 IS=1e-30 N=10 TOX=1 L=1u W=1u RG=2.54) .MODEL MWEAKMOD PMOS (VTO=-1.43 KP=0.09 IS=1e-30 N=10 TOX=1 L=1u W=1u RG=25.4 RS=0.1) .MODEL RBREAKMOD RES (TC1=9.17e-4 TC2=-2.74e-7) .MODEL RDRAINMOD RES (TC1=6.35e-3 TC2=1.98e-5) .MODEL RSOURCEMOD RES (TC1=0 TC2=0) .MODEL RSCLMOD RES (TC1=2e-3 TC2=0) .MODEL RVTHRESMOD RES (TC1=1.23e-3 TC2=1.97e-6) .MODEL RVTEMPMOD RES (TC1=-1.18e-3 TC2=1.44e-6) .MODEL S1AMOD VSWITCH (RON=1e-5 ROFF=0.1 VON=4.80 VOFF=1.80) .MODEL S1BMOD VSWITCH (RON=1e-5 ROFF=0.1 VON=1.80 VOFF=4.80) .MODEL S2AMOD VSWITCH (RON=1e-5 ROFF=0.1 VON=-0.40 VOFF=-3.40) .MODEL S2BMOD VSWITCH (RON=1e-5 ROFF=0.1 VON=-3.40 VOFF=-0.40) ENDS For further discussion of the PSPICE model consult A New PSPICE Sub-circuit for the Power MOSFet Featuring Global Temperature Options; authored by William J. Hepp and C. Frank Wheatley. 7-9