Datasheet ADG888 (Analog Devices) - 10

制造商Analog Devices
描述0.4 Ω CMOS, Dual DPDT Switch in WLCSP/LFCSP/TSSOP
页数 / 页17 / 10 — ADG888. Data Sheet. TEST CIRCUITS. IDS. ID (ON). ON = V1/IDS. IS (OFF). …
修订版D
文件格式/大小PDF / 323 Kb
文件语言英语

ADG888. Data Sheet. TEST CIRCUITS. IDS. ID (ON). ON = V1/IDS. IS (OFF). ID (OFF). VDD. 0.1. S1B. VOUT. 50%. S1A. 35pF. 90%. GND. tON. tOFF. VIN. 80%. OUT. tBBM

ADG888 Data Sheet TEST CIRCUITS IDS ID (ON) ON = V1/IDS IS (OFF) ID (OFF) VDD 0.1 S1B VOUT 50% S1A 35pF 90% GND tON tOFF VIN 80% OUT tBBM

该数据表的模型线

文件文字版本

ADG888 Data Sheet TEST CIRCUITS IDS V1 S D ID (ON) S D V NC A
015
S V
017
R D ON = V1/IDS
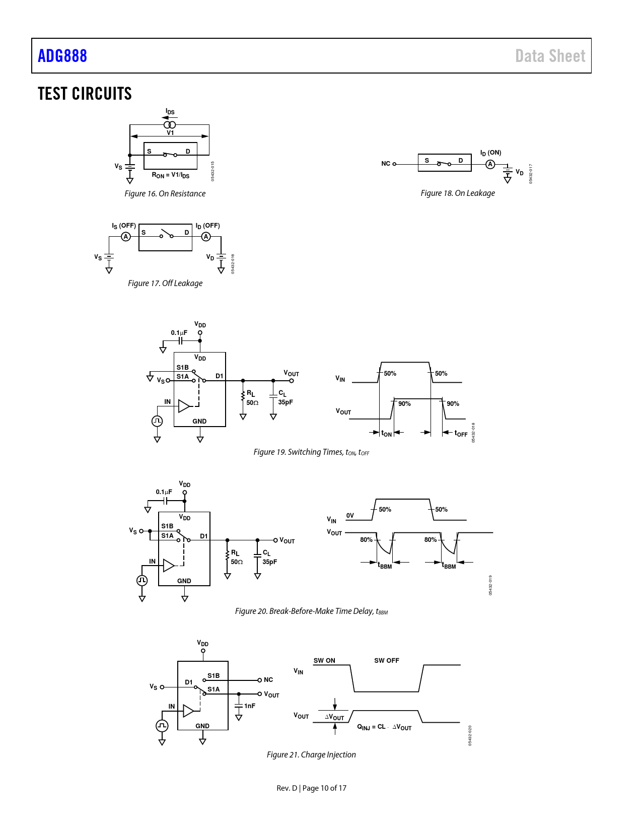
05432- 05432- Figure 16. On Resistance Figure 18. On Leakage
IS (OFF) ID (OFF) S D A A VS VD
016 05432- Figure 17. Off Leakage
VDD 0.1
µ
F VDD S1B VOUT 50% 50% S1A D1 V V IN S RL CL IN 50

35pF 90% 90% VOUT GND
018
tON tOFF
05432- Figure 19. Switching Times, tON, tOFF
VDD 0.1
µ
F 50% 50% V 0V DD VIN S1B VS VOUT S1A D1 V 80% OUT 80% RL CL IN 50

35pF tBBM tBBM GND
019 05432- Figure 20. Break-Before-Make Time Delay, tBBM
VDD SW ON SW OFF VIN S1B NC D1 VS S1A VOUT IN 1nF VOUT

VOUT GND QINJ = CL
⋅ ∆
VOUT
020 05432- Figure 21. Charge Injection Rev. D | Page 10 of 17 Document Outline Features Applications Functional Block Diagram General Description Product Highlights Revision History Specifications Absolute Maximum Ratings ESD Caution Pin Configurations and Function Descriptions Typical Performance Characteristics Test Circuits Terminology Outline Dimensions Ordering Guide