Datasheet ADG431, ADG432, ADG433 (Analog Devices) - 7

制造商Analog Devices
描述LC2MOS Precision Quad SPST Switch
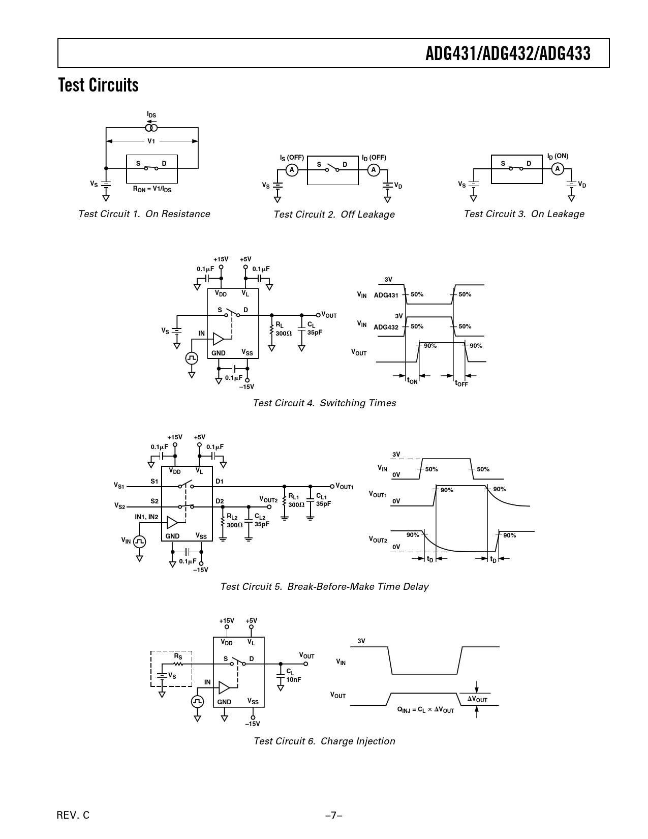
页数 / 页8 / 7 — ADG431/ADG432/ADG433. Test Circuits. IDS. S (OFF). ID (OFF). D (ON). ON = …
修订版C
文件格式/大小PDF / 135 Kb
文件语言英语

ADG431/ADG432/ADG433. Test Circuits. IDS. S (OFF). ID (OFF). D (ON). ON = V1/IDS. +15V. +5V. 0.1. VDD. ADG431. 50%. VOUT. ADG432. 300. 35pF. 90%. GND. VSS. tON

ADG431/ADG432/ADG433 Test Circuits IDS S (OFF) ID (OFF) D (ON) ON = V1/IDS +15V +5V 0.1 VDD ADG431 50% VOUT ADG432 300 35pF 90% GND VSS tON

该数据表的模型线

文件文字版本

ADG431/ADG432/ADG433 Test Circuits IDS V1 I I S (OFF) ID (OFF) D (ON) S D S D S D A A A VS V V V R S D S VD ON = V1/IDS
Test Circuit 1. On Resistance Test Circuit 2. Off Leakage Test Circuit 3. On Leakage
+15V +5V 0.1 F 0.1 F 3V VDD VL V ADG431 50% 50% IN S D VOUT 3V R V L CL IN ADG432 50% 50% VS IN 300 35pF 90% 90% GND VSS VOUT 0.1 F tON t –15V OFF
Test Circuit 4. Switching Times
+15V +5V 0.1 F 0.1 F 3V V VIN 50% 50% DD VL 0V S1 D1 VS1 VOUT1 90% 90% R V L1 CL1 OUT1 V S2 OUT2 D2 0V V 300 35pF S2 IN1, IN2 RL2 CL2 300 35pF GND VSS 90% 90% V V IN OUT2 0V 0.1 F tD tD –15V
Test Circuit 5. Break-Before-Make Time Delay
+15V +5V VDD VL 3V R V S S D OUT VIN C V L S 10nF IN VOUT V GND VSS OUT QINJ = CL VOUT –15V
Test Circuit 6. Charge Injection REV. C –7–