Datasheet 1N4933, 1N4934, 1N4935, 1N4936, 1N4937 (ON Semiconductor) - 4
| 制造商 | ON Semiconductor |
| 描述 | Axial-Lead Glass Passivated Fast Recovery Rectifiers |
| 页数 / 页 | 5 / 4 — PACKAGE DIMENSIONS. AXIAL LEAD. INCHES. MILLIMETERS. DIM. MIN. MAX. … |
| 修订版 | 13 |
| 文件格式/大小 | PDF / 157 Kb |
| 文件语言 | 英语 |
PACKAGE DIMENSIONS. AXIAL LEAD. INCHES. MILLIMETERS. DIM. MIN. MAX. POLARITY INDICATOR. SCALE 1:1. OPTIONAL AS NEEDED. (SEE STYLES). GENERIC

该数据表的模型线
文件文字版本
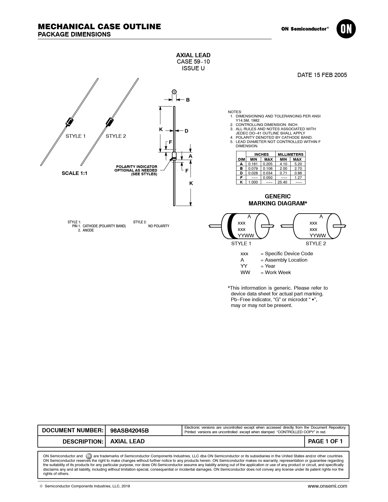
MECHANICAL CASE OUTLINE
PACKAGE DIMENSIONS AXIAL LEAD
CASE 59−10 ISSUE U DATE 15 FEB 2005
B
NOTES: 1. DIMENSIONING AND TOLERANCING PER ANSI Y14.5M, 1982. 2. CONTROLLING DIMENSION: INCH.
K D
3. ALL RULES AND NOTES ASSOCIATED WITH JEDEC DO−41 OUTLINE SHALL APPLY STYLE 1 STYLE 2 4. POLARITY DENOTED BY CATHODE BAND.
F
5. LEAD DIAMETER NOT CONTROLLED WITHIN F DIMENSION.
A INCHES MILLIMETERS DIM MIN MAX MIN MAX A
0.161 0.205 4.10 5.20
POLARITY INDICATOR B
0.079 0.106 2.00 2.70
SCALE 1:1 OPTIONAL AS NEEDED F D
0.028 0.034 0.71 0.86
(SEE STYLES) F
−−− 0.050 −−− 1.27
K K
1.000 −−− 25.40 −−−
GENERIC MARKING DIAGRAM*
A A STYLE 1: STYLE 2: xxx xxx PIN 1. CATHODE (POLARITY BAND) NO POLARITY 2. ANODE xxx xxx YYWW YYWW STYLE 1 STYLE 2 xxx = Specific Device Code A = Assembly Location YY = Year WW = Work Week *This information is generic. Please refer to device data sheet for actual part marking. Pb−Free indicator, “G” or microdot “ G”, may or may not be present.
DOCUMENT NUMBER: 98ASB42045B
Electronic versions are uncontrolled except when accessed directly from the Document Repository. Printed versions are uncontrolled except when stamped “CONTROLLED COPY” in red.
DESCRIPTION: AXIAL LEAD PAGE 1 OF 1
ON Semiconductor and are trademarks of Semiconductor Components Industries, LLC dba ON Semiconductor or its subsidiaries in the United States and/or other countries. ON Semiconductor reserves the right to make changes without further notice to any products herein. ON Semiconductor makes no warranty, representation or guarantee regarding the suitability of its products for any particular purpose, nor does ON Semiconductor assume any liability arising out of the application or use of any product or circuit, and specifically disclaims any and all liability, including without limitation special, consequential or incidental damages. ON Semiconductor does not convey any license under its patent rights nor the rights of others. © Semiconductor Components Industries, LLC, 2019 www.onsemi.com