Datasheet BF909, BF909R (NXP) - 10

制造商NXP
描述N-channel dual gate MOS-FETs
页数 / 页12 / 10 — PACKAGE OUTLINES
文件格式/大小PDF / 328 Kb
文件语言英语

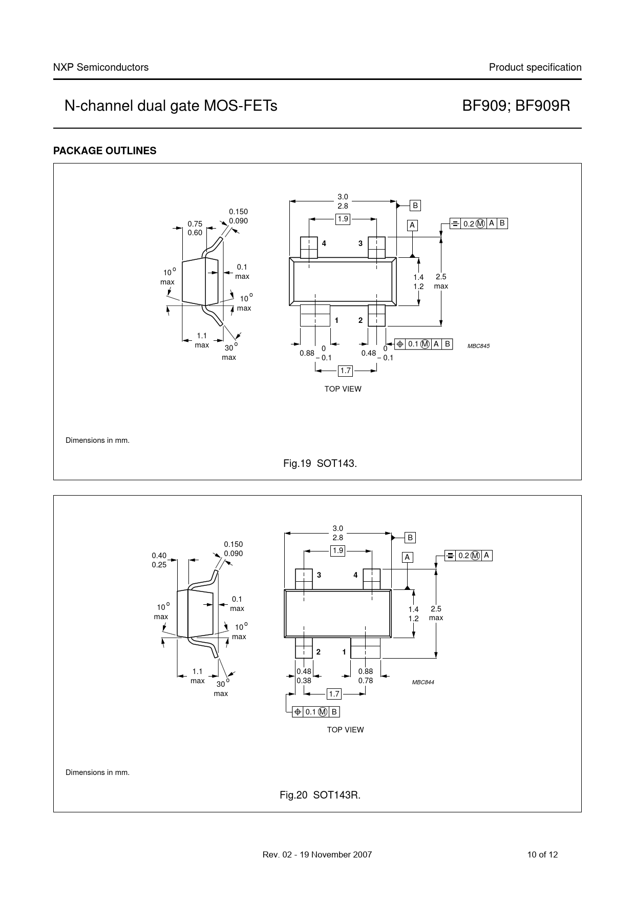
PACKAGE OUTLINES

PACKAGE OUTLINES

该数据表的模型线

文件文字版本

NXP Semiconductors Product specification N-channel dual gate MOS-FETs BF909; BF909R
PACKAGE OUTLINES
3.0 handbook, full pagewidth 2.8 B 0.150 1.9 0.75 0.090 0.2 M A B A 0.60
4 3
o 0.1 10 max 1.4 2.5 max 1.2 max o 10 max
1 2
1.1 o max 0.1 M A B MBC845 30 0 0 0.88 0.48 max 0.1 0.1 1.7 TOP VIEW Dimensions in mm. Fig.19 SOT143. 3.0 handbook, full pagewidth 2.8 B 0.150 1.9 0.40 0.090 A 0.2 M A 0.25
3 4
0.1 o 10 max 1.4 2.5 max 1.2 max o 10 max
2 1
1.1 0.48 0.88 max o 0.38 0.78 MBC844 30 max 1.7 0.1 M B TOP VIEW Dimensions in mm. Fig.20 SOT143R. Rev. 02 - 19 November 2007 10 of 12 Document Outline FEATURES APPLICATIONS DESCRIPTION PINNING QUICK REFERENCE DATA LIMITING VALUES THERMAL CHARACTERISTICS STATIC CHARACTERISTICS DYNAMIC CHARACTERISTICS PACKAGE OUTLINES Legal information Data sheet status Definitions Disclaimers Trademarks Contact information Revision history