Datasheet PAM8965 (Diodes) - 3
| 制造商 | Diodes |
| 描述 | 12W STEREO CLASS-D AUDIO AMPLIFIER WITH SYNCHRONOUS BOOST, SSM AND EXTERNAL AUDIO FEEDBACK |
| 页数 / 页 | 25 / 3 — PAM8965. Functional Block Diagram. Figure 1. PAM8965 Block Diagram. … |
| 文件格式/大小 | PDF / 1.8 Mb |
| 文件语言 | 英语 |
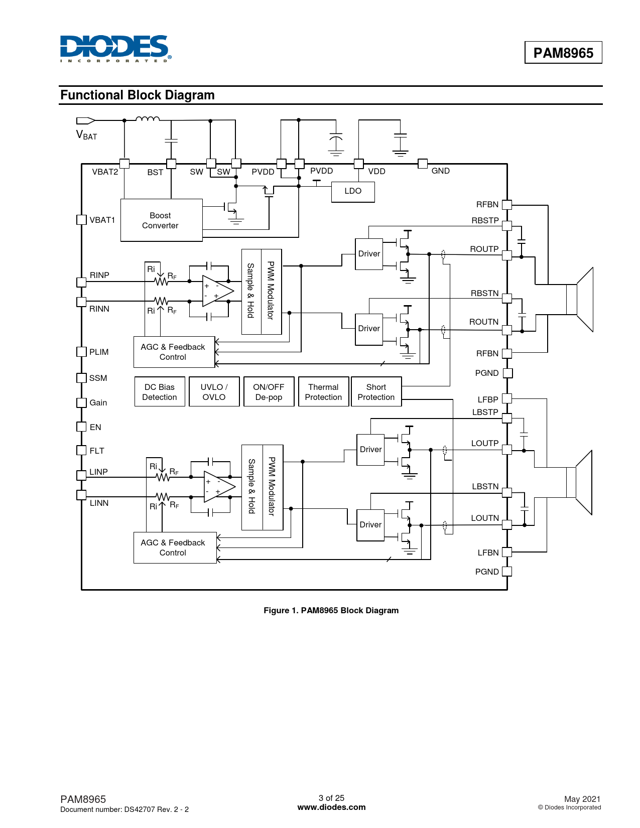
PAM8965. Functional Block Diagram. Figure 1. PAM8965 Block Diagram. www.diodes.com

该数据表的模型线
文件文字版本
PAM8965 Functional Block Diagram
VBAT VBAT2 BST SW SW PVDD PVDD VDD GND LDO RFBN Boost VBAT1 RBSTP Converter ROUTP Driver S P W Ri a m RINP M RF p M + - le & o - + d RBSTN H u o la RINN Ri R l t F d o r ROUTN Driver AGC & Feedback PLIM Control RFBN PGND SSM DC Bias UVLO / ON/OFF Thermal Short Detection OVLO De-pop Protection Protection LFBP Gain LBSTP EN LOUTP FLT Driver S P a W Ri m M LINP RF p M + - le & o d LBSTN - + H u la LINN o Ri R t F ld o r LOUTN Driver AGC & Feedback Control LFBN PGND
Figure 1. PAM8965 Block Diagram
PAM8965 3 of 25 May 2021 Document number: DS42707 Rev. 2 - 2
www.diodes.com
© Diodes Incorporated