Datasheet MAR-6+ (Mini-Circuits) - 10
| 制造商 | Mini-Circuits |
| 描述 | Drop-In Monolithic Amplifier DC-2 GHz |
| 页数 / 页 | 12 / 10 — Document. Outline. MAR-6+. Data. Sheet. View. Data. View. Graphs. Case. … |
| 文件格式/大小 | PDF / 1.2 Mb |
| 文件语言 | 英语 |
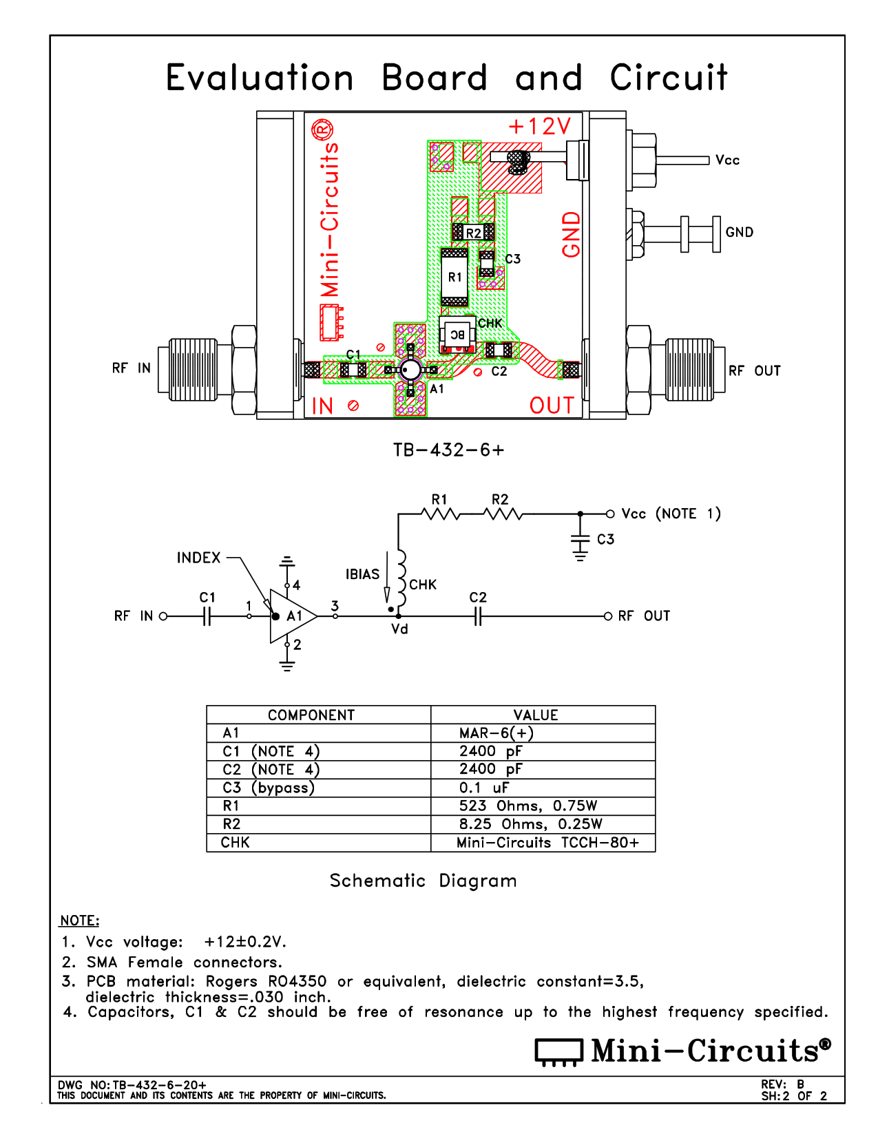
Document. Outline. MAR-6+. Data. Sheet. View. Data. View. Graphs. Case. Style. Tape. and. Reel. PCB. Layout. Eval. Board. Enviromental. Ratings

该数据表的模型线
文件文字版本
Document Outline MAR-6+ Data Sheet View Data View Graphs Case Style Tape and Reel PCB Layout Eval Board Enviromental Ratings