Datasheet LNK3202, LNK3204-7, LNK3294, LNK3296 (Power Integrations) - 2

制造商Power Integrations
描述Highly Energy Efficient Off-line Switcher IC with Integrated System Level Protection for Low Component-Count Power Supplies
页数 / 页28 / 2 — LinkSwitch-TN2. BYPASS. DRAIN. (BP/M). (D). REGULATOR. 5.0 V. FAULT. …
文件格式/大小PDF / 2.6 Mb
文件语言英语

LinkSwitch-TN2. BYPASS. DRAIN. (BP/M). (D). REGULATOR. 5.0 V. FAULT. PRESENT. BYPASS PIN. CAPACITOR. DETECT. AUTO-RESTART. COUNTER. UNDERVOLTAGE

LinkSwitch-TN2 BYPASS DRAIN (BP/M) (D) REGULATOR 5.0 V FAULT PRESENT BYPASS PIN CAPACITOR DETECT AUTO-RESTART COUNTER UNDERVOLTAGE

该数据表的模型线

文件文字版本

LinkSwitch-TN2 BYPASS DRAIN (BP/M) (D) REGULATOR 5.0 V FAULT
IFBSD IFB
PRESENT BYPASS PIN
5.2 V
CAPACITOR DETECT AUTO-RESTART BYPASS PIN COUNTER UNDERVOLTAGE
OVL +
CLOCK CURRENT LIMIT
5.0 V
COMPARATOR RESET
4.5 V - + - VILIMIT
JITTER CLOCK THERMAL SHUTDOWN DCMAX OSCILLATOR S Q FEEDBACK (FB) R Q
2.0 V -VT
LEADING EDGE BLANKING OVP DETECT SOURCE (S)
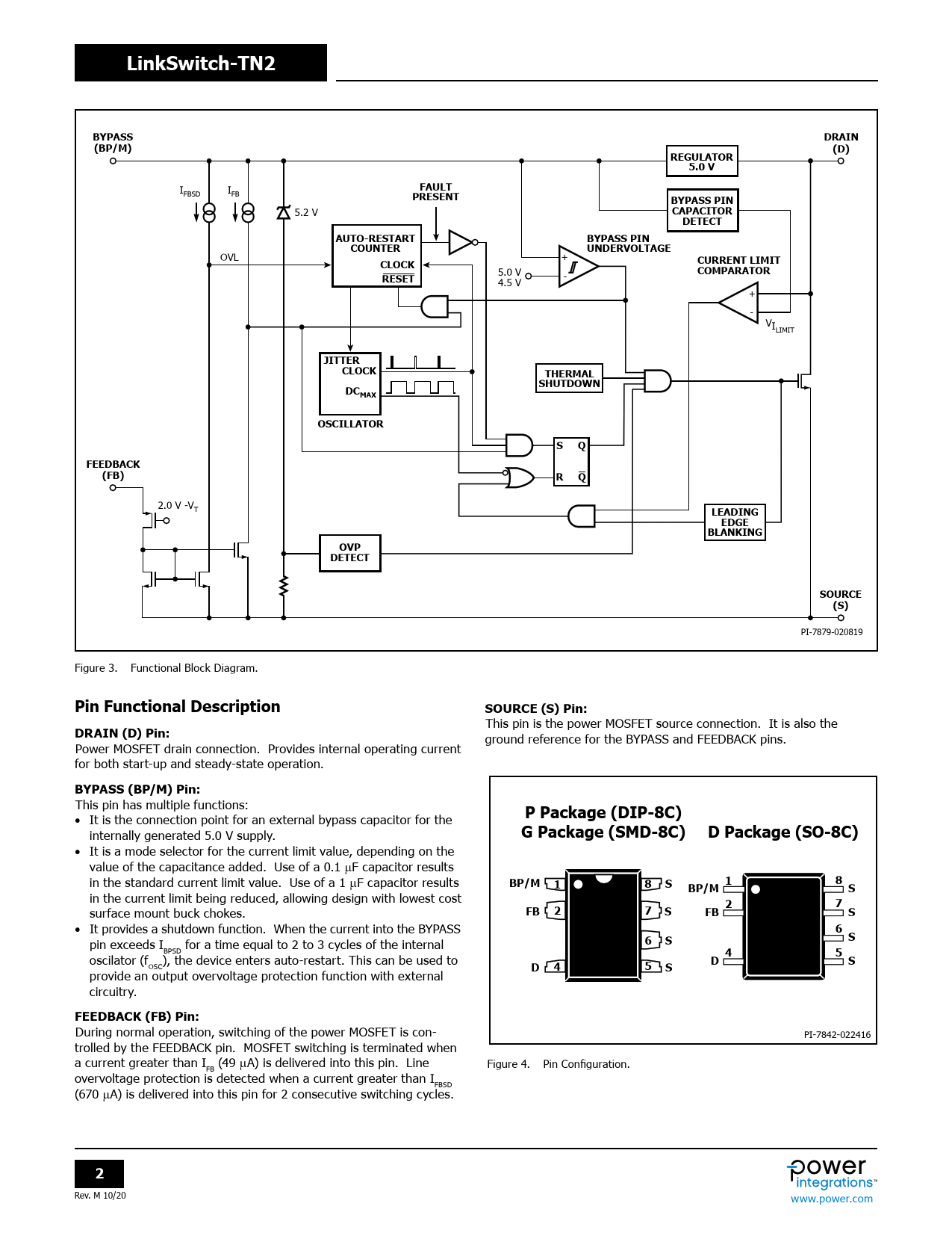
PI-7879-020819 Figure 3. Functional Block Diagram.
Pin Functional Description SOURCE (S) Pin:
This pin is the power MOSFET source connection. It is also the
DRAIN (D) Pin:
ground reference for the BYPASS and FEEDBACK pins. Power MOSFET drain connection. Provides internal operating current for both start-up and steady-state operation.
BYPASS (BP/M) Pin:
This pin has multiple functions: • It is the connection point for an external bypass capacitor for the
P Package (DIP-8C)
internally generated 5.0 V supply.
G Package (SMD-8C) D Package (SO-8C)
• It is a mode selector for the current limit value, depending on the value of the capacitance added. Use of a 0.1 μF capacitor results in the standard current limit value. Use of a 1 μF capacitor results
BP/M 1 8 1 8 S BP/M S
in the current limit being reduced, al owing design with lowest cost
2 7
surface mount buck chokes.
FB 2 7 S FB S
• It provides a shutdown function. When the current into the BYPASS
6 S
pin exceeds I for a time equal to 2 to 3 cycles of the internal
6 S
BPSD
4
oscilator (f ), the device enters auto-restart. This can be used to
5 D S
OSC
D 4 5 S
provide an output overvoltage protection function with external circuitry.
FEEDBACK (FB) Pin:
During normal operation, switching of the power MOSFET is con- PI-7842-022416 trol ed by the FEEDBACK pin. MOSFET switching is terminated when a current greater than I (49 μA) is delivered into this pin. Line Figure 4. Pin Configuration. FB overvoltage protection is detected when a current greater than IFBSD (670 μA) is delivered into this pin for 2 consecutive switching cycles.
2
Rev. M 10/20 www.power.com Document Outline Product Highlights Description Output Current Table Pin Functional Description LinkSwitch-TN2 Functional Description Applications Example Key Application Considerations Quick Design Checklist Absolute Maximum Ratings Thermal Resistance Key Electrical Characteristics Typical Performance Characteristics PDIP-8C (P Package) SMD-8C (G Package) SO-8C (D Package) PDIP-8C (P) and SMD-8C Package Marking SO-8C (D) Package Marking MSL Table ESD and Latch-Up Part Ordering Information