Datasheet TCR5RG (Toshiba) - 4
| 制造商 | Toshiba | 
| 描述 | Ultra high Ripple rejection ratio, 500 mA CMOS Low Dropout Regulator in ultra small package | 
| 页数 / 页 | 10 / 4 — TCR5RG series. Block Diagram. VIN. VOUT. Current. Limit. Thermal. Shut … | 
| 文件格式/大小 | PDF / 483 Kb | 
| 文件语言 | 英语 | 
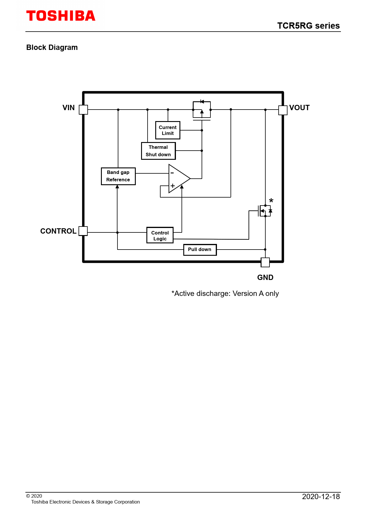
TCR5RG series. Block Diagram. VIN. VOUT. Current. Limit. Thermal. Shut down. Band gap. Reference. CONTROL. Control. Logic. Pull down. GND

该数据表的模型线
文件文字版本
TCR5RG series Block Diagram VIN VOUT Current Limit Thermal Shut down Band gap
-
Reference
+ *
CONTROL Control Logic Pull down GND
*Active discharge: Version A only © 2020 2020-12-18 Toshiba Electronic Devices & Storage Corporation