Datasheet LTC3315B (Analog Devices) - 9
| 制造商 | Analog Devices | 
| 描述 | Dual 5V, 2A Synchronous Step-Down DC/DCs in 2mm × 2mm LQFN | 
| 页数 / 页 | 22 / 9 — BLOCK DIAGRAM | 
| 文件格式/大小 | PDF / 1.8 Mb | 
| 文件语言 | 英语 | 
BLOCK DIAGRAM

该数据表的模型线
文件文字版本
LTC3315B
BLOCK DIAGRAM
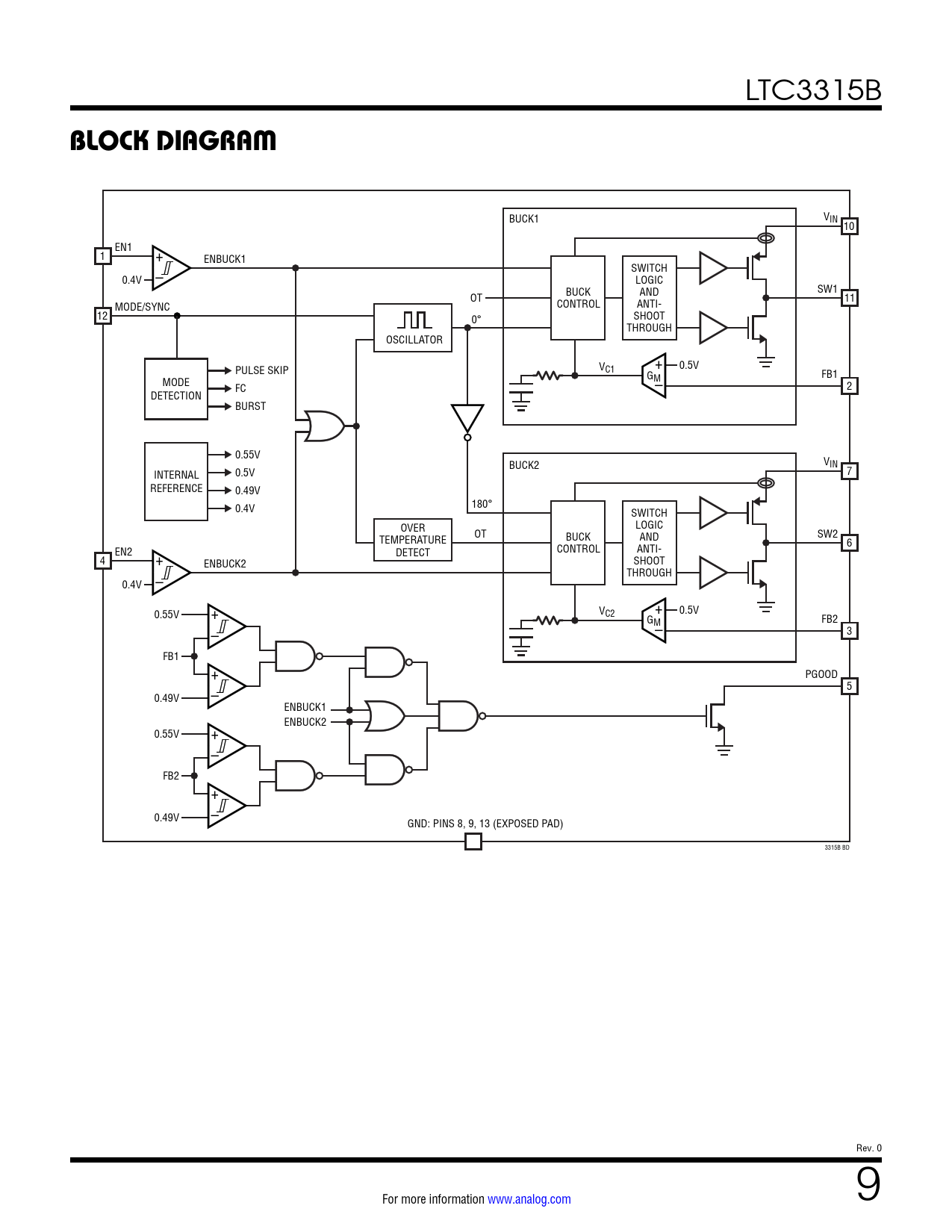
BUCK1 VIN 10 EN1 1 + ENBUCK1 SWITCH 0.4V – LOGIC SW1 BUCK AND OT 11 CONTROL ANTI- MODE/SYNC 12 SHOOT 0° THROUGH OSCILLATOR V + 0.5V PULSE SKIP C1 G FB1 M MODE FC – 2 DETECTION BURST 0.55V V BUCK2 IN 0.5V 7 INTERNAL REFERENCE 0.49V 0.4V 180° SWITCH LOGIC OVER OT SW2 BUCK AND TEMPERATURE 6 CONTROL ANTI- EN2 DETECT 4 + SHOOT ENBUCK2 THROUGH 0.4V – V + 0.5V 0.55V C2 + G FB2 M – 3 – FB1 + PGOOD 5 0.49V – ENBUCK1 ENBUCK2 0.55V + – FB2 + 0.49V – GND: PINS 8, 9, 13 (EXPOSED PAD) 3315B BD Rev. 0 For more information www.analog.com 9 Document Outline Features Applications Typical Application Description Absolute Maximum Ratings Order Information Electrical Characteristics Pin Configuration Typical Performance Characteristics Pin Functions Block Diagram Operation Applications Information Typical Applications Package Description Typical Application Related Parts