Datasheet AD713 (Analog Devices) - 10

制造商Analog Devices
描述Precision, High Speed, BiFET Quad Op Amp
页数 / 页20 / 10 — AD713. TEST CIRCUITS. 9kΩ. 1kΩ. +VS. PIN 4. 0.1µF. 1µF. 1/4. COM. OUTPUT. …
修订版C
文件格式/大小PDF / 364 Kb
文件语言英语

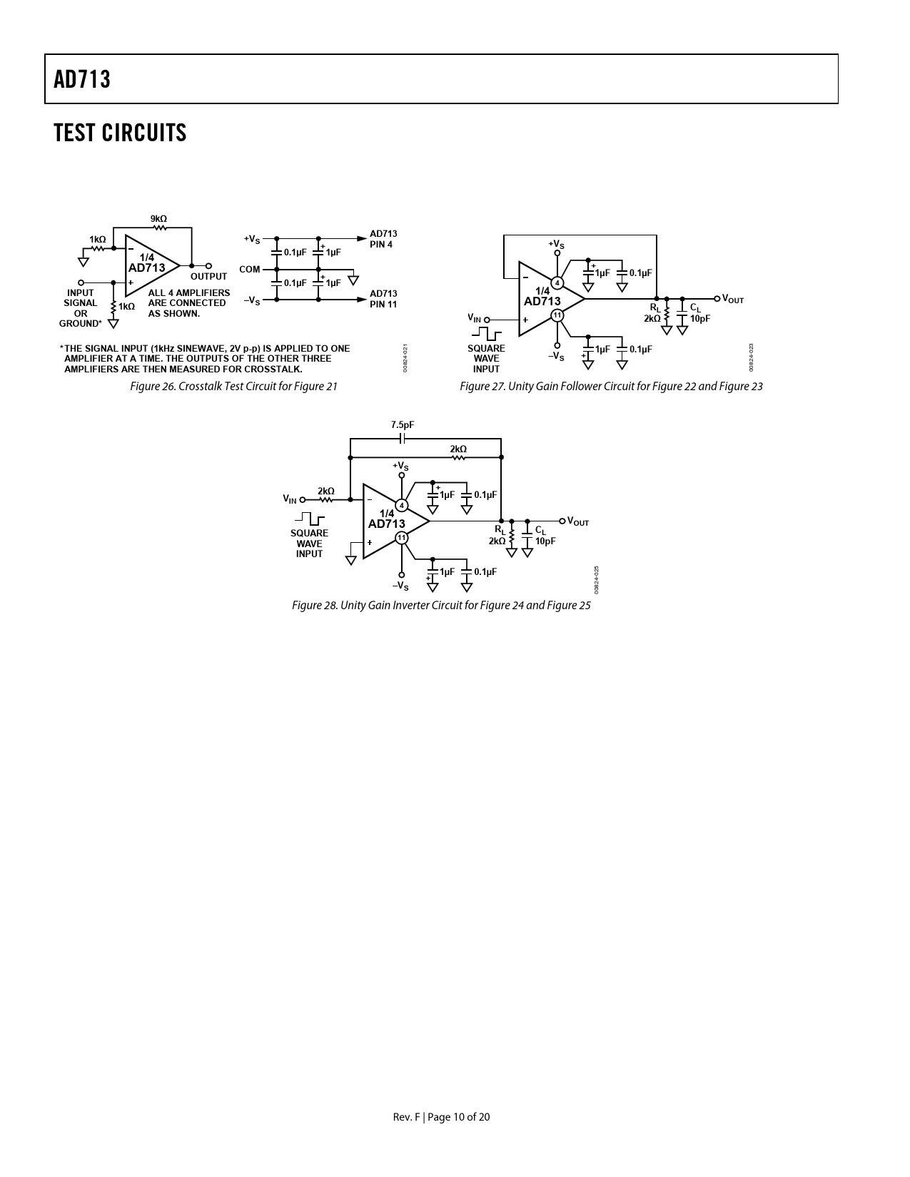
AD713. TEST CIRCUITS. 9kΩ. 1kΩ. +VS. PIN 4. 0.1µF. 1µF. 1/4. COM. OUTPUT. INPUT. ALL 4 AMPLIFIERS. SIGNAL. ARE CONNECTED. OUT. PIN 11. AS SHOWN. 2kΩ. 10pF

AD713 TEST CIRCUITS 9kΩ 1kΩ +VS PIN 4 0.1µF 1µF 1/4 COM OUTPUT INPUT ALL 4 AMPLIFIERS SIGNAL ARE CONNECTED OUT PIN 11 AS SHOWN 2kΩ 10pF

该数据表的模型线

文件文字版本

link to page 9 link to page 9 link to page 9 link to page 9 link to page 9
AD713 TEST CIRCUITS 9kΩ AD713 1kΩ +VS + PIN 4 +VS 0.1µF 1µF 1/4 AD713 COM + OUTPUT + 1µF 0.1µF 0.1µF 1µF 4 INPUT ALL 4 AMPLIFIERS AD713 1/4 –V V SIGNAL ARE CONNECTED S OUT AD713 1kΩ PIN 11 R C OR AS SHOWN. L L V 11 2kΩ 10pF GROUND* IN *THE SIGNAL INPUT (1kHz SINEWAVE, 2V p-p) IS APPLIED TO ONE
3 21
SQUARE
0
1µF 0.1µF
02 4-
AMPLIFIER AT A TIME. THE OUTPUTS OF THE OTHER THREE –V +
4-
WAVE S
82
AMPLIFIERS ARE THEN MEASURED FOR CROSSTALK.
082 00
INPUT
0 Figure 26. Crosstalk Test Circuit for Figure 21 Figure 27. Unity Gain Follower Circuit for Figure 22 and Figure 23
7.5pF 2kΩ +VS 2kΩ + V 1µF 0.1µF IN 4 1/4 VOUT AD713 SQUARE RL CL 11 WAVE 2kΩ 10pF INPUT
25
1µF 0.1µF
0
+
24-
–VS
008 Figure 28. Unity Gain Inverter Circuit for Figure 24 and Figure 25 Rev. F | Page 10 of 20 Document Outline FEATURES APPLICATIONS CONNECTION DIAGRAMS GENERAL DESCRIPTION PRODUCT HIGHLIGHTS TABLE OF CONTENTS REVISION HISTORY SPECIFICATIONS ABSOLUTE MAXIMUM RATINGS THERMAL RESISTANCE ESD CAUTION TYPICAL PERFORMANCE CHARACTERISTICS TEST CIRCUITS THEORY OF OPERATION MEASURING AD713 SETTLING TIME POWER SUPPLY BYPASSING A HIGH SPEED INSTRUMENTATION AMPLIFIER CIRCUIT A HIGH SPEED 4-OP-AMP CASCADED AMPLIFIER CIRCUIT HIGH SPEED OP AMP APPLICATIONS AND TECHNIQUES DAC Buffers (I-to-V Converters) Driving the Analog Input of an Analog-to-Digital Converter Driving A Large Capacitive Load CMOS DAC APPLICATIONS FILTER APPLICATIONS A Programmable State Variable Filter GIC AND FDNR FILTER APPLICATIONS OUTLINE DIMENSIONS ORDERING GUIDE