Datasheet TCKE712BNL (Toshiba) - 10
| 制造商 | Toshiba |
| 描述 | 13.2 V, eFuse with Adjustable Over Current Protection |
| 页数 / 页 | 15 / 10 — Application Note. 1. Application circuit example. 1) Peripheral circuits |
| 文件格式/大小 | PDF / 632 Kb |
| 文件语言 | 英语 |
Application Note. 1. Application circuit example. 1) Peripheral circuits

该数据表的模型线
文件文字版本
TCKE712BNL
Application Note 1. Application circuit example
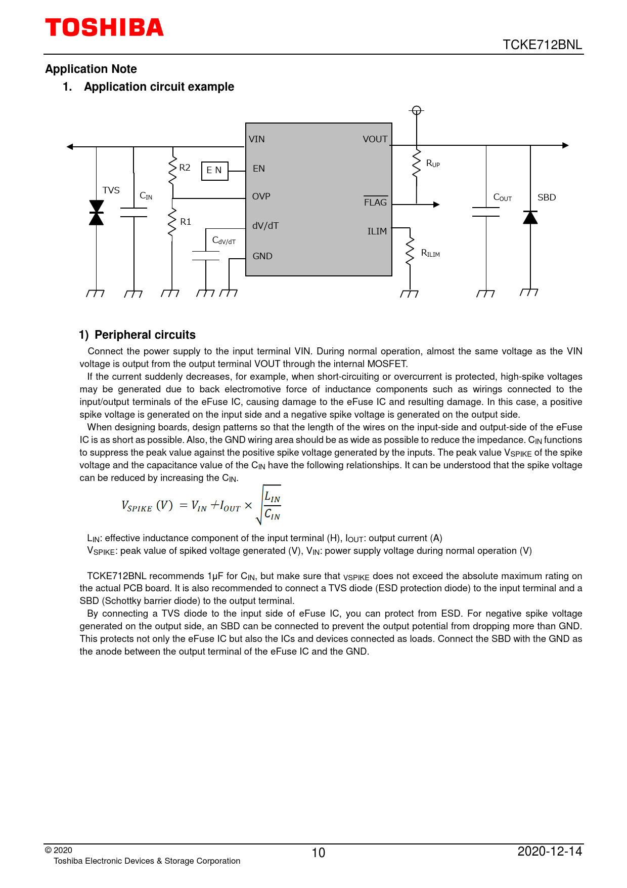
VIN VOUT R2 EN E N RUP TVS CIN OVP COUT SBD FLAG R1 dV/dT ILIM CdV/dT GND RILIM
1) Peripheral circuits
Connect the power supply to the input terminal VIN. During normal operation, almost the same voltage as the VIN voltage is output from the output terminal VOUT through the internal MOSFET. If the current suddenly decreases, for example, when short-circuiting or overcurrent is protected, high-spike voltages may be generated due to back electromotive force of inductance components such as wirings connected to the input/output terminals of the eFuse IC, causing damage to the eFuse IC and resulting damage. In this case, a positive spike voltage is generated on the input side and a negative spike voltage is generated on the output side. When designing boards, design patterns so that the length of the wires on the input-side and output-side of the eFuse IC is as short as possible. Also, the GND wiring area should be as wide as possible to reduce the impedance. CIN functions to suppress the peak value against the positive spike voltage generated by the inputs. The peak value VSPIKE of the spike voltage and the capacitance value of the CIN have the following relationships. It can be understood that the spike voltage can be reduced by increasing the CIN. LIN: effective inductance component of the input terminal (H), IOUT: output current (A) VSPIKE: peak value of spiked voltage generated (V), VIN: power supply voltage during normal operation (V) TCKE712BNL recommends 1μF for CIN, but make sure that VSPIKE does not exceed the absolute maximum rating on the actual PCB board. It is also recommended to connect a TVS diode (ESD protection diode) to the input terminal and a SBD (Schottky barrier diode) to the output terminal. By connecting a TVS diode to the input side of eFuse IC, you can protect from ESD. For negative spike voltage generated on the output side, an SBD can be connected to prevent the output potential from dropping more than GND. This protects not only the eFuse IC but also the ICs and devices connected as loads. Connect the SBD with the GND as the anode between the output terminal of the eFuse IC and the GND. © 2020 10 2020-12-14 Toshiba Electronic Devices & Storage Corporation