Datasheet IRFP9240, SiHFP9240 (Vishay) - 7

制造商Vishay
描述Power MOSFET
页数 / 页11 / 7 — IRFP9240, SiHFP9240. Peak Diode Recovery dV/dt Test Circuit. D.U.T. Note. …
文件格式/大小PDF / 1.9 Mb
文件语言英语

IRFP9240, SiHFP9240. Peak Diode Recovery dV/dt Test Circuit. D.U.T. Note. Fig. 14 - For P-Channel

IRFP9240, SiHFP9240 Peak Diode Recovery dV/dt Test Circuit D.U.T Note Fig 14 - For P-Channel

该数据表的模型线

文件文字版本

IRFP9240, SiHFP9240
Vishay Siliconix
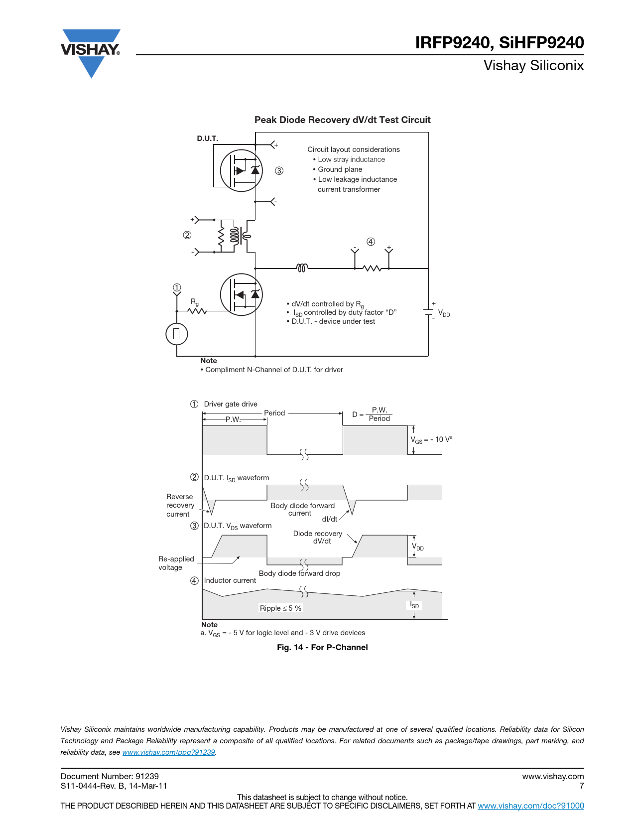
Peak Diode Recovery dV/dt Test Circuit D.U.T.
+ Circuit layout considerations • Low stray inductance • Ground plane • Low leakage inductance current transformer - + - - + Rg • dV/dt controlled by R + g • I V SD controlled by duty factor “D” - DD • D.U.T. - device under test
Note
• Compliment N-Channel of D.U.T. for driver Driver gate drive Period P.W. D = P.W. Period V = - 10 Va GS D.U.T. l waveform SD Reverse recovery Body diode forward current current dI/dt D.U.T. V waveform DS Diode recovery dV/dt VDD Re-applied voltage Body diode forward drop Inductor current I Ripple ≤ 5 % SD
Note
a. V = - 5 V for logic level and - 3 V drive devices GS
Fig. 14 - For P-Channel
Vishay Siliconix maintains worldwide manufacturing capability. Products may be manufactured at one of several qualified locations. Reliability data for Silicon Technology and Package Reliability represent a composite of all qualified locations. For related documents such as package/tape drawings, part marking, and reliability data, see www.vishay.com/ppg?91239. Document Number: 91239 www.vishay.com S11-0444-Rev. B, 14-Mar-11 7 This datasheet is subject to change without notice. THE PRODUCT DESCRIBED HEREIN AND THIS DATASHEET ARE SUBJECT TO SPECIFIC DISCLAIMERS, SET FORTH AT www.vishay.com/doc?91000